Citation: YANG Jie, LI Shuang, WU Xue-Yuan, LONG Yi-Tao. Development of Biological Nanopore Technique in Non-gene Sequencing Application[J]. Chinese Journal of Analytical Chemistry, 2017, 45(12): 1766-1775. doi: 10.11895/j.issn.0253-3820.171201
生物纳米孔道技术在非基因测序方面的研究与应用
English
Development of Biological Nanopore Technique in Non-gene Sequencing Application
-
Key words:
- Nanochannel
- / Single-molecule detection
- / Electrochemical analysis
- / Ultralow current amplifier
- / Review
-
1. 引言
纳米孔道分析技术是一种有效的单分子检测手段,1996年,研究人员首次成功地将α-溶血素蛋白质纳米孔用于核酸分子的检测[1],并开启了纳米孔研究的热潮。纳米孔直径特别小,仅允许单个核苷酸分子通过,因此,可以在此基础上使用多种方法进行高通量检测。由于其无需荧光标记、无需扩增等优点,生物纳米孔在测序领域展现出良好前景,目前已有商品化便携式测序产品面世并趋于成熟。而纳米孔道分析技术已不仅局限在测序领域,越来越多的研究表明,纳米孔可作为一种通用的单分子传感器。根据分子在穿过纳米孔道时产生的特征性阻断电流信号,可实时获取待测物分子的尺寸、电荷、质量和构象以及与其它分子相互作用的动力学信息。相比于其它单分子分析方法,如原子力显微镜、光镊等,纳米孔可在无需表面固定,扩增和标记的条件下实现对单个生物大分子的检测。多种生物膜蛋白,包括MspA[2, 3]、phi29[4]、ClyA[5]、FhuA[6]、lysenin[7]、CsgG[8]、SP1[9]和Aerolysin[10],已被证明可以作为生物纳米孔道而进行生物大分子的灵敏检测,特别是Aerolysin展现出对短链寡聚核苷酸的超灵敏分辨能力[11~15]。随着微加工技术的迅速发展,研究人员以氮化硅[16~19]、二氧化钛[20]、氧化铝[21]、石墨烯[22, 23]等为材料,通过离子束雕刻[24]、电子束钻孔法[25]或原子层沉积法[26]成功制造了固体纳米孔。固态孔由于具有稳定性强、尺寸可控[27]、易于修饰[28, 29]等优点,近年来得到广泛关注,已有相关文献综述[30, 31],在此不深入讨论。在纳米孔技术中,仪器的发展也十分重要,为了能够更加准确地获取检测信息,需要提高纳米孔测量系统的时间及电流分辨率,研究者近年开发了适用于纳米孔道单分子检测的电化学检测系统,成功实现了高带宽下对微小电流的记录[32]。
本文主要综述了生物纳米孔对分析物与孔道界面间相互作用的研究进展,如蛋白质/多肽,以及在单分子水平上对分子的构象变化及动力学过程进行监测。蛋白质分子穿过孔道时, 由于其与孔道界面分子间存在相互作用,会产生特征性阻断电流信号,分析阻断电流信号的程度、持续时间及频率,可获得被研究分子在溶液中的浓度、表面电荷、构象及酶活性等特性,这有助于探究蛋白质结构与功能之间的关系(图 1)。对于一些难以直接检测的分析物,通常采用以下两种方法:一是对纳米孔道进行修饰,在生物纳米孔道进行突变或在纳米孔道内表面固定合适的受体。当分析物与纳米孔道内部的特定位点相互作用时,会产生明显的阻断电流信号。例如,在孔道内修饰β-CD,利用其与Cu2+的高亲和性实现对Cu2+的检测[33];二是利用靶分子与非固定性探针分子的特异性相互作用,探针分子与分析物形成特殊构型,可诱导产生阻断特征信号。例如利用核酸杂交反应监测病原体DNA分子[34]、miRNA[35]等。研究人员利用锁核酸(LNA)修饰的探针实现了对仅有单个核苷酸差异的miRNA的准确鉴别。LNA修饰的探针与目标miRNA杂交并穿过纳米孔,可产生长阻断时间的特征信号。这种具有高选择性与高灵敏度的方法可应用于检测天然血清样品中的目标miRNA,对于复杂样品中的生物标志物识别和检测具有重要价值。这两种方法显著扩大了纳米孔检测技术的应用范围,在生命科学领域极具潜力,利用纳米孔技术可开发疾病诊断系统和新型药物传输系统等。
图 1
图 1. 生物纳米孔检测单分子原理图:(A)嵌入磷脂膜的α-溶血素蛋白孔道示意图。未折叠的肽和简单的α螺旋及β-折叠肽易通过纳米孔。(B)不同构型的待测物通过纳米孔时产生的特征信号。Figure 1. The principle of biological nanopores for single molecule analysis. (A) Schematic of the α-hemolysin pore embedded in a lipid membrane. Unfolded and simple α-helical or β-sheet forming peptides can readily translocate. (B) Specific blockade current could be recorded depending on the unique conformation of different analytes.2. 蛋白质/多肽分析
蛋白质是生命的物质基础,与各种生命活动息息相关,在单分子水平上研究蛋白质分子之间相互作用的机制十分重要。近年来,研究者利用纳米孔道技术研究了蛋白质的一些重要特性,如蛋白质在溶液中的稳定性、构象变化、折叠状态及酶动力学过程等[36]。
与DNA结构相比,蛋白质/多肽分子复杂的三级结构和电荷分布为纳米孔检测带来了挑战。为了简化其结构的复杂性,研究人员对模型分子进行了初步研究。2003年,基于α-溶血素纳米孔实现了对不同长度的类胶原肽(GPP)n(n=1,2,3)的构型区分[37],并进一步实现了对其混合体系中不同组分的检测(图 2)[38]。为了更深入理解蛋白质/多肽和纳米孔之间的相互作用,研究人员检测了α-螺旋型、β-发夹型等不同构型的蛋白质/多肽[39]。根据对特征信号的统计分析发现,它们之间的作用力不仅与纳米孔道孔口的形状和表面电荷有关,还受氨基酸序列、长度、电荷分布、构象等因素影响。研究人员以螺旋结构肽链(AAKAA)n为模型分子,研究其在孔内的动力学速率常数。实验结果表明,随着电压增加和肽链长度减小,信号频率会增加,且它的解离常数和结合常数与施加电压及链长有直接关系。随着蛋白质工程中定点突变技术的逐渐成熟,能够实现对α-溶血素纳米孔的改造,定点突变孔口的氨基酸,改变其电荷性质,使纳米孔形成一个“静电荷陷阱”,这大大增强了模型蛋白分子pb2-Ba和突变α-溶血素纳米孔之间的相互作用力;该研究更进一步分析了pb2的长度、离子浓度、膜电压对pb2-Ba蛋白和孔之间的相互作用力的影响[40]。
图 2
图 2. (A) 该研究中使用的肽的结构示意图。(B)单分子检测中得到的信号图。(C)混合肽P1,P2和P3的散点图[38]Figure 2. (A) The structural formula of the peptides used in this research. (B) The representation of signals obtained in a single molecule detection experiment. (C) Contour plots of current transient of mixture peptides P1, P2 and P3[38]由于蛋白的折叠对其空间结构和特定功能具有重要意义,利用纳米孔单分子技术可以研究蛋白折叠的动态过程。借助变性剂Gdm-HCl、尿素等改变蛋白的折叠状态,在变性剂浓度较低时,蛋白不能穿过孔道,不产生电流阻断。而随着变性剂浓度增大,蛋白质的折叠状态被破坏,开始出现不同的阻断信号。结果表明,变性剂浓度会影响阻断时间及频率,通过分析可获得变性剂浓度和蛋白质折叠程度的S型曲线关系[41]。除此之外,研究者分析了pH值、温度、盐浓度[42~44]等因素对蛋白折叠状态的影响,这为利用纳米孔研究不同环境下蛋白质的稳定性及蛋白质构象变化提供了基础。研究人员还利用寡聚核苷酸标记硫氧还蛋白底物以驱动其通过纳米孔道,通过研究未折叠、半折叠及折叠状态蛋白质产生阻断电流程度的区别,探究了模型蛋白的易位机制并测量部分解折叠中间体的寿命[45]。
除此之外,纳米孔被用于直接检测致病蛋白,如淀粉样蛋白、α-突触核蛋白[46]。在刚果红(聚集抑制剂)、β-CD(聚集促进剂)存在的条件下,使用α-溶血素纳米孔研究了Aβ1-42的聚集形态变化,该蛋白与药物分子间的弱相互作用会产生不同的特征性阻断信号(图 3A)[47]。分析其原因,可能是刚果红能够与Aβ1-42结合,阻碍Aβ1-42聚集过程中氢键的形成,而β-CD作用与其相反。该方法有助于评估小分子对多肽结构的影响,实现药物筛选。还可进一步利用α-溶血素纳米孔直接区分Aβ25-35和Aβ35-25两种结构(图 3B),通过对信号频率随时间变化的统计分析,从动力学角度解释其聚集过程[48]。纳米孔还能监测Aβ肽酶解过程。加入胰蛋白酶后,会产生新的特征信号,且随着酶切过程的进行,原来底物所产生的特征信号逐渐减少,酶解产物的信号逐渐增多[49]。这种方法简单快速,无需标记,且能获取酶动力学的定量信息,在单分子水平上实现了对致病蛋白聚集过程的动态监测。
图 3
图 3. α-溶血素纳米孔检测Aβ。(A)在β-CD和刚果红存在的条件下,Aβ42的聚集状态及使用α-溶血素纳米孔检测得到的不同特征信号[47];(B)α-溶血素纳米孔检测两种不同的构型Aβ35-25和Aβ25-35的特征信号及2D等高线图[48]Figure 3. Detection of Aβ protein using α-Hemolysin nanopore. (A) Representation of the collision behavior and blockage behavior of Aβ42-CD, Aβ42 and Aβ42-CR[47]. (B) Illustration of Aβ35-25(red) and Aβ25-35(blue) traversing through α-HL pore. Their initial structures could be distinguished in real-time by their characteristic blockades and 2D contour plots[48]基于已知的生物分子间的相互作用力,纳米孔技术还可用于蛋白质-配体(如生物素-链霉亲和素[50]),抗原-抗体(如IgG-蛋白质G[51])等复合物的检测。当抗体相对于抗原足够大时,抗原单独存在时和加入抗体后形成的抗原-抗体复合物的离子流阻断程度区别明显,根据特征信号的差异性,能够检测血清中是否存在对应的抗体,并进一步计算抗原结合价态[52, 53]。另外,也可在纳米孔上修饰抗体,抗原-抗体之间的特异性结合,使得通过纳米孔道的离子流变化,由此得到抗原的浓度及抗原-抗体结合常数[54, 55]。该方法无需标记,简单快速,有望设计成小巧便携的芯片用于医学诊断等领域。
3. 基于适配体的纳米孔检测
纳米孔将单个适配体分子限制在纳米级腔内,可在单分子水平上研究其构象变化和动力学过程[56]。α-溶血素的茎结构域最窄处为1.4 nm,仅允许单链DNA通过。但其有一个直径约为4.6 nm的前庭区域,因此除单链线性DNA外,G四联体或双链等各种构型的核酸分子均能被捕获。电压驱动下,DNA会解折叠展开为单链DNA并穿过纳米孔道。基于纳米孔的限域空间,适配体与生物孔内壁的相互作用显著增强,并引起特征化学信号。Shim等[57]首先利用α-溶血素纳米孔研究了不同阳离子调节下单个凝血酶核酸适配体(TBA)G四联体构型的折叠和解折叠机制。核酸适配体的构象对其与靶分子的特异性结合至关重要,如果将核酸适配体设计为探针分子以提高纳米孔的选择性,可识别靶分子诱导的适配体构象变化。使用与ATP结合的DNA适配体(ABA)作为探针检测不同的靶分子,通过特征阻断电流的区别可以在单分子水平上检测适配体构象的动力学变化(图 4A)[58]。为了在单分子水平上研究光调节下生物分子的构象变化机制,利用α-溶血素纳米孔研究了光致变色螺吡喃和RNA适配体间的光调节相互作用。RNA适配体折叠成特定的三级结构,过纳米孔道时会产生三级电流特征信号,分别标记为Level 1、Level 2和Level 3。RNA适配体和螺吡喃首先在可见光下预先混合,形成RNA-螺吡喃复合物,产生Level 1阻断时间明显增长的三级特征阻断电流信号。当紫外光照射复合物时,闭环螺吡喃被光异构化为部花青素,且不能与RNA适配体结合。结果表明,RNA-部花青素复合物可诱导产生类似的特征信号,且Level 1的阻断时间与单独RNA适配体一致。因此,利用RNA适配体穿孔信号的差异可在单分子水平上检测螺吡喃与花青素两种光异构体(图 4B)[59]。
图 4
适配体的主要应用是检测生物学上重要的分子,引入适配体探针将极大地提高纳米孔传感器的选择性。多数蛋白质分子过大,难以进入生物孔的内腔,利用适配体可将蛋白质在孔外的结合活动传递到孔内,从而获得阻断电流信号。在生物孔上修饰凝血酶DNA适配体,凝血酶与其结合后形成四联体结构,进而改变通过孔的离子电流。该方法可以定量检测nmol/L水平的凝血酶,并能得到凝血酶与适配体结合解离过程的动力学常数[60]。通过DNA置换也可实现对生物大分子的检测,单个靶蛋白血小板衍生生长因子B链(PDGF-BB)被两个寡聚核苷酸亲和配体选择性识别,配体上的DNA链被置换出来并穿过α-溶血素纳米孔。获得的阻断信号频率与PDGF-BB浓度呈线性关系,且检出限低至500 fmol/L[61]。而针对一些穿孔信号难以被检测的小分子,利用它们与适配体的高亲和性也可得到特征信号,从而进行对靶分子特异性识别。将与DNA适配体共轭结合的生物纳米孔嵌入微芯片中,可快速、高选择性地检测到浓度低至300 ng/mL的可卡因[62]。
除了适配体与靶分子之间的相互作用外,离子诱导的核苷酸构象变化也可用于金属离子的定量检测。Hg2+的存在会诱导富含碱基T的单链DNA折叠成稳定的发卡状结构,与单独DNA相比,折叠DNA穿过纳米孔时会产生阻断时间明显增长的特征信号(图 5)[63]。使用G-四联体构型的DNA探针,进一步实现了对Pb2+和Ba2+的同时检测[64],这种方法可以拓展到多种与DNA分子有高亲和性的分析物的相关研究中。
图 5
图 5. (A) Hg2+诱导的发卡状DNA分子解折叠并通过α-HL纳米孔的示意图; (B)DNA-Hg2+产生的特征信号放大图; (C)Hg2+-DNA2通过纳米孔的2D事件分布图[63]Figure 5. (A) Representation of the translocation of T-Hg2+-T containing DNA hairpin (DNA-Hg2+) through α-HL nanopore; (B) Expanded view of the specific signature generated by DNA-Hg2+; (C) Corresponding 2D event-distribution plots associated with Hg2+-DNA2 translocation through the nanopore[63]4. 主客体相互作用
纳米孔也被广泛应用于主客体相互作用的研究中[65~68]。宿主分子如环糊精、杯芳烃、瓜环等,可通过非共价结合识别客体分子。一方面,存在于孔道内的宿主分子在外加电场下会改变通过纳米孔的离子流大小。另一方面,宿主分子可作为客体分析物的特异性结合位点。因此,宿主-客体间的相互作用不仅提高了电流分辨率,还增加了纳米孔单分子分析的选择性。将β-CD及其衍生物嵌入突变的α-溶血素内内腔中,客体分子的捕获、反应和释放可以产生明显的电流差异。Li等[67]进一步将主客体相互作用与适配体结合,设计了一种灵活的纳米孔检测方法。适配体首先与二茂铁尿素复合物修饰的DNA探针杂交,加入分析物(VEGF)后导致适配体-探针双链体解开并释放DNA探针。主客体复合物DNA探针穿过α-溶血素纳米孔时会产生特征性电流信号,并用于分析物(VEGF)的定量检测。
5. 单分子化学反应过程
由于纳米孔超灵敏的空间分辨和微秒级的时间分辨能力,纳米孔可对化学反应中单个分子的构象变化、动力学过程、反应中间体进行检测,进而在单分子水平上实现对化学反应过程的实时监测。Shin等[69]将α-溶血素纳米孔的一个单体中第117位的苏氨酸突变成半胱氨酸,成功构建了生物纳米孔道单分子反应器,并用于研究巯醇与砷化合物的取代反应。该方法可以实时监测反应中组分的相互转化和循环,为动态化学体系提供了分析手段(图 6)。Lee等[70]的进一步的研究突破了天然氨基酸修饰的限制,利用化学合成的方法在α-溶血素的某一个片段中修饰非天然氨基酸,有效扩大了纳米反应器的应用范围,进而拓展了腔体中化学反应的类型。
图 6
图 6. 单分子纳米反应器示意图。(A)七聚体α-HL(PSH)由6个野生型单体及一个117位点由苏氨酸突变为半胱氨酸的单体自组装而成。当单个PSH插入磷脂双分子层后,将5,5′-二硫代双(2-硝基苯甲酸)(DTNB)加入到cis检测池,二硫苏糖醇(DTT)或双(2-巯基乙醇)醚(MEE)加入到trans端,当DTT存在时,循环反应发生; (B)当MEE存在时,聚合物在纳米孔反应器的内壁上发生聚合反应; (C)中间态物质存在的时长(τ)及对应的电导水平示意图。两类中间态物质an在聚合物的末端具有活化的二硫键;bn具有游离的巯基(n代表聚合物链中(巯基乙基)醚单元的数量)。τna和τnb分别为an及bn的存在时长; (D)单通道电流轨迹图; (E)链增长过程中中间体的平均电导值及其标准偏差[69]Figure 6. Chemistry in a nanoreactor with spatially separated reactants. (A) PSH is a heptameric α-HL pore, which acts as the nanoreactor. PSH contains one mutated subunit with a cysteine residue at position 117 and six cysteine-free wild-type subunits. A single copy of PSH was allowed to insert into a lipid bilayer within a recording apparatus. DTNB was added to the cis chamber and DTT or MEE to the trans chamber. When DTT is present, a reaction cycle occurs. (B) When MEE is present, a polymer grows on the wall of the nanoreactor. (C) Schematic showing the lifetimes (τ) and conductance levels of the intermediates. One series, an, has an activated disulfide bond at the end of the polymer chain, and the other series, bn, has a free thiol group (n is the number of (mercaptoethyl) ether units in the chain). τna and τnb are the lifetimes of an and bn. (D) Representative single-channel recording. (E) Mean conductance values with standard deviations for intermediates observed during chain propagation (1, red, an; 2, blue, bn).6. 测量仪器及软件
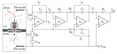
在纳米孔技术的推动下,相关仪器及软件也发展迅速。传统的电流测量系统由于带宽过低而难以检测到快速过孔的阻断电流信号,但是在高带宽模式(≥100 kHz)下的放大器噪声难以消除。Rosenstein等[71]开发了一种低噪音测量平台,它将互补金属氧化物半导体(CMOS)前置放大器与固态纳米孔集成在薄膜氮化硅膜中,1 MHz带宽下可获得高至5的信噪比。另一解决方法则是提高纳米孔测量系统的时间和电流分辨率。本研究组开发了专门用于纳米孔道检测的微电流电化学检测系统,检测系统采用了集成电路,分为电流放大器,数模转换器和降噪模块三部分,结合多通道低通滤波器和全频段滞后的特点,可以使10 kHz滤波频率下时间分辨率低至10 μs,电流分辨率低至0.5 pA[32]。尽管集成电路系统可以提高时间和电流分辨率,但采用的跨阻放大方法会使引入电阻产生热噪声和过剩的杂散电容,因此降低了信噪比并增加整个电路的不稳定性。为了进一步提高电流分辨率,该研究者提出了基于电容跨阻放大的新型放大器,电容反馈电路可以极大地降低热噪声,同时仍然能够准确的放大电流(图 7)[72]。其中微分积分电路发挥了抑制施加电位和放大的电流信号之间共模噪声的重要作用。因此,该放大器成功实现了以高带宽记录微小的电流振荡,适用于单分子检测。
图 7
纳米孔技术研究中的另一个难点问题是由于纳米孔道单分子检测技术得到的数据量大而复杂。为了更有效分析数据并使此技术能更广泛的用于实际应用。Zhang等[73]基于Matlab平台开发了一个名为“Nanopore Analysis”的综合性软件。利用该系统可以直观方便地观察阻断电流信号,实现电流信号的自动提取并复原[74, 75],并进一步对提取的电流信号进行统计分析。为了消除基线漂移的影响,采用移动窗口算法来评估每个时间点的局部基线,同时,采用二阶微分校准方法更准确的确定阻断电流信号的起点和终点,避免了由于带宽限制引起的阻断时间的统计错误,相对误差显著减小。进一步,考虑到不同类型的数据分析的标准和目的不同,此软件有多个模式可供选择,能基于不同的策略,快速灵活地对得到的数据进行处理分析。此外,为了满足半高斯和半指数直方图的拟合需求,还引入了用于统计分析的指数修正高斯函数[76],利用蒙特卡罗模拟来研究阻断时间的分布。与传统的指数函数相比,指数修正高斯函数有更好的适用性,涵盖了整个分布范围。
7. 展望
纳米孔作为一种单分子水平的电化学分析技术,在DNA测序领域已取得了突破性的进展,且在单分子研究方面发挥了巨大作用。纳米孔种类也在持续拓展以满足分析的各种需求,生物孔比较脆弱,难以推广普及,人工固体孔重复性差且操作难。将生物孔与固体孔结合有望解决这些问题,开发出便携、快速、多功能的纳米传感器,在各种复杂的样品检测中表现出高灵敏度与良好重复性。
此外,将电化学技术与光谱分析技术结合起来,也可同时获得光谱和电化学信息。光学检测和离子电流测量集成后可在无需复杂纳米流体和嵌入式电极的情况下并行读出多个纳米孔的信息,光信号还可以揭示纳米孔内特定分析物的化学状态和性质。随着相关仪器的改进及孔道材料研究的迅速发展,纳米孔单分子电化学分析技术将会有更广泛的应用前景。
基于纳米孔的限域空间,目标分子与生物孔内壁之间的相互作用显著增强,有效延长了分子在不同构象的停留时间。可用于检测单个分子的构象变化,如多肽/蛋白质,并可对生物分子间的相互作用进行定量分析,从而进一步探究单分子界面相互作用的新机制。随着蛋白质工程技术的成熟,对生物蛋白孔进行定点突变,能有助于理解电荷、孔道内残基的体积及亲疏水性等多种因素对目标分子与孔道界面间相互作用的影响。纳米孔道单分子分析技术不仅能够推动基础科学的发展,还可用于重大疾病的生物标志物检测,药物定点释放等领域。
-
-
[1]
Kasianowicz J J, Brandin E, Branton D, Deamer D W. Proc. Natl. Acad. Sci. USA, 1996, 93(24):13770-13773 doi: 10.1073/pnas.93.24.13770
-
[2]
Butler T Z, Pavlenok M, Derrington I M, Niederweis M, Gundlach J H. Proc. Natl. Acad. Sci. USA, 2008, 105(52):20647-20652 doi: 10.1073/pnas.0807514106
-
[3]
Niederweis M. Mol. Microbiol., 2003, 49(5):1167-1177 doi: 10.1046/j.1365-2958.2003.03662.x
-
[4]
Wendell D, Jing P, Geng J, Subramaniam V, Lee T J, Montemagno C, Guo P. Nat. Nanotech., 2009, 4(11):765-772 doi: 10.1038/nnano.2009.259
-
[5]
Soskine M, Biesemans A, De Maeyer M, Maglia G. J.Am.Chem.Soc., 2013, 135(36):13456-13463 doi: 10.1021/ja4053398
-
[6]
Mohammad M M, Iyer R, Howard K R, Mcpike M P, Borer P N, Movileanu L. J. Am.Chem.Soc., 2012, 134(22):9521-9531 doi: 10.1021/ja3043646
-
[7]
Aoki T, Hirano M, Takeuchi Y, Kobayashi T, Yanagida T, Ide T. P. Jpn. Acad. B, 2010, 86(9):920-925 doi: 10.2183/pjab.86.920
-
[8]
Goyal P, Krasteva P V, Van Gerven N, Gubellini F, Van Den Broeck I, Troupiotis-Tsailaki A, Jonckheere W, Pehau-Arnaudet G, Pinkner J S, Chapman M R, Hultgren S J, Howorka S, Fronzes R, Remaut H. Nature, 2014, 516(7530):250-253 doi: 10.1038/nature13768
-
[9]
Wang H Y, Li Y, Qin L X, Heyman A, Shoseyov O, Willner I, Long Y T, Tian H. Chem. Commun., 2013, 49(17):1741-1743 doi: 10.1039/c3cc38939a
-
[10]
Wang Y, Montana V, Grubišić V, Stout R F, Parpura V, Gu L Q. ACS Appl. Mater. Interfaces, 2015, 7(1):184-192 doi: 10.1021/am5056596
-
[11]
Cao C, Ying Y L, Hu Z L, Liao D F, Tian H, Long Y T. Nat. Nanotech., 2016, 11(8):713-718 doi: 10.1038/nnano.2016.66
-
[12]
Cao C, Yu J, Wang Y Q, Ying Y L, Long Y T. Anal. Chem., 2016, 88(10):5046-5049 doi: 10.1021/acs.analchem.6b01514
-
[13]
曹婵, 廖冬芳, 应佚伦, 龙亿涛.化学学报, 2016, 74(9):734-737 http://kns.cnki.net/KCMS/detail/detail.aspx?filename=hxxb201609003&dbname=CJFD&dbcode=CJFQCAO Chan, LIAO Dong-Fang, YING Yi-Lun, LONG Yi-Tao. Acta Chimica Sinica, 2016, 74(9):734-737 http://kns.cnki.net/KCMS/detail/detail.aspx?filename=hxxb201609003&dbname=CJFD&dbcode=CJFQ
-
[14]
Cao C, Liao D F, Yu J, Long Y T. Nat. Protoc., 2017, 12(9):1901 doi: 10.1038/nprot.2017.077
-
[15]
Cao C, Yu J, Li M Y, Wang Y Q, Tian H, Long Y T. Small, 2017, DOI: 10.1002/smll.201702011
-
[16]
Storm A J, Chen J H, Ling X S, Zandbergen H W, Dekker C. J. Appl. Phys., 2005, 98(1):014307 doi: 10.1063/1.1947391
-
[17]
Lin Y, Shi X, Liu S C, Ying Y L, Li Q, Gao R, Fathi F, Long Y T, Tian H. Chem. Commun., 2017, 53(25):3539-3542 doi: 10.1039/C7CC00060J
-
[18]
Shi X, Gao R, Ying Y L, Si W, Chen Y F, Long Y T. ACS Sensors, 2016, 1(9):1086-1090 doi: 10.1021/acssensors.6b00408
-
[19]
Shi X, Gao R, Ying Y L, Si W, Chen Y, Long Y T. Faraday Discuss., 2015, 184:85-99 doi: 10.1039/C5FD00060B
-
[20]
Ruby Dela T, Joseph L, Alon S, Amit M. Nanotechnology, 2012, 23(38):385308 doi: 10.1088/0957-4484/23/38/385308
-
[21]
Venkatesan B M, Dorvel B, Yemenicioglu S, Watkins N, Petrov I, Bashir R. Adv. Mater., 2009, 21(27):2771-2776 doi: 10.1002/adma.200803786
-
[22]
Garaj S, Hubbard W, Reina A, Kong J, Branton D, Golovchenko J A. Nature, 2010, 467(7312):190-193 doi: 10.1038/nature09379
-
[23]
Traversif, Raillonc, Benameur S M, Liuk, Khlybovs, Tosunm, Krasnozhond, Kisa, Radenovica. Nat. Nanotech., 2013, 8(12):939-945 doi: 10.1038/nnano.2013.240
-
[24]
Li J, Stein D, Mcmullan C, Branton D, Aziz M J, Golovchenko J A. Nature, 2001, 412(6843):166-169 doi: 10.1038/35084037
-
[25]
Wanunu M, Dadosh T, Ray V, Jin J, McReynolds L, Drndić M. Nat. Nanotech., 2010, 5(11):807-814 doi: 10.1038/nnano.2010.202
-
[26]
Chen P, Mitsui T, Farmer D B, Golovchenko J, Gordon R G, Branton D. Nano Lett., 2004, 4(7):1333-1337 doi: 10.1021/nl0494001
-
[27]
Zhang S, Sun T, Wang E, Wang J. Chin. Sci. Bull., 2014, 59(35):4946-4952 doi: 10.1007/s11434-014-0626-6
-
[28]
Jiang Y, Liu N, Guo W, Xia F, Jiang L. J. Am. Chem. Soc., 2012, 134(37):15395-15401 doi: 10.1021/ja3053333
-
[29]
Li P, Xie G, Kong X Y, Zhang Z, Xiao K, Wen L, Jiang L. Angew. Chem. Int. Ed., 2016, 55(50):15637-15641 doi: 10.1002/anie.201609161
-
[30]
Venkatesan B M, Bashir R. Nat. Nanotech., 2011, 6(10):615-624 doi: 10.1038/nnano.2011.129
-
[31]
Ying Y L, Zhang J, Gao R, Long Y T. Angew. Chem. Int. Ed., 2013, 52(50):13154-13161 doi: 10.1002/anie.201303529
-
[32]
Gao R, Ying Y L, Yan B Y, Long Y T. Chin. Sci. Bull., 2014, 59(35):4968-4973 doi: 10.1007/s11434-014-0656-0
-
[33]
Guo Y, Jian F, Kang X. RSC Adv., 2017, 7(25):15315-15320 doi: 10.1039/C7RA00454K
-
[34]
Yao F, Zhang Y, Wei Y, Kang X F. Chem. Commun., 2014, 50(89):13853-13856 doi: 10.1039/C4CC06135G
-
[35]
Xi D, Shang J, Fan E, You J, Zhang S, Wang H. Anal. Chem., 2016, 88(21):10540-10546 doi: 10.1021/acs.analchem.6b02620
-
[36]
Zhao Q, De Zoysa R S S, Wang D, Jayawardhana D A, Guan X. J. Am. Chem. Soc., 2009, 131(18):6324-6325 doi: 10.1021/ja9004893
-
[37]
Sutherland T C, Long Y T, Stefureac R I, Bediako Amoa I, Kraatz H B, Lee J S. Nano Lett., 2004, 4(7):1273-1277 doi: 10.1021/nl049413e
-
[38]
Long Y, Zhang M. Sci. China, Ser. B:Chem., 2009, 52(6):731-733 doi: 10.1007/s11426-009-0078-z
-
[39]
Movileanu L, Schmittschmitt J P, Martin Scholtz J, Bayley H. Biophys. J., 2005, 89(2):1030-1045 doi: 10.1529/biophysj.104.057406
-
[40]
Mohammad M M, Prakash S, Matouschek A, Movileanu L. J. Am. Chem. Soc., 2008, 130(12):4081-4088 doi: 10.1021/ja710787a
-
[41]
Merstorf C, Cressiot B, Pastoriza Gallego M, Oukhaled A, Betton J M, Auvray L, Pelta J. ACS Chem. Biol., 2012, 7(4):652-658 doi: 10.1021/cb2004737
-
[42]
Mereuta L, Asandei A, Seo C H, Park Y, Luchian T. ACS Appl. Mater. Interfaces, 2014, 6(15):13242-13256 doi: 10.1021/am5031177
-
[43]
Mereuta L, Roy M, Asandei A, Lee J, Park Y, Andricioaei I, Luchian T. Sci. Rep., 2014, 4:3885 http://www.ncbi.nlm.nih.gov/pmc/articles/PMC3902492/
-
[44]
Asandei A, Chinappi M, Kang H K, Seo C H, Mereuta L, Park Y, Luchian T. ACS Appl. Mater. Interfaces, 2015, 7(30):16706-16714 doi: 10.1021/acsami.5b04406
-
[45]
Rodriguez-Larrea D, Bayley H. Nat. Nanotech., 2013, 8(4):288-295 doi: 10.1038/nnano.2013.22
-
[46]
Wang H Y, Gu Z, Cao C, Wang J, Long Y T. Anal. Chem., 2013, 85(17):8254-8261 doi: 10.1021/ac401496x
-
[47]
Wang H Y, Ying Y L, Li Y, Kraatz H B, Long Y T. Anal. Chem., 2011, 83(5):1746-1752 doi: 10.1021/ac1029874
-
[48]
Hu Y X, Ying Y L, Gu Z, Cao C, Yan B Y, Wang H F, Long Y T. Chem. Commun., 2016, 52(32):5542-5545 doi: 10.1039/C6CC01292B
-
[49]
Wang Y, Montana V, Grubisic V, Stout R F, Jr., Parpura V, Gu L Q. ACS Appl. Mater. Interfaces, 2015, 7(1):184-192 doi: 10.1021/am5056596
-
[50]
Movileanu L, Howorka S, Braha O, Bayley H. Nat. Biotech., 2000, 18(10):1091-1095 doi: 10.1038/80295
-
[51]
Wei R, Gatterdam V, Wieneke R, Tampe R, Rant U. Nat. Nanotech., 2012, 7(4):257-263 doi: 10.1038/nnano.2012.24
-
[52]
Uram J D, Ke K, Hunt A J, Mayer M. Small, 2006, 2(8-9):967-972 doi: 10.1002/(ISSN)1613-6829
-
[53]
Takakura T, Yanagi I, Goto Y, Ishige Y, Kohara Y. Appl. Phys. Lett., 2016, 108(12):123701 doi: 10.1063/1.4944641
-
[54]
Jung J Y, Thornton T J, Chiari M, Kim T H. Jpn. J. Appl. Phys, 2011, 50:127002 doi: 10.7567/JJAP.50.127002
-
[55]
Schibel A E, Ervin E N. Langmuir, 2014, 30(37):11248-11256 doi: 10.1021/la502714b
-
[56]
Wang H Y, Song Z Y, Zhang H S, Chen S P. Microchim. Acta, 2016, 183(3):1003-1010 doi: 10.1007/s00604-015-1699-x
-
[57]
Shim J W, Tan Q, Gu L Q. Nucleic Acids Res., 2009, 37(3):972-982 doi: 10.1093/nar/gkn968
-
[58]
Ying Y L, Wang H Y, Sutherland T C, Long Y T. Small, 2011, 7(1):87-94 doi: 10.1002/smll.v7.1
-
[59]
Zhang X, Zhang J, Ying Y L, Tian H, Long Y T. Chem. Sci., 2014, 5(7):2642-2646 doi: 10.1039/c4sc00134f
-
[60]
Rotem D, Jayasinghe L, Salichou M, Bayley H. J. Am. Chem. Soc., 2012, 134(5):2781-2787 doi: 10.1021/ja2105653
-
[61]
Zhang L, Zhang K, Liu G, Liu M, Liu Y, Li J. Anal. Chem., 2015, 87(11):5677-5682 doi: 10.1021/acs.analchem.5b00791
-
[62]
Kawano R, Osaki T, Sasaki H, Takinoue M, Yoshizawa S, Takeuchi S. J. Am. Chem. Soc., 2011, 133(22):8474-8477 doi: 10.1021/ja2026085
-
[63]
Wen S, Zeng T, Liu L, Zhao K, Zhao Y, Liu X, Wu H C. J. Am. Chem. Soc., 2011, 133(45):18312-18317 doi: 10.1021/ja206983z
-
[64]
Yang C, Liu L, Zeng T, Yang D, Yao Z, Zhao Y, Wu H C. Anal. Chem., 2013, 85(15):7302-7307 doi: 10.1021/ac401198d
-
[65]
Ying Y L, Zhang J, Meng F N, Cao C, Yao X, Willner I, Tian H, Long Y T. Sci. Rep., 2013, 3:1662 doi: 10.1038/srep01662
-
[66]
Meng F N, Yao X, Ying Y L, Zhang J, Tian H, Long Y T. Chem. Commun., 2015, 51(7):1202-1205 doi: 10.1039/C4CC07919A
-
[67]
Li T, Liu L, Li Y, Xie J, Wu H C. Angew. Chem. Int. Ed., 2015, 54(26):7568-7571 doi: 10.1002/anie.201502047
-
[68]
段静, 卓莎, 姚付军, 张亚妮, 亢晓峰.分析化学, 2016, 44(12):1801-1807 doi: 10.11895/j.issn.0253-3820.160344DUAN Jing, ZHUO Sha, YAO Fu-Jun, ZHANG Ya-Ni, KANG Xiao-Feng. Chinese J. Anal. Chem., 2016, 44(12):1801-1807 doi: 10.11895/j.issn.0253-3820.160344
-
[69]
Shin S H, Bayley H. J. Am. Chem. Soc., 2005, 127(30):10462-10463 doi: 10.1021/ja052194u
-
[70]
Lee J, Bayley H. Proc. Natl. Acad. Sci. USA, 2015, 112(45):13768-13773 doi: 10.1073/pnas.1510565112
-
[71]
Rosenstein J K, Wanunu M, Merchant C A, Drndic M, Shepard K L. Nat. Methods, 2012, 9(5):487-492 doi: 10.1038/nmeth.1932
-
[72]
颜秉勇, 顾震, 高瑞, 曹婵, 应佚伦, 马巍, 龙亿涛.分析化学, 2015, 43(7):971-976 doi: 10.11895/j.issn.0253-3820.150159YAN Bing-Yong, GU Zhen, GAO Rui, CAO Chan, YING Yi-Lun, MA Wei, LONG Yi-Tao. Chinese J. Anal. Chem., 2015, 43(7):971-976 doi: 10.11895/j.issn.0253-3820.150159
-
[73]
Zhang J, Liu X, Ying Y L, Gu Z, Meng F N, Long Y T. Nanoscale, 2017, 9(10):3458-3465 doi: 10.1039/C6NR09135K
-
[74]
Gu Z, Ying Y L, Cao C, He P, Long Y T. Anal. Chem., 2015, 87(2):907-913 doi: 10.1021/ac5028758
-
[75]
Dunbar W B. Anal. Chem., 2015, 87(20):10650-10652 doi: 10.1021/acs.analchem.5b02281
-
[76]
Gu Z, Ying Y L, Yan B Y, Wang H F, He P G, Long Y T. Chin. Chem. Lett., 2014, 25(7):1029-1032 doi: 10.1016/j.cclet.2014.05.009
-
[1]
-
图 1 生物纳米孔检测单分子原理图:(A)嵌入磷脂膜的α-溶血素蛋白孔道示意图。未折叠的肽和简单的α螺旋及β-折叠肽易通过纳米孔。(B)不同构型的待测物通过纳米孔时产生的特征信号。
Figure 1 The principle of biological nanopores for single molecule analysis. (A) Schematic of the α-hemolysin pore embedded in a lipid membrane. Unfolded and simple α-helical or β-sheet forming peptides can readily translocate. (B) Specific blockade current could be recorded depending on the unique conformation of different analytes.
图 3 α-溶血素纳米孔检测Aβ。(A)在β-CD和刚果红存在的条件下,Aβ42的聚集状态及使用α-溶血素纳米孔检测得到的不同特征信号[47];(B)α-溶血素纳米孔检测两种不同的构型Aβ35-25和Aβ25-35的特征信号及2D等高线图[48]
Figure 3 Detection of Aβ protein using α-Hemolysin nanopore. (A) Representation of the collision behavior and blockage behavior of Aβ42-CD, Aβ42 and Aβ42-CR[47]. (B) Illustration of Aβ35-25(red) and Aβ25-35(blue) traversing through α-HL pore. Their initial structures could be distinguished in real-time by their characteristic blockades and 2D contour plots[48]
图 4 (A) 不同靶分子诱导下ABA的构象变化及其产生的特征阻断信号[58]; (B)RNA适配体,RNA:部花青复合物及RNA:螺吡喃复合物的结合机制及各自产生的特征阻断信号[59]
Figure 4 (A) The conformational changes of ATP binding aptamer (ABA) and the typical events induced by the different target molecules[58]. (B) Mechanism and typical events of RNA aptamers, RNA:merocyanine and RNA:spiropyran complex, respectively [59]
图 5 (A) Hg2+诱导的发卡状DNA分子解折叠并通过α-HL纳米孔的示意图; (B)DNA-Hg2+产生的特征信号放大图; (C)Hg2+-DNA2通过纳米孔的2D事件分布图[63]
Figure 5 (A) Representation of the translocation of T-Hg2+-T containing DNA hairpin (DNA-Hg2+) through α-HL nanopore; (B) Expanded view of the specific signature generated by DNA-Hg2+; (C) Corresponding 2D event-distribution plots associated with Hg2+-DNA2 translocation through the nanopore[63]
图 6 单分子纳米反应器示意图。(A)七聚体α-HL(PSH)由6个野生型单体及一个117位点由苏氨酸突变为半胱氨酸的单体自组装而成。当单个PSH插入磷脂双分子层后,将5,5′-二硫代双(2-硝基苯甲酸)(DTNB)加入到cis检测池,二硫苏糖醇(DTT)或双(2-巯基乙醇)醚(MEE)加入到trans端,当DTT存在时,循环反应发生; (B)当MEE存在时,聚合物在纳米孔反应器的内壁上发生聚合反应; (C)中间态物质存在的时长(τ)及对应的电导水平示意图。两类中间态物质an在聚合物的末端具有活化的二硫键;bn具有游离的巯基(n代表聚合物链中(巯基乙基)醚单元的数量)。τna和τnb分别为an及bn的存在时长; (D)单通道电流轨迹图; (E)链增长过程中中间体的平均电导值及其标准偏差[69]
Figure 6 Chemistry in a nanoreactor with spatially separated reactants. (A) PSH is a heptameric α-HL pore, which acts as the nanoreactor. PSH contains one mutated subunit with a cysteine residue at position 117 and six cysteine-free wild-type subunits. A single copy of PSH was allowed to insert into a lipid bilayer within a recording apparatus. DTNB was added to the cis chamber and DTT or MEE to the trans chamber. When DTT is present, a reaction cycle occurs. (B) When MEE is present, a polymer grows on the wall of the nanoreactor. (C) Schematic showing the lifetimes (τ) and conductance levels of the intermediates. One series, an, has an activated disulfide bond at the end of the polymer chain, and the other series, bn, has a free thiol group (n is the number of (mercaptoethyl) ether units in the chain). τna and τnb are the lifetimes of an and bn. (D) Representative single-channel recording. (E) Mean conductance values with standard deviations for intermediates observed during chain propagation (1, red, an; 2, blue, bn).
-
扫一扫看文章
计量
- PDF下载量: 19
- 文章访问数: 1754
- HTML全文浏览量: 275

下载:
下载:
下载: