Studies on microwave-assisted synthesis of ZnFe-LDHs and their performance in oxidative dehydrogenation of isopentene
- Corresponding author: WEI Fei, wf-dce@tsinghua.edu.cn
Citation:
SUN Ya-nan, WEI Fei. Studies on microwave-assisted synthesis of ZnFe-LDHs and their performance in oxidative dehydrogenation of isopentene[J]. Journal of Fuel Chemistry and Technology,
;2017, 45(8): 970-979.
MANNING H E. Oxidative dehydrogenation utilizing manganese ferrite: CN, 3671606[P], 1972-06-20.
CICHOWSKI R S. Oxidative dehydrogenation catalyst and process of preparation thereof: CN, 3862910[P]. 1975-01-28.
HOWON L, JUNG J C, KIM H. Oxidative dehydrogenation of n-butene to 1, 3-butadiene over sulfated ZnFe2O4 catalyst[J]. Catal Lett, 2009,133:321-327. doi: 10.1007/s10562-009-0195-5
XU C L, GAO Y, LIU X H, Xin R R, WANG ZH. Hydrotalcite reconstructed by in situ rehydration as a highly active solid base catalyst and its application in aldol condensations[J]. RSC Adv, 2013,3:793-801. doi: 10.1039/C2RA21762G
TANASOI S, TANCHOUX N, URDA A, TICHIT D, SANDULESCU I, FAJULA F, MARCU I C. New Cu-based mixed oxides obtained from LDH precursors, catalysts for methane total oxidation[J]. Appl Catal A: Gen, 2009,363:135-142. doi: 10.1016/j.apcata.2009.05.007
BAHRANOWSKI K, BUENO G, CORBERAN V C, KOOLI F, SERWICKA E M, VALENZUELA R X, WCISLO K. Oxidative dehydrogenation of propane over calcined vanadate-exchanged Mg, Al-layered double hydroxides[J]. Appl Catal A, 1999,185:65-73. doi: 10.1016/S0926-860X(99)00113-1
YE X N, MA N, HUA W M, YUE Y H, MIAO C X, XIE Z K, GAO Z. Dehydrogenation of ethylbenzene in the presence of CO2 over catalysts prepared from hydrotalcite-like precursors[J]. J Mol Catal A: Chem, 2004,217:103-108. doi: 10.1016/j.molcata.2004.02.024
SHEN J Y, GUANG B, TU M, CHEN Y. Preparation and characterization of Fe-MgO catalysts obtained from hydrotalcite-like compounds[J]. Catal Today, 1996,30:77-82. doi: 10.1016/0920-5861(95)00329-0
ARAMENDIA M A, AVILES Y, BORAU V. Thermal decomposition of Mg/Al and Mg/Ga layered double hydroxides: a spectroscopic study[J]. J Mater Chem, 1999,9:1603-1607. doi: 10.1039/a900535h
VIAL S, PREVOT V, FORANO C. Novel route for layered double hydroxides preparation by enzymatic decomposition of urea[J]. J Phys Chem Solids, 2006,67:1048-1053. doi: 10.1016/j.jpcs.2006.01.024
KANNAN S, VIR JASRA R. Microwave assisted rapid crystallization of Mg-M(Ⅲ) hydrotalcite where M(Ⅲ)=Al, Fe or Cr[J]. J Mater Chem, 2000,10:2311-2314. doi: 10.1039/b004219f
BENITO P, LABAJOS F M, ROCHA J, RIVES V. Influence of microwave radiation on the textural properties of layered double hydroxides[J]. Micropor Mesopor Mater, 2006,94:148-158. doi: 10.1016/j.micromeso.2006.03.038
HONGO T, IEMURA T, YAMAZAKI A. Adsorption ability for several harmful anions and thermal behavior of Zn-Fe layered double hydroxide[J]. J Ceram Soc Jpn, 2008,116:192-197. doi: 10.2109/jcersj2.116.192
PARIDA K M, MOHAPATRA L. Carbonate intercalated Zn/Fe layered double hydroxide: A novel photocatalyst for the enhanced photo degradation of azo dyes[J]. Chem Eng J, 2012,179:131-139. doi: 10.1016/j.cej.2011.10.070
SEFTEL E M, COOL P, LUTIC D. Mg-Al and Zn-Fe layered double hydroxides used for organic species storage and controlled release[J]. Mater Sci Eng C, 2013,33:5071-5078. doi: 10.1016/j.msec.2013.08.041
FETTER G, BOTELLO A, LARA V H, BOSCH P. Detrital Mg(OH)2 and Al(OH)3 in microwaved hydrotalcites[J]. J Porous Mater, 2001,8:227-232. doi: 10.1023/A:1012292807651
GUO K, DUAN W ZH, WANG X D, WU Y, WANG H. Microwave assisted synthesis of ethylene glycol intercalated nickel aluminumlayered double hydroxides[J]. Chin J Appl Chem, 2016,33:84-91.
LIAW B J, CHENG D S, YANG B L. Oxidative dehydrogenation of 1-butene on iron oxyhydroxides and hydrated iron oxides[J]. J Catal, 1989,118:312-326. doi: 10.1016/0021-9517(89)90320-5
LIAW B J, CHENG D S, LEE S B. Effect of steam on the oxidative dehydrogenation of butene over magnesium ferrites with and without chromium substitution[J]. Appl Catal, 1991,70:161-173. doi: 10.1016/S0166-9834(00)84161-5
MCINTYRE N S, ZETARUK D G. X-ray photoelectron spectroscopic studies of iron oxides[J]. Anal Chem, 1997,49:1521-1529.
CHEN B H, MA Y S, DING L B, XU L S, WU Z F, YUAN Q, HUANG W X. Reactivity of hydroxyls and water on a CeO2(111) thin film surface: the role of oxygen vacancy[J]. J Phys Chem C, 2013,117:5800-5810. doi: 10.1021/jp312406f
Jinmei Zhou , Huamin Li , Yiru Wang , Wenwei Zhang , Xiuqiong Zeng , Juanjuan Song , Yongxian Fan , Dongcheng Liu , Yanping Ren , Faqiong Zhao , Mei Shi , Min Hu , Wan Li , Xiuyun Wang , Weihong Li , Xiaohang Qiu , Yong Fan , Jianrong Zhang , Shuyong Zhang . Suggestions on Operational Standards for Heating and Heating Instruments (Part IV): Microwave Heating and the Use of Microwave Ovens, Microwave Reactor and Microwave Digester. University Chemistry, 2026, 41(3): 172-181. doi: 10.12461/PKU.DXHX202507043
Yuena Yu , Fang Fang . Microwave-Assisted Synthesis of Safinamide Methanesulfonate. University Chemistry, 2024, 39(11): 210-216. doi: 10.3866/PKU.DXHX202401076
Qi Zhang , Ziyu Liu , Hongxia Tan , Jun Tong , Dazhen Xu . Research Progress on Direct Synthesis of β-Hydroxy Sulfones via Difunctionalization of Olefins. University Chemistry, 2025, 40(11): 199-209. doi: 10.12461/PKU.DXHX202412064
Min LI , Xianfeng MENG . Preparation and microwave absorption properties of ZIF-67 derived Co@C/MoS2 nanocomposites. Chinese Journal of Inorganic Chemistry, 2024, 40(10): 1932-1942. doi: 10.11862/CJIC.20240065
Haotong Ma , Mingyu Heng , Yang Xu , Wei Bi , Yingchun Miao , Shuning Xiao . Synergistic carbon doping and Cu loading on boron nitride via microwave synthesis for enhanced atmospheric CO2 photoreduction. Acta Physico-Chimica Sinica, 2025, 41(11): 100132-0. doi: 10.1016/j.actphy.2025.100132
Yue Zhang , Bao Li , Lixin Wu . GO-Assisted Supramolecular Framework Membrane for High-Performance Separation of Nanosized Oil-in-Water Emulsions. Acta Physico-Chimica Sinica, 2024, 40(5): 2305038-0. doi: 10.3866/PKU.WHXB202305038
Lihui Jiang , Wanrong Dong , Hua Yang , Yongqing Xia , Hongjian Peng , Jun Yuan , Xiaoqian Hu , Zihan Zeng , Yingping Zou , Yiming Luo . Study on Extraction of p-Hydroxyacetophenone. University Chemistry, 2024, 39(11): 259-268. doi: 10.12461/PKU.DXHX202402056
Hongpeng He , Mengmeng Zhang , Mengjiao Hao , Wei Du , Haibing Xia . Synthesis of Different Aspect-Ratios of Fixed Width Gold Nanorods. Acta Physico-Chimica Sinica, 2024, 40(5): 2304043-0. doi: 10.3866/PKU.WHXB202304043
Pin Cui , Ying Tang , Jie Yu , Zhen Yang , Shouhua Yang , Boqin Li , Gang Wang , Huan Pang , Feng Yu . Bimetallic ZnFe–NC prepared using microchannel reactor for oxygen reduction reaction and mechanism research. Chinese Chemical Letters, 2025, 36(9): 110303-. doi: 10.1016/j.cclet.2024.110303
Yuena Yang , Xufang Hu , Yushan Liu , Yaya Kuang , Jian Ling , Qiue Cao , Chuanhua Zhou . The Realm of Smart Hydrogels. University Chemistry, 2024, 39(5): 172-183. doi: 10.3866/PKU.DXHX202310125
Jingke LIU , Jia CHEN , Yingchao HAN . Nano hydroxyapatite stable suspension system: Preparation and cobalt adsorption performance. Chinese Journal of Inorganic Chemistry, 2024, 40(9): 1763-1774. doi: 10.11862/CJIC.20240060
Ruizhi Duan , Xiaomei Wang , Panwang Zhou , Yang Liu , Can Li . The role of hydroxyl species in the alkaline hydrogen evolution reaction over transition metal surfaces. Acta Physico-Chimica Sinica, 2025, 41(9): 100111-0. doi: 10.1016/j.actphy.2025.100111
Junjian Wang , Qingquan Yu , Shunyao Liu , Yuke Chen , Xiaoyu Liu , Guodong Li , Xiaoyan Liu , Hong Liu , Weijia Zhou . Laser-Induced Carbonization of Hydroxyapatite Sandwich Paper for Inkless Printing. Acta Physico-Chimica Sinica, 2024, 40(4): 2304024-0. doi: 10.3866/PKU.WHXB202304024
Weijie Yang , Mansheng Chen , Chen Xu , Fujian Xu . Hydroxyl-Rich Polycations: Innovative Materials Empowering Life and Health. University Chemistry, 2025, 40(9): 332-343. doi: 10.12461/PKU.DXHX202410072
Zhongjie Song , Nannan Zhang , Jun Yu , Huiyu Sun , Zhengying Wu , Yukou Du . Growth of Ce-doped NiCo-LDHs on tin dioxide-modified nickel foam as oxygen evolution reaction catalyst electrode. Chinese Chemical Letters, 2026, 37(1): 111804-. doi: 10.1016/j.cclet.2025.111804
Yongqing Kuang , Jie Liu , Jianjun Feng , Wen Yang , Shuanglian Cai , Ling Shi . Experimental Design for the Two-Step Synthesis of Paracetamol from 4-Hydroxyacetophenone. University Chemistry, 2024, 39(8): 331-337. doi: 10.12461/PKU.DXHX202403012
Ye Wang , Ruixiang Ge , Xiang Liu , Jing Li , Haohong Duan . An Anion Leaching Strategy towards Metal Oxyhydroxides Synthesis for Electrocatalytic Oxidation of Glycerol. Acta Physico-Chimica Sinica, 2024, 40(7): 2307019-0. doi: 10.3866/PKU.WHXB202307019
Yanan Liu , Yufei He , Dianqing Li . Preparation of Highly Dispersed LDHs-based Catalysts and Testing of Nitro Compound Reduction Performance: A Comprehensive Chemical Experiment for Research Transformation. University Chemistry, 2024, 39(8): 306-313. doi: 10.3866/PKU.DXHX202401081
Liangliang Song , Haoyan Liang , Shunqing Li , Bao Qiu , Zhaoping Liu . Challenges and strategies on high-manganese Li-rich layered oxide cathodes for ultrahigh-energy-density batteries. Acta Physico-Chimica Sinica, 2025, 41(8): 100085-0. doi: 10.1016/j.actphy.2025.100085
Jinwang Wu , Qijing Xie , Chengliang Zhang , Haifeng Shi . Rationally Designed ZnFe1.2Co0.8O4/BiVO4 S-Scheme Heterojunction with Spin-Polarization for the Elimination of Antibiotic. Acta Physico-Chimica Sinica, 2025, 41(5): 100050-0. doi: 10.1016/j.actphy.2025.100050
(a): 600W-80-1 h; (b): 600W-95-1 h; (c): 900W-95-0.5 h
(a): Zn/Fe=0.25; (b): Zn/Fe=0.4; (c): Zn/Fe=0.5; (d): Zn/Fe=0.75
—●—: 900W-95-0.25 h; —▲—: 600W-80-1 h; —▼—: 600W-95-1 h; —◆—: 600W-95-1 h(0.75)
—■—: ZnFe-600W-95-1 h-0.5; —●—: ZnFe-600W-95-1 h-0.75; —▲—: ZnFe-900W-95-0.25 h-0.5
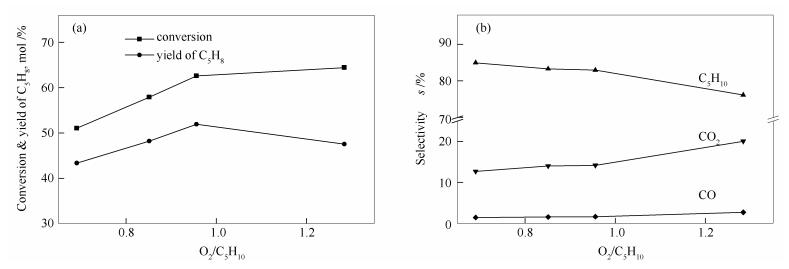
(t=390 ℃, O2:H2O:C5H10=0.95:5.7:1)
—■—: conversion; —▲—: selectivity of isoprene; —●—: yield of isoprene
(a): reacted-1.1; (b): fresh; (c): reacted-5.7