Citation: WANG Xiao-guang, LIU Dai, CHEN Shao-yun, LIU Yang, ZHANG Yong-chun. Performance of pentaethylenehexamine modified MIL-101(Cr) metal-organic framework in CO2 adsorption[J]. Journal of Fuel Chemistry and Technology, ;2017, 45(4): 484-490. shu

Performance of pentaethylenehexamine modified MIL-101(Cr) metal-organic framework in CO2 adsorption

  • Corresponding author: ZHANG Yong-chun, zalidy5518@vip.sina.com
  • Received Date: 6 January 2017
    Revised Date: 13 March 2017

Figures(11)

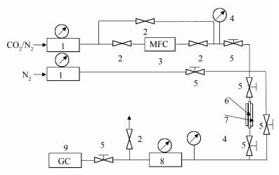
  • The metal-organic framework MIL-101(Cr) was synthesized via hydrothermal process and then modified with pentaethylenehexamine (PEHA) through refluxing in ethanol. Various measures such as SEM, XRD, N2 sorption, Elemental analysis and FT-IR were used to characterize the structure, morphology and properties of PEHA-grafted MIL-101(Cr). Meanwhile, the performance of PEHA-grafted MIL-101(Cr) in CO2 adsorption was investigated under 25℃. The results illustrate that the loading of PEHA in MIL-101(Cr) can conspicuously enhance the CO2 adsorption capacity. PEHA-grafted MIL-101(Cr) with a PEHA loading of 0.24 mL exhibits the highest capacity for CO2 adsorption; the adsorption capacity reaches 58.944 mg/g at 25℃ and atmospheric pressure, which is 33% higher than that of the unmodified MIL-101(Cr) (44.208 mg/g). In addition, the CO2 adsorption capacities on both MIL-101(Cr) and PEHA-MIL-101(Cr) are greatly enhanced by increasing pressure, reaching 1 147.59 and 1 256.74 mg/g at 1.1 MPa, respectively. These results suggest that PEHA-modified MIL-101(Cr) could be a good candidate adsorbent for CO2 capture at high pressure.
  • 加载中
    1. [1]

      SUMIDA K, ROGOW D L, MASON J A, MCDONALD T M, BLOCH E D, HERM Z R, BAE T H, LONG J R. Carbon dioxide capture in metal-organic frameworks[J]. Chem Rev, 2011,112(2):724-781.

    2. [2]

      YANG H, XU Z, FAN M, GUPTA R, SLIMANE R B, BLAND A E, WRIGHT I. Progress in carbon dioxide separation and capture:A review[J]. J Environ Sci, 2008,20(1):14-27. doi: 10.1016/S1001-0742(08)60002-9

    3. [3]

      CHAKMA A, MEHROTRA A K, NIELSEN B. Comparison of chemical solvents for mitigating CO2, emissions from coal-fired power plants[J]. Heat Recovery Syst CHP, 1995,15(2):231-240. doi: 10.1016/0890-4332(95)90030-6

    4. [4]

      WANG X, AKHMEDOV N G, HOPKINSON D, HOFFMAN J, DUAN Y, EGBEBI A, RESNIK K, LI B. Phase change amino acid salt separates into CO2-rich and CO2-lean phases upon interacting with CO2[J]. Appl Energy, 2016,161:41-47. doi: 10.1016/j.apenergy.2015.09.094

    5. [5]

      YANG Gang-sheng, ZENG Gan-ning, ZHAO Qiang, CHEN Xu, CHEN Sheng-ji, AI Ning. Preparation of silica gel supported amino acid ionic liquids and their performance capacity towards carbon dioxide[J]. J Fuel Chem Technol, 2016,44(1):106-112.  

    6. [6]

      LIN Fan, ZHANG Zhong-xiao, FAN Jun-jie, AN Hai-quan. Experimental study on CO2/CH4 separation respectively by membrane, chemical and the combine method[J]. Chin J Power Eng, 2015,35(3):245-250.  

    7. [7]

      BATES E D, MAYTON R D, NTAI I, DAVIS J H. CO2 capture by a task-specific ionic liquid[J]. J Am Chem Soc, 2002,124(6):926-927. doi: 10.1021/ja017593d

    8. [8]

      CEJKA J, CORMA A, ZONES S. Zeolites and Catalysis:Synthesis, Reactions and Applications[M]. Hoboken:John Wiley & Sons, 2010.

    9. [9]

      CAVENATI S, GRANDE C A, RODRIGUES A E. Adsorption equilibrium of methane, carbon dioxide, and nitrogen on zeolite 13X at high pressures[J]. J Chem Eng Data, 2004,49(4):1095-1101. doi: 10.1021/je0498917

    10. [10]

      CHUE K, KIM J, YOO Y, CHO S, YANG R. Comparison of activated carbon and zeolite 13X for CO2 recovery from flue gas by pressure swing adsorption[J]. Ind Eng Chem Res, 2002,342(2):591-598.  

    11. [11]

      ZHANG Suo-ying, LIU Hong, LIU Peng-fei, WU Pei-pei, YANG Zhu-hong, YANG Qing-yuan, LU Xiao-hua. Progress of adsorption-based CO2/CH4 separation by metal organic frameworks[J]. J Chem Ind Eng, 2014,65(5):1563-1570.  

    12. [12]

      MILLWARD A R, YAGHI O M. Metal-organic frameworks with exceptionally high capacity for storage of carbon dioxide at room temperature[J]. J Am Chem Soc, 2005,127(51):17998-17999. doi: 10.1021/ja0570032

    13. [13]

      ZIAEE A, CHOVAN D, LUSI M, PERRY IV J J, ZAWOROTKO M J, TOFAIL S A. Theoretical optimization of pore size and chemistry in SIFSIX-3-M hybrid ultramicroporous materials[J]. Cryst Growth Des, 2016,16(7):3890-3897. doi: 10.1021/acs.cgd.6b00453

    14. [14]

      BRITT D, FURUKAWA H, WANG B, GLOVER T G, YAGHI O M. Highly efficient separation of carbon dioxide by a metal-organic framework replete with open metal sites[J]. Proc Natl Acad Sci U S A, 2009,106(49):20637-20640. doi: 10.1073/pnas.0909718106

    15. [15]

      FÉREY G, MELLOT-DRAZNIEKS C, SERRE C, MILLANGE F, DUTOUR J, SURBLÉ S, MARGIOLAKI I. A chromium terephthalate-based solid with unusually large pore volumes and surface area[J]. Science, 2005,309(5743):2040-2042. doi: 10.1126/science.1116275

    16. [16]

      HWANG Y K, HONG D Y, CHANG J S, JHUNG S H, SEO Y K, KIM J, VIMONT A, DATURI M, SERRE C, FÉREY G. Amine grafting on coordinatively unsaturated metal centers of MOFs:Consequences for catalysis and metal encapsulation[J]. Angew Chem Int Ed Eng, 2008,47(22):4144-4148. doi: 10.1002/(ISSN)1521-3773

    17. [17]

      LIANG Fang-fang, ZHOU Ling-yun, LI Xiang, FAN Jing. Adsorption of CO2 on ethylenediamine modified metal-organic framework material MIL-101(Cr) under atmospheric pressure[J]. Chin J Proc Eng, 2015,15(6):1069-1074.  

    18. [18]

      LIN Y, LIN H, WANG H, SUO Y, LI B, KONG C, CHEN L. Enhanced selective CO2 adsorption on polyamine/MIL-101(Cr) composites[J]. J Mater Chem A, 2014,2(35):14658-14665. doi: 10.1039/C4TA01174K

    19. [19]

      HONG D Y, HWANG Y K, SERRE C, FÉREY G, CHANG J S. Porous chromium terephthalate MIL-101 with coordinatively unsaturated sites:Surface functionalization, encapsulation, sorption and catalysis[J]. Adv Funct Mater, 2009,19(10):1537-1552. doi: 10.1002/adfm.v19:10

    20. [20]

      CHEN Lin-lin, WANG Xia, GUO Qing-jie. Study on CO2 adsorption properties of tetraethylenepentamine modified mesoporous silica gel[J]. J Fuel Chem Technol, 2015,43(1):108-115.  

    21. [21]

      CHEN Heng. Synthesis and CO2 Adsorption Property of Metal-organic Framework MIL-101 by an Imidazole-assistant Route[D]. Dalian:Dalian University of Tecnology, 2014.

    22. [22]

      LIANG Z, MARSHALL M, NG C H, CHAFFEE A L. Comparison of conventional and HF-free-synthesized MIL-101 for CO2 adsorption separation and their water stabilities[J]. Energy Fuels, 2013,27(12):43-59.  

    23. [23]

      HU Hang-biao, ZHANG Tao, CUI Zheng, TANG Sheng-wei. Preparation of three-dimensional honeycomb-like material of Graphene oxide-carboxylated carbon nanotube-polyethylenepolyamine to adsorb CO2[J]. Chem Ind Eng Prog, 2016,35(11):3576-3584.  

  • 加载中
    1. [1]

      Xiaolong Li Shiqi Zhong Xiangfeng Wei Zhiqiang Liu Pan Zhan Jiehua Liu . Carbon Dioxide: From the Past to the Future. University Chemistry, 2026, 41(2): 242-247. doi: 10.12461/PKU.DXHX202503013

    2. [2]

      Yanhui GuoLi WeiZhonglin WenChaorong QiHuanfeng Jiang . Recent Progress on Conversion of Carbon Dioxide into Carbamates. Acta Physico-Chimica Sinica, 2024, 40(4): 2307004-0. doi: 10.3866/PKU.WHXB202307004

    3. [3]

      Hailian Cheng Shuaiqiang Jia Chunjun Chen Haihong Wu Buxing Han . Electrocatalytic CO2 Conversion: A Key to Unlocking a Low-Carbon Future. University Chemistry, 2026, 41(2): 1-13. doi: 10.12461/PKU.DXHX202502023

    4. [4]

      Jiayi Yang Jianxiu Hao Huacong Zhou Quansheng Liu . “Gorgeous Transformation” of Carbon Dioxide into Cyclic Carbonates: Catalyst Types and Roles. University Chemistry, 2026, 41(2): 178-189. doi: 10.12461/PKU.DXHX202502105

    5. [5]

      Xiaofei LiuHe WangLi TaoWeimin RenXiaobing LuWenzhen Zhang . Electrocarboxylation of Benzylic Phosphates and Phosphinates with Carbon Dioxide. Acta Physico-Chimica Sinica, 2024, 40(9): 2307008-0. doi: 10.3866/PKU.WHXB202307008

    6. [6]

      Jiayin Hu Yafei Guo Long Li Tianlong Deng . Teaching Innovation of Salt-Water System Phase Diagrams under the “Dual Carbon” Background: Introducing the Pressurized CO2 Carbonization Phase Equilibria. University Chemistry, 2025, 40(11): 31-36. doi: 10.12461/PKU.DXHX202412031

    7. [7]

      Fugui XIDu LIZhourui YANHui WANGJunyu XIANGZhiyun DONG . Functionalized zirconium metal-organic frameworks for the removal of tetracycline from water. Chinese Journal of Inorganic Chemistry, 2025, 41(4): 683-694. doi: 10.11862/CJIC.20240291

    8. [8]

      Wei Li Jinfan Xu Yongjun Zhang Ying Guan . 共价有机框架整体材料的制备及食品安全非靶向筛查应用——推荐一个仪器分析综合化学实验. University Chemistry, 2025, 40(6): 276-285. doi: 10.12461/PKU.DXHX202406013

    9. [9]

      Xiaomin Kang Chuanbao Jiao . Application of Metal-Organic Frameworks in CO2 Catalytic Conversion: Promoting “Double Carbon” Actions for a Beautiful China. University Chemistry, 2026, 41(2): 208-217. doi: 10.12461/PKU.DXHX202503011

    10. [10]

      Guang Huang Lei Li Dingyi Zhang Xingze Wang Yugai Huang Wenhui Liang Zhifen Guo Wenmei Jiao . Cobalt’s Valor, Nickel’s Foe: A Comprehensive Chemical Experiment Utilizing a Cobalt-based Imidazolate Framework for Nickel Ion Removal. University Chemistry, 2024, 39(8): 174-183. doi: 10.3866/PKU.DXHX202311051

    11. [11]

      Zeyu XUAnlei DANGBihua DENGXiaoxin ZUOYu LUPing YANGWenzhu YIN . Evaluation of the efficacy of graphene oxide quantum dots as an ovalbumin delivery platform and adjuvant for immune enhancement. Chinese Journal of Inorganic Chemistry, 2024, 40(6): 1065-1078. doi: 10.11862/CJIC.20240099

    12. [12]

      Qin′ai FENGJianjun LILili ZHANGLinxin WUHuiling WANGWenjing HOULei WANGMingjie REN . Amphiphilic surface modification of magnetic adsorbents and its adsorption properties of two microplastics. Chinese Journal of Inorganic Chemistry, 2026, 42(4): 789-807. doi: 10.11862/CJIC.20250208

    13. [13]

      Jingke LIUJia CHENYingchao HAN . Nano hydroxyapatite stable suspension system: Preparation and cobalt adsorption performance. Chinese Journal of Inorganic Chemistry, 2024, 40(9): 1763-1774. doi: 10.11862/CJIC.20240060

    14. [14]

      Hui WangAbdelkader LabidiMenghan RenFeroz ShaikChuanyi Wang . Recent Progress of Microstructure-Regulated g-C3N4 in Photocatalytic NO Conversion: The Pivotal Roles of Adsorption/Activation Sites. Acta Physico-Chimica Sinica, 2025, 41(5): 100039-0. doi: 10.1016/j.actphy.2024.100039

    15. [15]

      Yucai Zhang Jun Jiang . Electrochemical Carbon Dioxide Reduction to Ethylene. University Chemistry, 2026, 41(2): 190-196. doi: 10.12461/PKU.DXHX202503006

    16. [16]

      Bizhu ShaoHuijun DongYunnan GongJianhua MeiFengshi CaiJinbiao LiuDichang ZhongTongbu Lu . Metal-Organic Framework-Derived Nickel Nanoparticles for Efficient CO2 Electroreduction in Wide Potential Windows. Acta Physico-Chimica Sinica, 2024, 40(4): 2305026-0. doi: 10.3866/PKU.WHXB202305026

    17. [17]

      Yan KongWei WeiLekai XuChen Chen . Electrochemical Synthesis of Organonitrogen Compounds from N-integrated CO2 Reduction Reaction. Acta Physico-Chimica Sinica, 2024, 40(8): 2307049-0. doi: 10.3866/PKU.WHXB202307049

    18. [18]

      Peng XUShasha WANGNannan CHENAo WANGDongmei YU . Preparation of three-layer magnetic composite Fe3O4@polyacrylic acid@ZiF-8 for efficient removal of malachite green in water. Chinese Journal of Inorganic Chemistry, 2024, 40(3): 544-554. doi: 10.11862/CJIC.20230239

    19. [19]

      Jing Wang Pingping Li Yuehui Wang Yifan Xiu Bingqian Zhang Shuwen Wang Hongtao Gao . Treatment and Discharge Evaluation of Phosphorus-Containing Wastewater. University Chemistry, 2024, 39(5): 52-62. doi: 10.3866/PKU.DXHX202309097

    20. [20]

      Ting YANGJia ANJinyu ZHANGRuonan FANRong YANXiaoxia JINGPanpan CHANGWei YAN . Synergistic enhancement of ion migration and sulfur conversion kinetics in lithium-sulfur batteries by CeO2/g-C3N4. Chinese Journal of Inorganic Chemistry, 2026, 42(3): 519-530. doi: 10.11862/CJIC.20250274

Metrics
  • PDF Downloads(3)
  • Abstract views(2361)
  • HTML views(306)

通讯作者: 陈斌, bchen63@163.com
  • 1. 

    沈阳化工大学材料科学与工程学院 沈阳 110142

  1. 本站搜索
  2. 百度学术搜索
  3. 万方数据库搜索
  4. CNKI搜索
Address:Zhongguancun North First Street 2,100190 Beijing, PR China Tel: +86-010-82449177-888
Powered By info@rhhz.net

/

DownLoad:  Full-Size Img  PowerPoint
Return