Citation: CUI Wei-yi, WANG Xi-yue, TAN Nai-di. Effect of calcination temperature on catalytic performance of Pt-FeOx/γ-Al2O3 catalysts for HCHO oxidation[J]. Journal of Fuel Chemistry and Technology, ;2019, 47(8): 964-972. shu

Effect of calcination temperature on catalytic performance of Pt-FeOx/γ-Al2O3 catalysts for HCHO oxidation

  • Corresponding author: TAN Nai-di, tannd0119@163.com
  • Received Date: 28 March 2019
    Revised Date: 20 May 2019

    Fund Project: The project was supported by the National Science Foundation of China (51805207), 13th Five-Year Science and Technology Research and Planning Project of Education Department of Jilin province(JJKA20180559KJ) and Science and Technology Innovation Development Plan Project of Jilin(201750211)the National Science Foundation of China 5180520713th Five-Year Science and Technology Research and Planning Project of Education Department of Jilin province JJKA20180559KJScience and Technology Innovation Development Plan Project of Jilin 201750211

Figures(10)

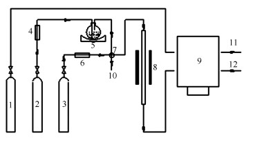
  • A series of Pt-FeOx/γ-Al2O3 catalysts were prepared by colloid-deposition method and characterized by XRD, TEM, BET, XPS, H2-TPR and FT-IR to investigate the effects of calcination temperature on the surface structure of Pt-FeOx/γ-Al2O3 catalyst and its catalytic performance in catalytic HCHO oxidation. The characterization results showed that the applied calcination temperature greatly influenced the redox properties and chemical states of the Pt species, as well as the amount of surface hydroxyl groups. All resultant Pt-FeOx/γ-Al2O3 catalysts demonstrated activity in HCHO oxidation. The sample with calcination at 200 ℃ exhibited the best performance, which afforded 100% conversion of HCHO into CO2 and H2O at room temperature. The catalysts with lower calcination temperature should be beneficial to have a better valence distribution of Pt species and produce more accessible interface active sites like Pt-O-Fe species, thus endowing Pt-FeOx/γ-Al2O3 catalyst with relatively high activity for the oxidation of formaldehyde under mild conditions.
  • 加载中
    1. [1]

      SALTHAMMER T, MENTESE S, MARUTZKY R. Formaldehyde in the indoor environment[J]. Chem Rev, 2010,110(4):2536-2572. doi: 10.1021/cr800399g

    2. [2]

      CHI C C, CHEN W D, GUO M, WENG M L, YAN G, SHEN X Y. Law and features of TVOC and formaldehyde pollution in urban indoor air[J]. Atmos Environ, 2016,132(5):85-90.  

    3. [3]

      TANG X J, BAI Y, DUONG A, SMITH M T, LI L Y, ZHANG L P. Formaldehyde in China:Production, consumption, exposure levels, and health effects[J]. Environ Int, 2009,35(8):1210-1224. doi: 10.1016/j.envint.2009.06.002

    4. [4]

      MARSH G M, YOUK A O. Reevaluation of mortality risks from nasopharyngeal cancer in the formaldehyde cohort study of the national cancer institute[J]. Regul Toxicol Pharmacol, 2004,40(11):113-124.  

    5. [5]

      HUANG H B, XU Y, FENG Q Y, LEUNG D Y C. Low temperature catalytic oxidation of volatile organic compounds:A review[J]. Catal Sci Technol, 2015,5(2):2649-2669.  

    6. [6]

      NIE L H, YU J G, JARONIEC M, TAO F. Room-temperature catalytic oxidation of formaldehyde on catalysts[J]. Catal Sci Technol, 2016,6(11):3649-3669. doi: 10.1039/C6CY00062B

    7. [7]

      BAI Bing-yang, QIAO Qi, LI Jun-hua, HAO Ji-ming. Progress in research on catalysts for catalytic oxidation of formaldehyde[J]. Chin J Catal, 2016,37(1):102-122.  

    8. [8]

      ZHANG C B, LIU F D, ZHAI Y P, ARIGA H, YI N, LIU Y C, ASAKURA K, FLYTZANI-STEPHANOPOULOS M, HE H. Alkali-metal-promoted Pt/TiO2 opens a more efficient pathway to formaldehyde oxidation at ambient temperatures[J]. Angew Chem Int Ed, 2012,51(38):9628-9632. doi: 10.1002/anie.v51.38

    9. [9]

      XU Q L, LEI W Y, LI X Y, QI X Y, YU J G, LIU G, WANG J L, ZHANG P Y. Efficient removal of formaldehyde by nanosized gold on well-defined CeO2 nanorods at room temperature[J]. Environ Sci Technol, 2014,48(16):9702-9708. doi: 10.1021/es5019477

    10. [10]

      LI Y B, ZHANG C B, HE H, ZHANG J H, CHEN M. Influence of alkali metals on Pd/TiO2 catalysts for catalytic oxidation of formaldehyde at room temperature[J]. Catal Sci Technol, 2016,6(7):2289-2295. doi: 10.1039/C5CY01521A

    11. [11]

      MA L, WANG D S, LI J H, BAI B Y, FU L X, LI Y D. Ag/CeO2 nanospheres:Efficient catalysts for formaldehyde oxidation[J]. Appl Catal B:Environ, 2014,148/149(7):36-43.  

    12. [12]

      WANG J L, LI J G, JIANG C J, ZHOU P, ZHANG P Y, YU J G. The effect of manganese vacancy in birnessite-type MnO2 on room-temperature oxidation of formaldehyde in air[J]. Appl Catal B:Environ, 2017,204(5):147-155.  

    13. [13]

      XIA Y S, DAI H X, ZHANG L, DENG J G, HE H, AU C T. Ultrasound-assisted nanocasting fabrication and excellent catalytic performance of three-dimensionally ordered mesoporous chromia for the combustion of formaldehyde, acetone, and methanol[J]. Appl Catal B:Environ, 2010,100(10):229-237.  

    14. [14]

      WANG Z, WANG W Z, ZHANG L, JIANG D. Surface oxygen vacancies on Co3O4 mediated catalytic formaldehyde oxidation at room temperature[J]. Catal Sci Technol, 2016,6:3845-3853. doi: 10.1039/C5CY01709B

    15. [15]

      HUANG Y C, FAN W J, LONG B, LI H B. Alkali-modified non-precious metal 3D-NiCo2O4 nanosheets for efficient formaldehyde oxidation at low temperature[J]. J Mater Chem A, 2016,4(10):3648-3654. doi: 10.1039/C5TA09370H

    16. [16]

      CUI Wei-yi, HUI Ji-xing, TAN Nai-di. Research progress on catalytic oxidation of formaldehyde over supported platinum catalysts[J]. Chem Ind Eng Prog, 2017,36(10):3711-3719.  

    17. [17]

      GUO J H, LIN C X, JIANG C J, ZHANG P Y. Review on noble metal-based catalysts for formaldehyde oxidation at room temperature[J]. Appl Surf Sci, 2019,475:237-255. doi: 10.1016/j.apsusc.2018.12.238

    18. [18]

      AN N H, YU Q S, LIU G, LI S Y, JIA M J, ZHANG W X. Complete oxidation of formaldehyde at ambient temperature over supported Pt/Fe2O3 catalysts prepared by colloid-deposition method[J]. J Hazard Mater, 2011,186(10):1392-1397.  

    19. [19]

      XU Z H, YU J G, JARONIEC M. Efficient catalytic removal of formaldehyde at room temperature using AlOOH nanoflakes with deposited Pt[J]. Appl Catal B:Environ, 2015,163(2):306-312.  

    20. [20]

      YAN Z X, XU Z H, YU J G, JARONIEC M. Highly active mesoporous ferrihydrite supported Pt catalyst for formaldehyde removal at room temperature[J]. Environ Sci Technol, 2015,49(11):6637-6644. doi: 10.1021/acs.est.5b00532

    21. [21]

      CUI W Y, YUAN X L, WU P, ZHENG B, ZHANG W X, JIA M J. Catalytic properties of Al2O3 supported Pt-FeOx catalysts for complete oxidation of formaldehyde at ambient temperature[J]. RSC Adv, 2015,5(126):104330-104336. doi: 10.1039/C5RA19151C

    22. [22]

      ZHENG Bin, GAN Tao, WU Shu-jie, LIU Gang, ZHANG Wen-xiang. Influence of microstructure of Pt-FeOx catalyst on the catalytic CO oxidation[J]. Chin J Inorg Chem, 2018,34(6):1065-1070.  

    23. [23]

      QI L F, CHENG B, YU J G, HO W K. High-surface area mesoporous Pt/TiO2 hollow chains for efficient formaldehyde decomposition at ambient temperature[J]. J Hazard Mater, 2016,301:522-530. doi: 10.1016/j.jhazmat.2015.09.026

    24. [24]

      CHEN G X, ZHAO Y, FU G, DUCHESNE P N, GU L, ZHENG Y P, WENG X F, CHEN M S, ZHANG P, PAO C W, LEE J F, ZHENG N F. Interfacial effects in iron-nickel hydroxide-platinum nanoparticles enhance catalytic oxidation[J]. Science, 2014,344:495-499. doi: 10.1126/science.1252553

    25. [25]

      XU L S, ZHANG W H, ZHANG Y L, WU Z F, CHEN B H, JIANG Z Q, MA Y S, YANG J L, HUANG W X. Oxygen vacancy-controlled reactivity of hydroxyls on an FeO(111) monolayer film[J]. J Phys Chem C, 2011,115(14):6815-6824. doi: 10.1021/jp200423j

    26. [26]

      ZHENG B, LIU G, GENG L L, CUI J Y, WU S J, WU P, JIA M J, YAN W F, ZHANG W X. Role of the FeOx support in constructing high-performance Pt/FeOx catalysts for low-temperature CO oxidation[J]. Catal Sci Technol, 2016,6(5):1546-1554. doi: 10.1039/C5CY00840A

    27. [27]

      CHEN B B, ZHU X B, CROCKER M, WANG Y, SHI C. FeOx-supported gold catalysts for catalytic removal of formaldehyde at room temperature[J]. Appl Catal B:Environ, 2014,154-155:73-81. doi: 10.1016/j.apcatb.2014.02.009

    28. [28]

      JIA J F, SHEN J Y, LIN L W, XU Z S, ZHANG T, LIANG D B. A study on reduction behaviors of the supported platinum-iron catalysts[J]. J Mol Catal A:Chem, 1999,138:177-184. doi: 10.1016/S1381-1169(98)00147-2

    29. [29]

      AN N H, DUCHESNE P N, LI S Y, WU P, ZHANG W L, LEE J F, CHENG S, ZHANG P, JIA M J, ZHANG W X. Size effects of platinum colloid particles on the structure and CO oxidation properties of supported Pt/Fe2O3 catalysts[J]. J Phys Chem C, 2013,117:21254-21262. doi: 10.1021/jp404266p

    30. [30]

      AN N H, YUAN X L, PAN B, LI Q L, LI S Y, ZHANG W X. Design of a highly active Pt/Al2O3 catalyst for low-temperature CO oxidation[J]. RSC Adv, 2014,4(72):38250-38257. doi: 10.1039/C4RA05646A

  • 加载中
    1. [1]

      Yongmei Liu Lisen Sun Zhen Huang Tao Tu . Curriculum-Based Ideological and Political Design for the Experiment of Methanol Oxidation to Formaldehyde Catalyzed by Electrolytic Silver. University Chemistry, 2024, 39(2): 67-71. doi: 10.3866/PKU.DXHX202308020

    2. [2]

      Qin ZHUJiao MAZhihui QIANYuxu LUOYujiao GUOMingwu XIANGXiaofang LIUPing NINGJunming GUO . Morphological evolution and electrochemical properties of cathode material LiAl0.08Mn1.92O4 single crystal particles. Chinese Journal of Inorganic Chemistry, 2024, 40(8): 1549-1562. doi: 10.11862/CJIC.20240022

    3. [3]

      Chunmei GUOWeihan YINJingyi SHIJianhang ZHAOYing CHENQuli FAN . Facile construction and peroxidase-like activity of single-atom platinum nanozyme. Chinese Journal of Inorganic Chemistry, 2024, 40(9): 1633-1639. doi: 10.11862/CJIC.20240162

    4. [4]

      Gaopeng LiuLina LiBin WangNingjie ShanJintao DongMengxia JiWenshuai ZhuPaul K. ChuJiexiang XiaHuaming Li . Construction of Bi Nanoparticles Loaded BiOCl Nanosheets Ohmic Junction for Photocatalytic CO2 Reduction. Acta Physico-Chimica Sinica, 2024, 40(7): 2306041-0. doi: 10.3866/PKU.WHXB202306041

    5. [5]

      Lihua HUANGJian HUA . Denitration performance of HoCeMn/TiO2 catalysts prepared by co-precipitation and impregnation methods. Chinese Journal of Inorganic Chemistry, 2024, 40(3): 629-645. doi: 10.11862/CJIC.20230315

    6. [6]

      Yongming Guo Jie Li Chaoyong Liu . Green Improvement and Educational Design in the Synthesis and Characterization of Silver Nanoparticles. University Chemistry, 2024, 39(3): 258-265. doi: 10.3866/PKU.DXHX202309057

    7. [7]

      Jie WEIQing ZHOUDandan DINGXiang JINGFei LI . Photothermal toxicity of Prussian blue nanoparticles to cervical cancer cells. Chinese Journal of Inorganic Chemistry, 2025, 41(11): 2345-2357. doi: 10.11862/CJIC.20240435

    8. [8]

      Xiaogang Liu Mengyu Chen Yanyan Li Xiantao Ma . Experimental Reform in Applied Chemistry for Cultivating Innovative Competence: A Case Study of Catalytic Hydrogen Production from Liquid Formaldehyde Reforming at Room Temperature. University Chemistry, 2025, 40(7): 300-307. doi: 10.12461/PKU.DXHX202408007

    9. [9]

      Jianan HongChenyu XuYan LiuChangqi LiMenglin WangYanwei Zhang . Decoding the interfacial competition between hydrogen evolution and CO2 reduction via edge-active-site modulation in photothermal catalysis. Acta Physico-Chimica Sinica, 2025, 41(9): 100099-0. doi: 10.1016/j.actphy.2025.100099

    10. [10]

      Wentao XuXuyan MoYang ZhouZuxian WengKunling MoYanhua WuXinlin JiangDan LiTangqi LanHuan WenFuqin ZhengYoujun FanWei Chen . Bimetal Leaching Induced Reconstruction of Water Oxidation Electrocatalyst for Enhanced Activity and Stability. Acta Physico-Chimica Sinica, 2024, 40(8): 2308003-0. doi: 10.3866/PKU.WHXB202308003

    11. [11]

      Jiahong WANGZekun XUTianjiao LUJinming HUANG . Performance of N, Mn doped semi-coke activated carbon catalyzed ozone oxidation for the degradation of tetracycline hydrochloride in water. Chinese Journal of Inorganic Chemistry, 2025, 41(12): 2549-2560. doi: 10.11862/CJIC.20250120

    12. [12]

      Heng ChenLonghui NieKai XuYiqiong YangCaihong Fang . Remarkable Photocatalytic H2O2 Production Efficiency over Ultrathin g-C3N4 Nanosheet with Large Surface Area and Enhanced Crystallinity by Two-Step Calcination. Acta Physico-Chimica Sinica, 2024, 40(11): 2406019-0. doi: 10.3866/PKU.WHXB202406019

    13. [13]

      Xiyuan Zhang Rui Dong Yang Yang Jiapeng Ding Zhiwei Miao . Palladium-Catalyzed Tandem Cyclization of 4-Vinylbenzoxazinone and Indene-2-carbaldehyde: A Comprehensive Organic Chemistry Experiment. University Chemistry, 2025, 40(9): 361-367. doi: 10.12461/PKU.DXHX202410062

    14. [14]

      Yuanqing WangYusong PanHongwu ZhuYanlei XiangRong HanRun HuangChao DuChengling Pan . Enhanced Catalytic Activity of Bi2WO6 for Organic Pollutants Degradation under the Synergism between Advanced Oxidative Processes and Visible Light Irradiation. Acta Physico-Chimica Sinica, 2024, 40(4): 2304050-0. doi: 10.3866/PKU.WHXB202304050

    15. [15]

      Lina Liu Xiaolan Wei Jianqiang Hu . Exploration of Subject-Oriented Undergraduate Comprehensive Chemistry Experimental Teaching Based on the “STS Concept”: Taking the Experiment of Gold Nanoparticles as an Example. University Chemistry, 2024, 39(10): 337-343. doi: 10.12461/PKU.DXHX202405112

    16. [16]

      Zijian Jiang Yuang Liu Yijian Zong Yong Fan Wanchun Zhu Yupeng Guo . Preparation of Nano Zinc Oxide by Microemulsion Method and Study on Its Photocatalytic Activity. University Chemistry, 2024, 39(5): 266-273. doi: 10.3866/PKU.DXHX202311101

    17. [17]

      Ruiqin FengYe FanYun FangYongmei Xia . Strategy for Regulating Surface Protrusion of Gold Nanoflowers and Their Surface-Enhanced Raman Scattering. Acta Physico-Chimica Sinica, 2024, 40(4): 2304020-0. doi: 10.3866/PKU.WHXB202304020

    18. [18]

      Zhuoya WANGLe HEZhiquan LINYingxi WANGLing LI . Multifunctional nanozyme Prussian blue modified copper peroxide: Synthesis and photothermal enhanced catalytic therapy of self-provided hydrogen peroxide. Chinese Journal of Inorganic Chemistry, 2024, 40(12): 2445-2454. doi: 10.11862/CJIC.20240194

    19. [19]

      Zilin HuYaoshen NiuXiaohui RongYongsheng Hu . Suppression of Voltage Decay through Ni3+ Barrier in Anionic-Redox Active Cathode for Na-Ion Batteries. Acta Physico-Chimica Sinica, 2024, 40(6): 2306005-0. doi: 10.3866/PKU.WHXB202306005

    20. [20]

      Siyu HOUWeiyao LIJiadong LIUFei WANGWensi LIUJing YANGYing ZHANG . Preparation and catalytic performance of magnetic nano iron oxide by oxidation co-precipitation method. Chinese Journal of Inorganic Chemistry, 2024, 40(8): 1577-1582. doi: 10.11862/CJIC.20230469

Metrics
  • PDF Downloads(7)
  • Abstract views(1623)
  • HTML views(184)

通讯作者: 陈斌, bchen63@163.com
  • 1. 

    沈阳化工大学材料科学与工程学院 沈阳 110142

  1. 本站搜索
  2. 百度学术搜索
  3. 万方数据库搜索
  4. CNKI搜索
Address:Zhongguancun North First Street 2,100190 Beijing, PR China Tel: +86-010-82449177-888
Powered By info@rhhz.net

/

DownLoad:  Full-Size Img  PowerPoint
Return