Citation: WANG Yue, GAO Yan, BAI Xiang-fei, WU Lin-lin. Petrology and enrichment characteristics of organic matters in Huadian oil shale[J]. Journal of Fuel Chemistry and Technology, ;2016, 44(3): 321-327. shu

Petrology and enrichment characteristics of organic matters in Huadian oil shale

  • Corresponding author: WANG Yue, wangyue8211@sina.com
  • Received Date: 15 September 2015
    Revised Date: 26 November 2015

    Fund Project: Major State Basic Research Development Program of China 2014CB744302Major State Basic Research Development Program of China 973 program

Figures(7)

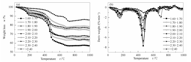
  • The enrichment characteristics of organic matters were determined by its petrology. The types and contents of macerals in Huadian oil shale were examined with 3 common microscope lighting conditions (transmitted light, reflected polarized light and reflected fluorescent light). Then two separation methods based on density difference were used to study liberation of organic mattes from minerals. A low degree of metamorphism was found for organic matters in Huadian oil shale. The macerals were dominated by bituminite accounting for 85.8%. The contents of vitrinite and inertinite were low. Closely integrated with minerals, the organic matters were formed as organic-mineral aggregates. It was difficult to separate the organic matters from minerals using physical methods. Both the weight loss and differential weight loss of samples with density < 1.40g/cm3 were lower than that of higher density from float-and-sink analysis. This was attributed to that a small amount of vitrinite and inertinite particles was enriched in low density product due to their less integration with mineral matter.
  • 加载中
    1. [1]

      QIAN Jia-lin, YIN Liang. Oil Shale-Petroleum Alternative[M]. Beijing: China Petrochemical Press, 2008: 1-3.

    2. [2]

      LIU Zhao-jun, YANG Hu-lin, DONG Qing-shui. Oil Shale in China[M]. Beijing: Petroleum Industry Press, 2009: 26-27.

    3. [3]

      HAN De-xin. China Coal Petrology[M]. Xuzhou: China university of mining and technology Press, 1996: 266-275.

    4. [4]

      FU Jia-mo, QIN Kuang-zong. Geochemistry of Kerogen[M]. Guangzhou: Guangdong Science and Technology Press, 1995: 35-42.

    5. [5]

      HUTTON A.C. Petrographic classification of oil shale[J]. Int J Coal Geol, 1987,8:203-231. doi: 10.1016/0166-5162(87)90032-2

    6. [6]

      TEICHMULLER M. Application of fluorescence microscopy in coalpetrology and oil exploration[J]. J Microsc, 1977,109(1):49-73. doi: 10.1111/jmi.1977.109.issue-1

    7. [7]

      CHANG Zhi-bing, CHU Mo, ZHANG Chao, WANG Wen-juan, QU Yang. Influence of particle size on oil yield from pyrolysis of oil shale[J]. J Fuel Chem Technol, 2015,43(6):663-668.  

    8. [8]

      KONG Ling-wen.Study on physical and chemical characteristics of huadian oil shale of different densities[D]. Jilin: Northeast Dianli University, 2011.

    9. [9]

      ZHANG Peng-fei, JIN Kui-li, WU Tao, WANG Chang-gui. Study on Sedimentology and Oil Source from Jurassic Coal-Bearing Series in Tuha Basin, Northwestern China[M]. Beijing: China coal industry publishing home, 1997: 162-165.

    10. [10]

      XIE X M, VOLKMAN J K, QIN J Z, BORJIGIN T, BIAN L Z, ZHEN L J. Petrology and hydrocarbon potential of microalgal and macroalgal dominated oil shales from the Eocene Huadian Formation, NE China[J]. Int J Coal Geol, 2014,124:36-47. doi: 10.1016/j.coal.2013.12.013

    11. [11]

      WANG Fei-yu, HE Ping, QIN Kuang-zong, FU Jia-mo, LIU De-han. Ultralaminae of amorphous organics in lacustrine source rock and oil shale[J]. Chin Sci Bull, 1994,39(17):1587-1589.  

    12. [12]

      TANG Yue-gang, JIANG Peng, HOU Hui-min, YANG Xiao-hong. Correlation of bituminite and mineral-bituminous groundmass with sedimentary organic groundmass[J]. J China Univ Min Technol, 1999,28(1):33-36.  

    13. [13]

      XIAO Xian-ming. The Application of Organic Petrology on Oil and Gas Evaluation[M]. Guangzhou: Guangdong Science and Technology Press, 1992: 42-63.

    14. [14]

      STACH E, MACHOWSKY M, TEICHMULLER M, TAYLOR G, CHANDRA D. Stach's Textbook of Ccoal Petrology[M]. Berlin: Gebruderborntraeger, 1982: 399-413.

    15. [15]

      PAN L W, DAI F Q, LI G Q, LIU S. A TGA/DTA-MS investigation to the influence of process conditions on the pyrolysis of Jimsar oil shale[J]. Energy, 2015,86:749-757. doi: 10.1016/j.energy.2015.04.081

    16. [16]

      CAO De-guang, SU Da-gen, YANG Zhan-yin, SONG Guo-sheng. Study of the microstructure of Metakaolinitewith IR, TG, SEM, XRD methods[J]. Acta Mineralngica Sinica, 2004,24(4):366-372.  

    17. [17]

      SUN Bin. Mineral decomposition characteristic research of oil shale[D]. Jilin: Northeast Dianli University, 2013.

    18. [18]

      HAN H, ZHONG N N, HUANG C X, ZHANG W. Pyrolysis kinetics of oil shale from northeast China: Implicationsfrom thermogravimetric and Rock-Eval experiments[J]. Fuel, 2015,159(11):776-783.  

  • 加载中
    1. [1]

      Tiancheng Yang Yang Yang Chunhua Qu Rui Chu Yue Xia . Wandering through the Kingdom of Chinese Mineral Medicines. University Chemistry, 2024, 39(9): 94-101. doi: 10.12461/PKU.DXHX202403015

    2. [2]

      Qiuting Zhang Fan Wu Jin Liu Zian Lin . Chromatographic Stationary Phase and Chiral Separation Using Frame Materials. University Chemistry, 2025, 40(4): 291-298. doi: 10.12461/PKU.DXHX202405174

    3. [3]

      Jiangjuan Shao Xuan Li Jingdan Weng Xiaolei Chen Fei Xu Yulu Ma Nianguang Li Shizhong Zheng . Improvement in the Experimental Teaching Design of Physical and Chemical Identification and Quantification of Mineral Drugs. University Chemistry, 2024, 39(10): 137-142. doi: 10.3866/PKU.DXHX202312079

    4. [4]

      Lan Ma Cailu He Ziqi Liu Yaohan Yang Qingxia Ming Xue Luo Tianfeng He Liyun Zhang . Magical Surface Chemistry: Fabrication and Application of Oil-Water Separation Membranes. University Chemistry, 2024, 39(5): 218-227. doi: 10.3866/PKU.DXHX202311046

    5. [5]

      Zijuan LIXuan LÜJiaojiao CHENHaiyang ZHAOShuo SUNZhiwu ZHANGJianlong ZHANGYanling MAJie LIZixian FENGJiahui LIU . Synthesis of visual fluorescence emission CdSe nanocrystals based on ligand regulation. Chinese Journal of Inorganic Chemistry, 2025, 41(2): 308-320. doi: 10.11862/CJIC.20240138

    6. [6]

      Runjie Li Hang Liu Xisheng Wang Wanqun Zhang Wanqun Hu Kaiping Yang Qiang Zhou Si Liu Pingping Zhu Wei Shao . 氨基酸的衍生及手性气相色谱分离创新实验. University Chemistry, 2025, 40(6): 286-295. doi: 10.12461/PKU.DXHX202407059

    7. [7]

      Peipei SunJinyuan ZhangYanhua SongZhao MoZhigang ChenHui Xu . Built-in Electric Fields Enhancing Photocarrier Separation and H2 Evolution. Acta Physico-Chimica Sinica, 2024, 40(11): 2311001-0. doi: 10.3866/PKU.WHXB202311001

    8. [8]

      Wenhui LiYakun TangYusheng ZhouYue ZhangWenhai ZhangQingtao MaLang LiuSen DongYuliang Cao . Enhanced sodium storage performance of asphalt-derived hard carbon through intramolecular oxidation for high-performance sodium-ion batteries. Acta Physico-Chimica Sinica, 2025, 41(10): 100119-0. doi: 10.1016/j.actphy.2025.100119

    9. [9]

      Wendian XIEYuehua LONGJianyang XIELiqun XINGShixiong SHEYan YANGZhihao HUANG . Preparation and ion separation performance of oligoether chains enriched covalent organic framework membrane. Chinese Journal of Inorganic Chemistry, 2024, 40(8): 1528-1536. doi: 10.11862/CJIC.20240050

    10. [10]

      Xinhao Yan Guoliang Hu Ruixi Chen Hongyu Liu Qizhi Yao Jiao Li Lingling Li . Polyethylene Glycol-Ammonium Sulfate-Nitroso R Salt System for the Separation of Cobalt (II). University Chemistry, 2024, 39(6): 287-294. doi: 10.3866/PKU.DXHX202310073

    11. [11]

      Yue ZhangBao LiLixin Wu . GO-Assisted Supramolecular Framework Membrane for High-Performance Separation of Nanosized Oil-in-Water Emulsions. Acta Physico-Chimica Sinica, 2024, 40(5): 2305038-0. doi: 10.3866/PKU.WHXB202305038

    12. [12]

      Zian Lin Yingxue Jin . Matrix-Assisted Laser Desorption/Ionization Mass Spectrometry (MALDI-MS) for Disease Marker Screening and Identification: A Comprehensive Experiment Teaching Reform in Instrumental Analysis. University Chemistry, 2024, 39(11): 327-334. doi: 10.12461/PKU.DXHX202403066

    13. [13]

      Jie ZHAOSen LIUQikang YINXiaoqing LUZhaojie WANG . Theoretical calculation of selective adsorption and separation of CO2 by alkali metal modified naphthalene/naphthalenediyne. Chinese Journal of Inorganic Chemistry, 2024, 40(3): 515-522. doi: 10.11862/CJIC.20230385

    14. [14]

      Yan LIUJiaxin GUOSong YANGShixian XUYanyan YANGZhongliang YUXiaogang HAO . Exclusionary recovery of phosphate anions with low concentration from wastewater using a CoNi-layered double hydroxide/graphene electronically controlled separation film. Chinese Journal of Inorganic Chemistry, 2024, 40(9): 1775-1783. doi: 10.11862/CJIC.20240043

    15. [15]

      Shui Hu Houjin Li Zhenming Zang Lianyun Li Rong Lai . Integration of Science and Education Promotes the Construction of Undergraduate-to-Master’s Integration Experimental Courses: A Case Study on the Extraction, Separation and Identification of Artemisinin from Artemisia annua. University Chemistry, 2024, 39(4): 314-321. doi: 10.3866/PKU.DXHX202310063

    16. [16]

      Junjie Zhang Yue Wang Qiuhan Wu Ruquan Shen Han Liu Xinhua Duan . Preparation and Selective Separation of Lightweight Magnetic Molecularly Imprinted Polymers for Trace Tetracycline Detection in Milk. University Chemistry, 2024, 39(5): 251-257. doi: 10.3866/PKU.DXHX202311084

    17. [17]

      Yang Chen Peng Chen Yuyang Song Yuxue Jin Song Wu . Application of Chemical Transformation Driven Impurity Separation in Experiments Teaching: A Novel Method for Purification of α-Fluorinated Mandelic Acid. University Chemistry, 2024, 39(6): 253-263. doi: 10.3866/PKU.DXHX202310077

    18. [18]

      Jiaqi YangXuqiang HaoJiejie JingYuqiang HaoZhiliang Jin . 3D/2D ReSe2/ZnCdS S-scheme photocatalyst with efficient interfacial charge separation for optimized hydrogen production. Acta Physico-Chimica Sinica, 2025, 41(10): 100131-0. doi: 10.1016/j.actphy.2025.100131

    19. [19]

      Zhi FANGLiang SUNMingze ZHENGWenhao SHENGHongliang HUANGChongli ZHONG . An aluminum-based metal-organic framework with slit pores for the efficient separation and recovery of electronic specialty gas C3F8. Chinese Journal of Inorganic Chemistry, 2025, 41(10): 2054-2062. doi: 10.11862/CJIC.20250096

    20. [20]

      Jie ZHAOHuili ZHANGXiaoqing LUZhaojie WANG . Theoretical calculations of CO2 capture and separation by functional groups modified 2D covalent organic framework. Chinese Journal of Inorganic Chemistry, 2025, 41(2): 275-283. doi: 10.11862/CJIC.20240213

Metrics
  • PDF Downloads(0)
  • Abstract views(1223)
  • HTML views(225)

通讯作者: 陈斌, bchen63@163.com
  • 1. 

    沈阳化工大学材料科学与工程学院 沈阳 110142

  1. 本站搜索
  2. 百度学术搜索
  3. 万方数据库搜索
  4. CNKI搜索
Address:Zhongguancun North First Street 2,100190 Beijing, PR China Tel: +86-010-82449177-888
Powered By info@rhhz.net

/

DownLoad:  Full-Size Img  PowerPoint
Return