Citation: LIU Min, CHEN Gui-feng, WANG Yong-gang, ZHAO Peng, QU Si-jian. Conversion of sulphur and nitrogen compounds in hydrofining process of Baishihu coal liquefaction oil[J]. Journal of Fuel Chemistry and Technology, ;2019, 47(7): 870-875. shu

Conversion of sulphur and nitrogen compounds in hydrofining process of Baishihu coal liquefaction oil

  • Corresponding author: LIU Min, 78562115@qq.com
  • Received Date: 4 March 2019
    Revised Date: 9 April 2019

    Fund Project: Science and Technology Innovation Fund of China Coal Research Institute 2017JC01The project was supported by the Beijing Natural Science Foundation (2182090) and Science and Technology Innovation Fund of China Coal Research Institute(2017JC01)the Beijing Natural Science Foundation 2182090

Figures(6)

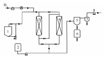
  • A real boiling point distillation apparatus was used to cut the fractions of Baishihu coal liquefied oil. The fraction below 170 ℃ was taken as the catalytic reforming feedstocks of hydrorefining. Meanwhile, the sulfur and nitrogen compounds in liquefied crude oil and refined oil were analyzed and characterized by GC-SCD and GC-NCD to study the transformation rule of sulfur and nitrogen compounds in hydrofining process. The results show that the sulfur compounds in liquefied crude oil are mainly thiophene compounds and mercaptan, which disappear after hydrorefining, and the removal rate of benzothiophenols is lower than that of thiophene compounds. Nitrogen-containing compounds in liquefied crude oil are mainly aniline compounds and indole compounds. After hydrorefining, all indole compounds are basically removed. Aniline and quinoline compounds belong to basic nitrogen-containing compounds, and are the main nitrogen-containing compounds remained in refined oil with a content of 1.61 mg/kg.
  • 加载中
    1. [1]

      MEN Xiu-jie, SUN Hai-ping, LEI Qiang. Review, outlook and suggestions on China's aromatic hydrocarbon industry[J]. Mod Chem Ind, 2019,39(3):1-6.  

    2. [2]

      LIN Shi-xiong. Petroleum Refining Engineering[M]. Beijing:Petroleum Industry Press, 2000.

    3. [3]

      WANG Li-bo, JIANG Shi-bin. Market supply and demand analysis of naphthenic base oil and Its application development[J]. Pet Prod Appl Res, 2017,35(2):4-9. doi: 10.3969/j.issn.1006-1479.2017.02.001

    4. [4]

      SHU Ge-ping, SHI Shi-dong, LI Ke-jian. Direct Coal Liquefaction[M]. Beijing:Coal Industry Press, 2003.

    5. [5]

      SHI Shi-dong. Engineering Basis of Coal Hydro-Liquefaction[M]. Beijing:Chemical Industry Press, 2003.

    6. [6]

      LIU Min, SHI Shi-dong, QU Si-Jian, LIU Li-lin, SHENG Min, MAO Xue-feng. Progress in theoretical research on reaction mechanism of coal direct liquefaction[J]. Clean Coal Technol, 2015,21(4):49-54.  

    7. [7]

      GU X H, MAO X F, ZHAO Y, LI W B, ZHANG X J. Study on the basic nitrogen compounds fromc oal-derived oil[J]. J Coal Sci Eng(China), 2013,19(1):83-89. doi: 10.1007/s12404-013-0114-7

    8. [8]

      GU Xiao-hui, HUANG Peng, LI Wen-bo, AI Jun. Research progress of nitrogen-containing compounds in liquefied oil[J]. Clean Coal Technol, 2011,17(4):38-40. doi: 10.3969/j.issn.1006-6772.2011.04.013

    9. [9]

      MURTI S D S, SAKANISHI K, OKUMA O, KORAI Y, MOCHIDA I. Detailed characterization of heteroatom-containing molecules in light distillates derived from tanito harum coal and its hydrotreated oil[J]. Fuel, 2002,81(17):2241-2248. doi: 10.1016/S0016-2361(02)00159-X

    10. [10]

      OA M A, FLORESB M, PARRAA S, QUIROZA W, MAXWELLC P, MESTERC Z. Chemometric optimization of an extraction procedure using tartaric acid for butyltin compounds from sediment samples by GC-PFPD[J]. J Chil Chem Soc, 2015,60:2803-2806. doi: 10.4067/S0717-97072015000100006

    11. [11]

      MURTI S D S, CHOI K H, SAKANISHI K, OKUMA O, KORAI Y, MOCHIDA I. Analysis and removal of heteroatom containing species in coal liquid distillate over Ni/Mo catalysts[J]. Fuel, 2005,84(2):135-142.

    12. [12]

      HUANG Peng, ZHANG Xiao-jing, MAO Xue-feng, LI Wei-lin. Change of sulfurand nitrogen compounds in the direct liquefaction oil from Shenfu coal upom the hydrofining process[J]. J Fuel Chem Technol, 2016,44(1):37-43. doi: 10.3969/j.issn.0253-2409.2016.01.006 

    13. [13]

      HUANG P, ZHANG X J, MAO X F. Research on the production of aromatic hydrocarbon via hydroreforming a light fraction in direct coal liquefaction oil[J]. Energy Fuels, 2015,29:86-90. doi: 10.1021/ef502146a

    14. [14]

      LI Wei-lin, SHI Zhi-jie, ZHANG Xiao-jing, LI Jun-fang, HU Fa-ting. Type distribution of sulfer and nitrogen compounds in coal direct liquefaction oil[J]. Clean Coal Technol, 2015,21(4):55-57.  

    15. [15]

      PAN N, CUI D, LI R, SHI Q, CHUNG K H, LONG H, LI Y, ZHANG Y, ZHAO S, XU C. Characterization of middle-temperature gasification coal tar. part 1:Bulk properties and molecular compositions of distillates and basic fractions[J]. Energy Fuels, 2012,26(9):5719-5728. doi: 10.1021/ef3007323

    16. [16]

      LONG H, SHI Q, PAN N, ZHANG Y, CUI D, CHUNG K H, ZHAO S, XU C. Characterization of middle-temperature gasification coal tar. part 2:Neutral fraction by extrography followed by gas chromatography-mass spectrometry and electrospray ionization coupled with fourier transform ion cyclotron resonance mass spectrometry[J]. Energy Fuels, 2012,26(6):3424-3431. doi: 10.1021/ef2020167

    17. [17]

      MA You-liang, SHI Shi-dong. Comparison of different products made by distillation from coal liquefaction[J]. Acta Pet Sin (Pet Process Sect), 1998,5(4):91-94.  

    18. [18]

      YU Ding-ji, SHI Shi-dong, QIAN Li-ying. Influence of reaction temperature on the composition and properties of hydrogenation products of nickel-molybdenum catalyst in coal liquefaction[J]. J Fuel Chem Technol, 1987,15(1):9-16.

    19. [19]

      WU Xiu-zhang, SHI Yu-lin, MA Hui. Experimental study on hydrogenation stability and hydrogenation modification of coal direct liquefied oil[J]. Pet Ref Chem Eng, 2009,40(5):1-5. doi: 10.3969/j.issn.1005-2399.2009.05.001

    20. [20]

      WU Mei, SHI Jun-ge, TIAN Song-bai. Analysis of elemental sulfur in gasoline by GC-SCD[J]. Acta Pet Sin(Pet Process Sect), 2008,33(2):320-325.  

    21. [21]

      SHAH Y T. Reaction Engineering in Direct Coal liquefaction[M]. New Jersey:Wesley Publishing CO, 1981.

    22. [22]

      BEJ S K, MAITY S K, TURAGA U T. Search for an efficient 4, 6-DMDBT hydrodesulfurization catalyst:A review of recent studies[J]. Energy Fuels, 2004,18(5):1227-1237. doi: 10.1021/ef030179+

    23. [23]

      GARCIA M J, CASTILLO A C, HEREDIA J A, TREJO E, MONTESINOS A. Kinetics of HDS and of the inhibitory effect of quinoline on HDS of 4, 6-DMDBT over a Ni-Mo-P/Al2O3 catalyst:Part Ⅰ[J]. Chem Eng J, 2012,210(6):53-62.

    24. [24]

      LI Yan-hong. Study on the existence and distribution of nitrogen-containing compounds in coal liquefied oil[D]. Shanghai: East China University of Science and Technology, 2014.

    25. [25]

      LIU Min, WANG Yong-gang, ZHAO Peng, QU Si-jian, CHEN Gui-feng. Molecular characterization of sulfur and nitrogen compounds in THF extract of baishihu lignite[J]. J Fuel Chem Technol, 2019,47(2):1-6.  

  • 加载中
    1. [1]

      Jiahong ZHENGJiajun SHENXin BAI . Preparation and electrochemical properties of nickel foam loaded NiMoO4/NiMoS4 composites. Chinese Journal of Inorganic Chemistry, 2024, 40(3): 581-590. doi: 10.11862/CJIC.20230253

    2. [2]

      Qiangqiang SUNPengcheng ZHAORuoyu WUBaoyue CAO . Multistage microporous bifunctional catalyst constructed by P-doped nickel-based sulfide ultra-thin nanosheets for energy-efficient hydrogen production from water electrolysis. Chinese Journal of Inorganic Chemistry, 2024, 40(6): 1151-1161. doi: 10.11862/CJIC.20230454

    3. [3]

      Zhicheng JUWenxuan FUBaoyan WANGAo LUOJiangmin JIANGYueli SHIYongli CUI . MOF-derived nickel-cobalt bimetallic sulfide microspheres coated by carbon: Preparation and long cycling performance for sodium storage. Chinese Journal of Inorganic Chemistry, 2025, 41(4): 661-674. doi: 10.11862/CJIC.20240363

    4. [4]

      Mingyang MenJinghua WuGaozhan LiuJing ZhangNini ZhangXiayin Yao . Sulfide Solid Electrolyte Synthesized by Liquid Phase Approach and Application in All-Solid-State Lithium Batteries. Acta Physico-Chimica Sinica, 2025, 41(1): 100004-0. doi: 10.3866/PKU.WHXB202309019

    5. [5]

      Xinwan ZhaoYue CaoMinjun LeiZhiliang JinTsubaki Noritatsu . Constructing S-scheme heterojunctions by integrating covalent organic frameworks with transition metal sulfides for efficient noble-metal-free photocatalytic hydrogen evolution. Acta Physico-Chimica Sinica, 2025, 41(12): 100152-0. doi: 10.1016/j.actphy.2025.100152

    6. [6]

      Yajuan ZhangJinliang LiXi ZhangYue LiPeng SunHao XuLikun Pan . Mitigate pressure dependence in sulfide-based all-solid-state batteries via structural and interfacial engineering of Ni-rich cathodes. Acta Physico-Chimica Sinica, 2026, 42(4): 100204-0. doi: 10.1016/j.actphy.2025.100204

    7. [7]

      Geyang Song Dong Xue Gang Li . Recent Advances in Transition Metal-Catalyzed Synthesis of Anilines from Aryl Halides. University Chemistry, 2024, 39(2): 321-329. doi: 10.3866/PKU.DXHX202308030

    8. [8]

      Yongjian Zhang Fangling Gao Hong Yan Keyin Ye . Electrochemical Transformation of Organosulfur Compounds. University Chemistry, 2025, 40(5): 311-317. doi: 10.12461/PKU.DXHX202407035

    9. [9]

      Jiarui Wu Gengxin Wu Yan Wang Yingwei Yang . Crystal Engineering Based on Leaning Towerarenes. University Chemistry, 2024, 39(3): 58-62. doi: 10.3866/PKU.DXHX202304014

    10. [10]

      Jian CaoChang LiuDanling WangHaichao LiLina XuHongping XiaoShaoqi ZhanXiao HeGuoyong Fang . Machine learning potentials for property predictions of two-dimensional group-Ⅲ nitrides. Acta Physico-Chimica Sinica, 2026, 42(4): 100224-0. doi: 10.1016/j.actphy.2025.100224

    11. [11]

      Fanpeng MengFei ZhaoJingkai LinJinsheng ZhaoHuayang ZhangShaobin Wang . Optimizing interfacial electric fields in carbon nitride nanosheet/spherical conjugated polymer S-scheme heterojunction for hydrogen evolution. Acta Physico-Chimica Sinica, 2025, 41(8): 100095-0. doi: 10.1016/j.actphy.2025.100095

    12. [12]

      Yan KongWei WeiLekai XuChen Chen . Electrochemical Synthesis of Organonitrogen Compounds from N-integrated CO2 Reduction Reaction. Acta Physico-Chimica Sinica, 2024, 40(8): 2307049-0. doi: 10.3866/PKU.WHXB202307049

    13. [13]

      Linjie Wang Zhao Wei Ming Gao Xiaohui Zheng Xinghai Hao . Item Development in the Context of Academic Exploration: Materials, Key Considerations, and Suggestions: A Case Study on the Research and Development of Polynitrogen Compounds. University Chemistry, 2026, 41(2): 411-419. doi: 10.12461/PKU.DXHX202503033

    14. [14]

      Yao XieShuangjun LiChao ChenSiyu FanYing TaoQitao Zhang . Ionic polarization engineering of polymeric carbon nitride toward efficient H2O2 photosynthesis. Acta Physico-Chimica Sinica, 2026, 42(5): 100183-0. doi: 10.1016/j.actphy.2025.100183

    15. [15]

      Shihui Shi Haoyu Li Shaojie Han Yifan Yao Siqi Liu . Regioselectively Synthesis of Halogenated Arenes via Self-Assembly and Synergistic Catalysis Strategy. University Chemistry, 2024, 39(5): 336-344. doi: 10.3866/PKU.DXHX202312002

    16. [16]

      Yunhao Zhang Yinuo Wang Siran Wang Dazhen Xu . Progress in Selective Construction of Functional Aromatics from Nitrogenous Cycloalkanes. University Chemistry, 2024, 39(11): 136-145. doi: 10.3866/PKU.DXHX202401083

    17. [17]

      Zhongyan Cao Youzhi Xu Menghua Li Xiao Xiao Xianqiang Kong Deyun Qian . Electrochemically Driven Denitrative Borylation and Fluorosulfonylation of Nitroarenes. University Chemistry, 2025, 40(4): 277-281. doi: 10.12461/PKU.DXHX202407017

    18. [18]

      Nan Wu Hang Zhang Lingling Wei Quan Gu Haoquan Zheng Weiqiang Zhang Rui Cao . Cyanide: Poison or Treasure?. University Chemistry, 2025, 40(7): 177-188. doi: 10.12461/PKU.DXHX202409072

    19. [19]

      Xiaowei TANGShiquan XIAOJingwen SUNYu ZHUXiaoting CHENHaiyan ZHANG . A zinc complex for the detection of anthrax biomarker. Chinese Journal of Inorganic Chemistry, 2024, 40(10): 1850-1860. doi: 10.11862/CJIC.20240173

    20. [20]

      Zongfei YANGXiaosen ZHAOJing LIWenchang ZHUANG . Research advances in heteropolyoxoniobates. Chinese Journal of Inorganic Chemistry, 2024, 40(3): 465-480. doi: 10.11862/CJIC.20230306

Metrics
  • PDF Downloads(4)
  • Abstract views(1509)
  • HTML views(168)

通讯作者: 陈斌, bchen63@163.com
  • 1. 

    沈阳化工大学材料科学与工程学院 沈阳 110142

  1. 本站搜索
  2. 百度学术搜索
  3. 万方数据库搜索
  4. CNKI搜索
Address:Zhongguancun North First Street 2,100190 Beijing, PR China Tel: +86-010-82449177-888
Powered By info@rhhz.net

/

DownLoad:  Full-Size Img  PowerPoint
Return