Citation: SHI Xun-wang, Xin XIN, LIU Zhao, LU Yao, LI Hong-xia, LI Jian-fen, CHEN Qun-peng. Preparation and characterization of Ni/TPC catalyst and applied in straw pyrolysis gas reforming[J]. Journal of Fuel Chemistry and Technology, ;2018, 46(6): 659-665. shu

Preparation and characterization of Ni/TPC catalyst and applied in straw pyrolysis gas reforming

  • Corresponding author: LI Jian-fen, lijfen@163.com
  • Received Date: 6 March 2018
    Revised Date: 18 April 2018

    Fund Project: the Public Welfare Industry (agriculture) Research Special 201503135The project was supported by the Public Welfare Industry (agriculture) Research Special (201503135) and Technological Innovation Major Project of Hubei Province(2017ABA155)Technological Innovation Major Project of Hubei Province 2017ABA155

Figures(9)

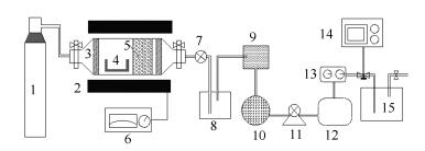
  • Tire pyrolysis char (TPC) was used as a carrier to prepare Ni/TPC catalyst by homogeneous precipitation method. The characteristic of synthetic catalyst was determined by EDX, SEM, XRD, TG and BET. Meanwhile, the performance of Ni/TPC catalyst including reforming temperature, holding time, nickel loading and usage time on the straw pyrolysis gas reforming was investigated in a tube furnace. The results showed that TPC was rich in char and metal. Ni was well loaded on TPC which had a good thermal stability with a specific surface area of 62 m2/g. The Ni/TPC catalyst could obviously improve the burning gas content. The highest catalytic efficiency was obtained at reforming temperature of 750 ℃ and 10 min holding time with 30% Ni loading. The content of H2 in the gas was high and relatively increased by 50% after using the catalyst for 850 min. The Ni3ZnC0.7 active component structure converted to FeNi3 after long-term used with high and stable catalytic activity. TPC had the ability to be a new type of carrier for nickel catalyst.
  • 加载中
    1. [1]

      STIEGEL G J, MAXWELL R C. Gasification technologies:The path to clean, affordable energy in the 21st century[J]. Fuel Process Technol, 2001,71(1/3):79-97.  

    2. [2]

      WALTERTORRES , PANSARE S, GOODWINJR J. Hot gas removal of tars, ammonia, and hydrogen sulfide from biomass gasification gas[J]. Catal Rev, 2007,49(4):407-456. doi: 10.1080/01614940701375134

    3. [3]

      NAZEMI M, PADGETT J, HATZELL M C. Acid/base multi-ion exchange membrane-based electrolysis system for water splitting[J]. Energy Technol, 2017.

    4. [4]

      PALO D R, AND R A D, HOLLADAY J D. Methanol steam reforming for hydrogen production[J]. Chem Rev, 2007,107(10)3992. doi: 10.1021/cr050198b

    5. [5]

      BULUSHEV D A, ROSS J R H. Catalysis for conversion of biomass to fuels via pyrolysis and gasification:A review[J]. Cataly Today, 2011,171(1):1-13. doi: 10.1016/j.cattod.2011.02.005

    6. [6]

      GARC A-D EZ E, GARC A-LABIANO F, DIEGO L F D, ABAD A, GAYÁN P, ADÁNEZ J. Autothermal chemical looping reforming process of different fossil liquid fuels[J]. Int J Hydrogen Energy, 2017,42(19):13633-13640. doi: 10.1016/j.ijhydene.2016.12.109

    7. [7]

      BRIDGWATER A V. The technical and economic feasibility of biomass gasification for power generation[J]. Fuel, 1995,74(5):631-653. doi: 10.1016/0016-2361(95)00001-L

    8. [8]

      HAN J, KIM H. The reduction and control technology of tar during biomass gasification/pyrolysis:An overview[J]. Renewable Sustainable Energy Rev, 2008,12(2):397-416. doi: 10.1016/j.rser.2006.07.015

    9. [9]

      HUBER G W, IBORRA S, CORMA A. Synthesis of transportation fuels from biomass:Chemistry, catalysts, and engineering[J]. Chem Rev, 2006,106(9):4044-4098. doi: 10.1021/cr068360d

    10. [10]

      HE M, XIAO B, HU Z, LIU S M, GUO X J, LUO S Y. Syngas production from catalytic gasification of waste polyethylene:Influence of temperature on gas yield and composition[J]. Int J Hydrogen Energy, 2009,34(3):1342-1348. doi: 10.1016/j.ijhydene.2008.12.023

    11. [11]

      YU Q Z, BRAGE C, NORDGREEN T, SJÖSTRÖM K. Effects of Chinese dolomites on tar cracking in gasification of birch[J]. Fuel, 2009,88(10):1922-1926. doi: 10.1016/j.fuel.2009.04.020

    12. [12]

      FURUSAWA T, TSUTSUMI A. Comparison of Co/MgO and Ni/MgO catalysts for the steam reforming of naphthalene as a model compound of tar derived from biomass gasification[J]. Appl Catal A:Gen, 2005,278(2):207-212. doi: 10.1016/j.apcata.2004.09.035

    13. [13]

      WANG D, YUAN W, JI W. Use of biomass hydrothermal conversion char as the Ni catalyst support in benzene and gasification tar removal[J]. Trans ASABE, 2010,53(3):795-800. doi: 10.13031/2013.30053

    14. [14]

      CHOI Y K, CHO M H, KIM J S, LUND H, KAISER M J. Steam/oxygen gasification of dried sewage sludge in a two-stage gasifier:Effects of the steam to fuel ratio and ash of the activated carbon on the production of hydrogen and tar removal[J]. Energy, 2015,91(suppl 2):160-167.

    15. [15]

      DUC L D, XIAO X, MORISHITA K, TAKARADA T. Biomass gasification using nickel loaded brown coal char in fluidized bed gasifier at relatively low temperature[J]. J Chem Eng Jpn, 2009,42(1):51-57. doi: 10.1252/jcej.08we218

    16. [16]

      WANG T J, CHEN Y WU C Z, FU Y, CHANG J. The steam reforming of naphthalene over a nickel-dolomite cracking catalyst[J]. Biomass Bioenergy, 2005,28(5):508-514. doi: 10.1016/j.biombioe.2004.11.006

    17. [17]

      WANG D, YUAN W, JI W. Char and char-supported nickel catalysts for secondary syngas cleanup and conditioning[J]. Appl Energy, 2011,88(5):1656-1663. doi: 10.1016/j.apenergy.2010.11.041

    18. [18]

      SHEN Y, ZHAO P, SHAO Q, MA D C, TAKAHASHI F, YOSHIKAWA K. In-situ catalytic conversion of tar using rice husk char-supported nickel-iron catalysts for biomass pyrolysis/gasification[J]. Appl Catal B:Environ, 2014,s152/153(1):140-151.

    19. [19]

      MIN Z, ASADULLAH M, YIMSIRI P, SHU Z, WU H W, CHUN Z L. Catalytic reforming of tar during gasification. Part Ⅰ. Steam reforming of biomass tar using ilmenite as a catalyst[J]. Fuel, 2011,90(5):1847-1854. doi: 10.1016/j.fuel.2010.12.039

    20. [20]

      ALRAHBI A S, WILLIAMS P T, YAN J. Hydrogen-rich syngas production and tar removal from biomass gasification using sacrificial tire pyrolysis char[J]. Appl Energy, 2017,190:501-509. doi: 10.1016/j.apenergy.2016.12.099

    21. [21]

      BAE K W. The role of carbon deposition in the gas phase transesterification of dimethylcarbonate and phenol over TiO2/SiO2 catalyst[J]. Appl Catal A:Gen, 2015,194(1):403-414.  

    22. [22]

      QIAN K, KUMAR A. Catalytic reforming of toluene and naphthalene (model tar) by char supported nickel catalyst[J]. Fuel, 2017,187:128-136. doi: 10.1016/j.fuel.2016.09.043

    23. [23]

      ZHAO Y, LI X, LIU J, WANG C, ZHAO Y. MOF-Derived ZnO/Ni3ZnC0.7/C Hybrids Yolk-Shell microspheres with excellent electrochemical performances for lithium ion batteries[J]. Acs Appl Mater Inter, 2016,8(10):6472-6480. doi: 10.1021/acsami.5b12562

    24. [24]

      WANG Y, JIANG L, HU S, SU S, ZHOU Y B, XIANG J, ZHANG S, CHUN Z L. Evolution of structure and activity of char-supported iron catalysts prepared for steam reforming of bio-oil[J]. Fuel Process Technol, 2017,158:180-190. doi: 10.1016/j.fuproc.2017.01.002

    25. [25]

      LIU X, XIONG B, HUANG X, DING H R, ZHENGY , LIU Z H, ZHENG C G. Effect of catalysts on char structural evolution during hydrogasification under high pressure[J]. Fuel, 2017,188(2):474-482.  

    26. [26]

      BRIDGWATER A V. Renewable fuels and chemicals by thermal processing of biomass[J]. Chem Eng J, 2003,91(2):87-102.  

    27. [27]

      BRIDGWATER A, GERHAUSER H, EFFENDI A. Biomass pyrolysis process: Australia, 2074192[P]. 2014-05-07.

    28. [28]

      NEGRO M J, MANZANARES P, OLIVA J M, BALLESTEROS I, BALLESTEROS M. Changes in various physical/chemical parameters of Pinus pinaster wood after steam explosion pretreatment[J]. Biomass Bioenergy, 2003,25(3):301-308. doi: 10.1016/S0961-9534(03)00017-5

    29. [29]

      TABA L E, IRFAN M F, WAN A M W D, CHAKRABARTI M H. The effect of temperature on various parameters in coal, biomass and CO-gasification:A review[J]. Renewable Sustainable Energy Rev, 2012,16(8):5584-5596. doi: 10.1016/j.rser.2012.06.015

    30. [30]

      ANTONAKOU E, DIMITROPOULOS V, LAPPAS A. Production and characterization of bio-oil from catalytic biomass pyrolysis[J]. Therm Sci, 2014,10(3):151-160.

    31. [31]

      DONALD J, XU C, HASHIMOTO H, BYAMBAJAV E, OHTSUKA Y. Novel carbon-based Ni/Fe catalysts derived from peat for hot gas ammonia decomposition in an inert helium atmosphere[J]. Appl Catal A:Gen, 2010,375(1):124-133. doi: 10.1016/j.apcata.2009.12.030

    32. [32]

      ARKATOVA L A. The deposition of coke during carbon dioxide reforming of methane over intermetallides[J]. Catal Today, 2010,157(1/4):170-176.  

    33. [33]

      XU L, SONG H, CHOU L. Carbon dioxide reforming of methane over ordered mesoporous NiO-MgO-Al2O3 composite oxides[J]. Appl Catal B:Environ, 2011,s108/109(6):177-190.

    34. [34]

      ZHAO B F, ZHANG X D, LEI C, QU R B, MENG G F, YI X L, LI S. Steam reforming of toluene as model compound of biomass pyrolysis tar for hydrogen[J]. Biomass Bioenergy, 2010,34(1):140-144. doi: 10.1016/j.biombioe.2009.10.011

  • 加载中
    1. [1]

      Wenxue WangLongwei BaiNa LiShuo ZhaoXiaodong ShiPeng Wang . Selenium-doping metal phosphides as bifunctional catalyst carrier for durable lithium-sulfur batteries. Chinese Chemical Letters, 2025, 36(10): 110938-. doi: 10.1016/j.cclet.2025.110938

    2. [2]

      Junqi WangShuai ZhangJingjing MaXiangjun LiuYayun MaZhimin FanJingfeng Wang . Augmenting levoglucosan production through catalytic pyrolysis of biomass exploiting Ti3C2Tx MXene. Chinese Chemical Letters, 2024, 35(12): 109725-. doi: 10.1016/j.cclet.2024.109725

    3. [3]

      Hong Yin Zhipeng Yu . Hexavalent iridium catalyst enhances efficiency of hydrogen production. Chinese Journal of Structural Chemistry, 2025, 44(1): 100382-100382. doi: 10.1016/j.cjsc.2024.100382

    4. [4]

      Xia Gao Shuaikang Sang Enquan Zhu Lihua Cai Chang Liu Ferdi Karadas Chao Zhang Jingxiang Low Yujie Xiong . Highly dispersed Ni–O site on Ni catalysts for efficient and durable light-driven dry reforming of CH4 at ambient conditions. Chinese Journal of Structural Chemistry, 2025, 44(5): 100570-100570. doi: 10.1016/j.cjsc.2025.100570

    5. [5]

      Zhuwei Yang Linsen Li Yijie Lin Xinyuan Tao Xiao Liu Lei Chen Ming Ma Li Lin Riguang Zhang Jiayuan Li Zhao Jiang . Regulating the Oxygen Vacancies in Ni-CexZr1-xO2/ZSM-5 to Improve the Long-term Stability for Methane Dry Reforming. Chinese Journal of Structural Chemistry, 2025, 44(8): 100632-100632. doi: 10.1016/j.cjsc.2025.100632

    6. [6]

      Qijun Tang Wenguang Tu Yong Zhou Zhigang Zou . High efficiency and selectivity catalyst for photocatalytic oxidative coupling of methane. Chinese Journal of Structural Chemistry, 2023, 42(12): 100170-100170. doi: 10.1016/j.cjsc.2023.100170

    7. [7]

      Zimo Peng Quan Zhang Gaocan Qi Hao Zhang Qian Liu Guangzhi Hu Jun Luo Xijun Liu . Nanostructured Pt@RuOx catalyst for boosting overall acidic seawater splitting. Chinese Journal of Structural Chemistry, 2024, 43(1): 100191-100191. doi: 10.1016/j.cjsc.2023.100191

    8. [8]

      Yizhe ChenYuzhou JiaoLiangyu SunCheng YuanQian ShenPeng LiShiming ZhangJiujun Zhang . Nonmetallic phosphorus alloying to regulate the oxygen reduction mechanisms of platinum catalyst. Chinese Chemical Letters, 2025, 36(4): 110789-. doi: 10.1016/j.cclet.2024.110789

    9. [9]

      Yaofei ZhangJiani ChenHaotian HuJianghua HuangJiafeng WeiFukun BiXiaodong Zhang . Impact of residual ions on catalyst structure and catalytic performance: A review. Chinese Chemical Letters, 2026, 37(3): 111549-. doi: 10.1016/j.cclet.2025.111549

    10. [10]

      Yinghui PuYiming NiuTongtong GaoJunnan ChenBingsen Zhang . Ammonia-directed gas-metal-support interaction forming Ni3ZnN for efficient hydrogenation. Chinese Chemical Letters, 2026, 37(1): 111520-. doi: 10.1016/j.cclet.2025.111520

    11. [11]

      Zongyi HuangCheng GuoQuanxing ZhengHongliang LuPengfei MaZhengzhong FangPengfei SunXiaodong YiZhou Chen . Efficient photocatalytic biomass-alcohol conversion with simultaneous hydrogen evolution over ultrathin 2D NiS/Ni-CdS photocatalyst. Chinese Chemical Letters, 2024, 35(7): 109580-. doi: 10.1016/j.cclet.2024.109580

    12. [12]

      Shuang LiJiayu SunGuocheng LiuShuo ZhangZhong ZhangXiuli Wang . A new Keggin-type polyoxometallate-based bifunctional catalyst for trace detection and pH-universal photodegradation of phenol. Chinese Chemical Letters, 2024, 35(8): 109148-. doi: 10.1016/j.cclet.2023.109148

    13. [13]

      Yatian DengDao WangJinglan ChengYunkun ZhaoZongbao LiChunyan ZangJian LiLichao Jia . A new popular transition metal-based catalyst: SmMn2O5 mullite-type oxide. Chinese Chemical Letters, 2024, 35(8): 109141-. doi: 10.1016/j.cclet.2023.109141

    14. [14]

      Baokang GengXiang ChuLi LiuLingling ZhangShuaishuai ZhangXiao WangShuyan SongHongjie Zhang . High-efficiency PdNi single-atom alloy catalyst toward cross-coupling reaction. Chinese Chemical Letters, 2024, 35(7): 108924-. doi: 10.1016/j.cclet.2023.108924

    15. [15]

      Yanling YangZhenfa DingHuimin WangJianhui LiYanping ZhengHongquan GuoLi ZhangBing YangQingqing GuHaifeng XiongYifei Sun . Dynamic tracking of exsolved PdPt alloy/perovskite catalyst for efficient lean methane oxidation. Chinese Chemical Letters, 2024, 35(4): 108585-. doi: 10.1016/j.cclet.2023.108585

    16. [16]

      Hao WANGKun TANGJiangyang SHAOKezhi WANGYuwu ZHONG . Electro-copolymerized film of ruthenium catalyst and redox mediator for electrocatalytic water oxidation. Chinese Journal of Inorganic Chemistry, 2024, 40(11): 2193-2202. doi: 10.11862/CJIC.20240176

    17. [17]

      Kexin YinJingren YangYanwei LiQian LiXing Xu . Metal-free diatomaceous carbon-based catalyst for ultrafast and anti-interference Fenton-like oxidation. Chinese Chemical Letters, 2024, 35(12): 109847-. doi: 10.1016/j.cclet.2024.109847

    18. [18]

      Ming-Zhen LiYang ZhangKun LiYa-Nan ShangYi-Zhen ZhangYu-Jiao KanZhi-Yang JiaoYu-Yuan HanXiao-Qiang CaoIn situ regeneration of catalyst for Fenton-like degradation by photogenerated electron transportation: Characterization, performance and mechanism comparison. Chinese Chemical Letters, 2025, 36(1): 109885-. doi: 10.1016/j.cclet.2024.109885

    19. [19]

      Meng WangYan ZhangYunbo YuWenpo ShanHong He . High-temperature calcination dramatically promotes the activity of Cs/Co/Ce-Sn catalyst for soot oxidation. Chinese Chemical Letters, 2025, 36(1): 109928-. doi: 10.1016/j.cclet.2024.109928

    20. [20]

      Gang HuChun WangQinqin WangMingyuan ZhuLihua Kang . The controlled oxidation states of the H4PMo11VO40 catalyst induced by plasma for the selective oxidation of methacrolein. Chinese Chemical Letters, 2025, 36(2): 110298-. doi: 10.1016/j.cclet.2024.110298

Metrics
  • PDF Downloads(4)
  • Abstract views(1244)
  • HTML views(158)

通讯作者: 陈斌, bchen63@163.com
  • 1. 

    沈阳化工大学材料科学与工程学院 沈阳 110142

  1. 本站搜索
  2. 百度学术搜索
  3. 万方数据库搜索
  4. CNKI搜索
Address:Zhongguancun North First Street 2,100190 Beijing, PR China Tel: +86-010-82449177-888
Powered By info@rhhz.net

/

DownLoad:  Full-Size Img  PowerPoint
Return