Citation: ZHANG Feng, SUN Hao, ZHANG Jian-shu, YAN Shuai, QU Xuan, ZHANG Rong, BI Ji-cheng. Effect of dispersion degree of iron on catalytic hydrogasification of coal char[J]. Journal of Fuel Chemistry and Technology, ;2019, 47(4): 402-410. shu

Effect of dispersion degree of iron on catalytic hydrogasification of coal char

  • Corresponding author: ZHANG Jian-shu, zjschem@163.com
  • Received Date: 6 December 2018
    Revised Date: 2 February 2019

    Fund Project: The project was supported by the National Natural Science Foundation of China (U1703253)the National Natural Science Foundation of China U1703253

Figures(9)

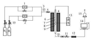
  • The effect of dispersibility of Fe on coal chars with different specific surface areas on the catalytic hydrogasification performance was studied in a pressurized fixed bed reactor. The chars and catalysts were characterized by XRD, BET, H2-TPR, FT-IR, TEM and Raman spectroscopy. The results show that the active site and graphitization degree of coal char are not the only factors affecting the catalytic gasification reaction, but the dispersion of catalyst has a greater impact on the reaction. The larger the specific surface area of coal char is, the more uniform the Fe catalyst disperses on the surface of coal char and the smaller the average grain size of the active component of catalyst is, which can promote the formation of the catalytically hydrogenated mesophase product Fe3C and methane yield. For 900-char with higher specific surface area, the methane yield can reach 53% when the hydrogen pressure is 2 MPa, the temperature is 750℃ and the Fe loading is 5%. The effect of Fe catalyst loading on the catalytic hydrogasification was investigated with 900-char. It is found that the methane yield increases first and then decreases, and the Fe loading has a saturation point.
  • 加载中
    1. [1]

      HONG Bing-qing, ZHAN Shu-peng, WANG Xing-jun, WANG Fu-cheng, YU Guang-suo. Experimental study on Hohhot coal hydrogasification catalysed by different metal compounds[J]. J Fuel Chem Technol, 2012,40(7):782-789. doi: 10.3969/j.issn.0253-2409.2012.07.003 

    2. [2]

      JIANG J, LIU Z, LIU Q. Synergetic catalysis of calcium oxide and iron in hydrogasification of char[J]. Energy Fuels, 2017,31:198-204. doi: 10.1021/acs.energyfuels.6b02026

    3. [3]

      OHTSUKA Y, TAMAI Y, TOMITA A. Iron-catalyzed gasification of brown coal at low temperatures[J]. Energy Fuels, 1987,1(1):32-36. doi: 10.1021/ef00001a006

    4. [4]

      MATSUMOTO S. Catalyzed hydrogasification of Yallourn char in the presence of supported hydrogenation nickel catalyst[J]. Energy Fuels, 1991,5(1):60-63. doi: 10.1021/ef00025a009

    5. [5]

      MATSUMOTO S, SAKAGAMI S. Catalytic gasification activity of iron enhanced by spilt-over hydrogen[J]. Stud Surf Sci Catal, 1993,77:409-412. doi: 10.1016/S0167-2991(08)63223-1

    6. [6]

      YAN S, BI J, QU X. The behavior of catalysts in hydrogasification of sub-bituminous coal in pressured fluidized bed[J]. Appl Energy, 2017,206:401-412. doi: 10.1016/j.apenergy.2017.08.189

    7. [7]

      HAGA T, NISHIYAMA Y. Promotion of iron-group catalysts by a calcium salt in hydrogasification of carbons at elevated pressures[J]. Ind Eng Chem Res, 1987,26:1202-1206. doi: 10.1021/ie00066a023

    8. [8]

      YUAN S, ZHANG N, QU X, BI J, CAO Q, WANG J. Promoted catalysis of calcium on the hydrogasification reactivity of iron-loaded subbituminous coal[J]. Fuel, 2017,200:153-161. doi: 10.1016/j.fuel.2017.03.066

    9. [9]

      YUAN S, QU X, ZHANG R, BI J. Effect of calcium additive on product yields in hydrogasification of nickel-loaded Chinese sub-bituminous coal[J]. Fuel, 2015,147:133-140. doi: 10.1016/j.fuel.2015.01.004

    10. [10]

      SUZUKI T, MINAMI H, YAMADA T, HOMMA T. Catalytic activities of ion-exchanged nickel and iron in low temperature hydrogasification of raw and modified birch chars[J]. Fuel, 1994,73(12):1836-1841. doi: 10.1016/0016-2361(94)90208-9

    11. [11]

      ASAMI K, OHTSUKA Y. Catalytic behavior of iron in the gasification of coal with hydrogen[J]. Stud Surf Sci Catal, 1993,77:413-416. doi: 10.1016/S0167-2991(08)63224-3

    12. [12]

      JAWHARI T, ROID A, CASADO J. Raman spectroscopic characterization of some commercially available carbon black materials[J]. Carbon, 1995,33(11):1561-1565. doi: 10.1016/0008-6223(95)00117-V

    13. [13]

      BEYSSAC O, GOFFÉ B, PETITET J P, FROIGNEUX E, MOREAU M, ROUZAUD J N. On the characterization of disordered and heterogeneous carbonaceous materials by Raman spectroscopy[J]. Spectrochim Acta A, 2003,59(10):2267-2276. doi: 10.1016/S1386-1425(03)00070-2

    14. [14]

      CHABALALA V P, WAGNER N, POTGIETER-VERMAAK S. Investigation into the evolution of char structure using Raman spectroscopy in conjunction with coal petrography; Part1[J]. Fuel Process Technol, 2011,92(4):750-756. doi: 10.1016/j.fuproc.2010.09.006

    15. [15]

      HE X, ZHANG X, JIAO Y, ZHU J S, CHEN X W, LI C Y, LI H S. Complementary analyses of infrared transmission and diffuse reflection spectra of macerals in low-rank coal and application in triboelectrostatic enrichment of active maceral[J]. Fuel, 2017,192:93-101. doi: 10.1016/j.fuel.2016.12.009

    16. [16]

      LI Na, LI Yang, BAN Yan-peng, SONG Yin-min, ZHOU Hua-cong, ZHI Ke-rui, HE Run-xia, TENG Ying-yue, YANG Ke-li, LIU Quan-sheng. Analysis of active microstructure during steam gasification of Shengli char catalyzed by calcium component[J]. J Fuel Chem Technol, 2016,44(11):1297-303. doi: 10.3969/j.issn.0253-2409.2016.11.003 

    17. [17]

      HASEGAWA Y, OTANI R, YONEZAWA S, TAKASHIM M. Reaction between carbon dioxide and elementary fluorine[J]. J Fluorine Chem, 2008,128(1):17-28.  

    18. [18]

      LIU L, CAO Y, LIU Q. Kinetics studies and structure characteristics of coal char under pressurized CO2gasification conditions[J]. Fuel, 2015,146:103-110. doi: 10.1016/j.fuel.2015.01.002

    19. [19]

      KLOSE W, WÖLKI M. On the intrinsic reaction rate of biomass char gasification with carbon dioxide and steam[J]. Fuel, 2005,84(7):885-892.  

    20. [20]

      MCKEE D W. Effect of metallic impurities on the gasification of graphite in water vapor and hydrogen[J]. Carbon, 1974,12(4):453-464. doi: 10.1016/0008-6223(74)90011-6

    21. [21]

      CHEN Z, WANG F, LI H, YANG Q, WANG L, LI X. Low-temperature selective catalytic reduction of NOx with NH3over Fe-Mn mixed-oxide catalysts containing Fe3Mn3O8 phase[J]. Ind Eng Chem Res, 2012,51(1):202-212. doi: 10.1021/ie201894c

    22. [22]

      PINEAU A, KANARI N, GABALLAH I. Kinetics of reduction of iron oxides by H2:Part I:Low temperature reduction of hematite[J]. Thermochim Acta, 2006,447(1):89-100. doi: 10.1016/j.tca.2005.10.004

    23. [23]

      MATSUMOTO S, JR P L W. char gasification in steam at 1123 K catalyzed by K, Na, Ca and Fe-effect of H2, H2S and COS[J]. Carbon, 1986,24(3):277-285. doi: 10.1016/0008-6223(86)90228-9

    24. [24]

      LECEA S M D, ALMELA-ALARCÍN M, LINARES-SOLANO A. Calcium-catalysed carbon gasification in CO2 and steam[J]. Fuel, 1990,69(1):21-27. doi: 10.1016/0016-2361(90)90253-M

    25. [25]

      ZHAN Shu-peng, WANG Xing-jun, HONG Bing-qing, YU Guang-suo, WANG Fu-cheng. Experimental study on catalytic hydrogasification of lignite[J]. J Fuel Chem Technol, 2012,40(1):8-14. doi: 10.3969/j.issn.0253-2409.2012.01.002 

  • 加载中
    1. [1]

      Qiuping Liu Yongxian Fan Wenxian Chen Mengdi Wang Mei Mei Genrong Qiang . Design of Ideological and Political Education for the Preparation Experiment of Ferrous Sulfate. University Chemistry, 2024, 39(2): 116-120. doi: 10.3866/PKU.DXHX202309083

    2. [2]

      Yongxin LIUXingchen LIHongjia LIUDanni LITao ZHANGXi CHEN . Enhancement effect of Fe3O4 conversion to MIL-100(Fe) on activation of persulfate for degradation of antibiotic. Chinese Journal of Inorganic Chemistry, 2025, 41(12): 2503-2513. doi: 10.11862/CJIC.20250169

    3. [3]

      Ran YuChen HuRuili GuoRuonan LiuLixing XiaCenyu YangJianglan Shui . Catalytic Effect of H3PW12O40 on Hydrogen Storage of MgH2. Acta Physico-Chimica Sinica, 2025, 41(1): 100001-0. doi: 10.3866/PKU.WHXB202308032

    4. [4]

      Xiaogang Liu Mengyu Chen Yanyan Li Xiantao Ma . Experimental Reform in Applied Chemistry for Cultivating Innovative Competence: A Case Study of Catalytic Hydrogen Production from Liquid Formaldehyde Reforming at Room Temperature. University Chemistry, 2025, 40(7): 300-307. doi: 10.12461/PKU.DXHX202408007

    5. [5]

      Wenjuan SHIYuke LUXiuyuan LILei HOUYaoyu WANG . Mg(Ⅱ) metal-organic frameworks based on biphenyltetracarboxylic acid: Synthesis and CO2 adsorption and catalytic conversion performance. Chinese Journal of Inorganic Chemistry, 2025, 41(12): 2455-2463. doi: 10.11862/CJIC.20250220

    6. [6]

      Shiyan Cheng Yonghong Ruan Lei Gong Yumei Lin . Research Advances in Friedel-Crafts Alkylation Reaction. University Chemistry, 2024, 39(10): 408-415. doi: 10.12461/PKU.DXHX202403024

    7. [7]

      Tong WANGQinyue ZHONGQiong HUANGWeimin GUOXinmei LIU . Mn-doped carbon quantum dots/Fe-doped ZnO flower-like microspheres heterojunction: Construction and photocatalytic performance. Chinese Journal of Inorganic Chemistry, 2025, 41(8): 1589-1600. doi: 10.11862/CJIC.20250011

    8. [8]

      Feifei YangWei ZhouChaoran YangTianyu ZhangYanqiang Huang . Enhanced Methanol Selectivity in CO2 Hydrogenation by Decoration of K on MoS2 Catalyst. Acta Physico-Chimica Sinica, 2024, 40(7): 2308017-0. doi: 10.3866/PKU.WHXB202308017

    9. [9]

      Siyu HOUWeiyao LIJiadong LIUFei WANGWensi LIUJing YANGYing ZHANG . Preparation and catalytic performance of magnetic nano iron oxide by oxidation co-precipitation method. Chinese Journal of Inorganic Chemistry, 2024, 40(8): 1577-1582. doi: 10.11862/CJIC.20230469

    10. [10]

      Xichen YAOShuxian WANGYun WANGCheng WANGChuang ZHANG . Oxygen reduction performance of self?supported Fe/N/C three-dimensional aerogel catalyst layers. Chinese Journal of Inorganic Chemistry, 2025, 41(7): 1387-1396. doi: 10.11862/CJIC.20240384

    11. [11]

      Xueqi YangJuntao ZhaoJiawei YeDesen ZhouTingmin DiJun Zhang . 调节NNU-55(Fe)的d带中心以增强CO2吸附和光催化活性. Acta Physico-Chimica Sinica, 2025, 41(7): 100074-0. doi: 10.1016/j.actphy.2025.100074

    12. [12]

      Chunchun WangChangjun YouKe RongChuqi ShenFang YangShijie Li . An S-Scheme MIL-101(Fe)-on-BiOCl Heterostructure with Oxygen Vacancies for Boosting Photocatalytic Removal of Cr(Ⅵ). Acta Physico-Chimica Sinica, 2024, 40(7): 2307045-0. doi: 10.3866/PKU.WHXB202307045

    13. [13]

      Tong WUYi ZHONGWeimin ZHAOHong XUZhiping MAOLinping ZHANG . BiOBr/NH2-MIL-101(Fe): Preparation and performance on photocatalytic reduction of CO2. Chinese Journal of Inorganic Chemistry, 2025, 41(9): 1765-1775. doi: 10.11862/CJIC.20250103

    14. [14]

      Yue Zhao Yanfei Li Tao Xiong . Copper Hydride-Catalyzed Nucleophilic Additions of Unsaturated Hydrocarbons to Aldehydes and Ketones. University Chemistry, 2024, 39(4): 280-285. doi: 10.3866/PKU.DXHX202309001

    15. [15]

      Wenlong LIXinyu JIAJie LINGMengdan MAAnning ZHOU . Photothermal catalytic CO2 hydrogenation over a Mg-doped In2O3-x catalyst. Chinese Journal of Inorganic Chemistry, 2024, 40(5): 919-929. doi: 10.11862/CJIC.20230421

    16. [16]

      Qinhui GuanYuhao GuoNa LiJing LiTingjiang Yan . Molecular sieve-mediated indium oxide catalysts for enhancing photocatalytic CO2 hydrogenation. Acta Physico-Chimica Sinica, 2025, 41(11): 100133-0. doi: 10.1016/j.actphy.2025.100133

    17. [17]

      Hao XURuopeng LIPeixia YANGAnmin LIUJie BAI . Regulation mechanism of halogen axial coordination atoms on the oxygen reduction activity of Fe-N4 site: A density functional theory study. Chinese Journal of Inorganic Chemistry, 2025, 41(4): 695-701. doi: 10.11862/CJIC.20240302

    18. [18]

      Lijuan Liu Xionglei Wang . Preparation of Hydrogels from Waste Thermosetting Unsaturated Polyester Resin by Controllable Catalytic Degradation: A Comprehensive Chemical Experiment. University Chemistry, 2024, 39(11): 313-318. doi: 10.12461/PKU.DXHX202403060

    19. [19]

      Yanan Liu Yufei He Dianqing Li . Preparation of Highly Dispersed LDHs-based Catalysts and Testing of Nitro Compound Reduction Performance: A Comprehensive Chemical Experiment for Research Transformation. University Chemistry, 2024, 39(8): 306-313. doi: 10.3866/PKU.DXHX202401081

    20. [20]

      Shuhong XiangLv YangYingsheng XuGuoxin CaoHongjian Zhou . Selective electrosorption of Cs(Ⅰ) from high-salinity radioactive wastewater using CNT-interspersed potassium zinc ferrocyanide electrodes. Acta Physico-Chimica Sinica, 2025, 41(9): 100097-0. doi: 10.1016/j.actphy.2025.100097

Metrics
  • PDF Downloads(6)
  • Abstract views(854)
  • HTML views(80)

通讯作者: 陈斌, bchen63@163.com
  • 1. 

    沈阳化工大学材料科学与工程学院 沈阳 110142

  1. 本站搜索
  2. 百度学术搜索
  3. 万方数据库搜索
  4. CNKI搜索
Address:Zhongguancun North First Street 2,100190 Beijing, PR China Tel: +86-010-82449177-888
Powered By info@rhhz.net

/

DownLoad:  Full-Size Img  PowerPoint
Return