Citation: LUO An-qi, ZHU Ping, ZHANG Jian-shu, QU Xuan, ZHANG Rong, BI Ji-cheng, ZHANG Jin-li. Effect of atmosphere on sodium migration during conversion of high sodium coals[J]. Journal of Fuel Chemistry and Technology, ;2018, 46(5): 513-520. shu

Effect of atmosphere on sodium migration during conversion of high sodium coals

  • Corresponding author: ZHANG Jian-shu, zjschem@163.com
  • Received Date: 18 January 2018
    Revised Date: 28 March 2018

    Fund Project: the National Natural Science Foundation of China 21566033the National Natural Science Foundation of China U1703253The project was supported by the National Natural Science Foundation of China (21566033, U1703253)

Figures(8)

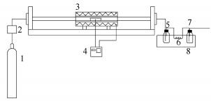
  • The sodium release and transformation of Yili (YL) and Hutubi (HTB) coal were examined at different temperatures under N2, CO2 and H2O atmospheres. By using sequential extraction and wet digestion separately, the occurrence mode and content of sodium in raw coal and chars were measured. The migration of sodium in two coals was studied qualitatively and quantitatively. The results show that water soluble sodium in YL coal accounts for 80.08%, while in HTB, insoluble sodium is 61.54%. The volatilization of sodium in two coals increases with increasing temperature. Water soluble sodium in semi coke shows a decrease trend; ammonium acetate soluble sodium increases and then decreases; hydrochloric acid soluble sodium exhibits an increasing tendency. For YL volatilization of sodium is inhibited by CO2 while it is promoted by H2O compared with N2. At 900℃ volatilization of sodium under CO2 and H2O is 50.25% and 111.45%, respectively, of that under N2. CO2 atmosphere can inhibit volatilization of sodium in HTB. At 900℃ volatilized sodium under CO2 is 80.91% of that under N2. In H2O atmosphere, volatilization of sodium is higher than that in N2 before 800℃ and slightly lower than that in N2 at 900℃. The predominant sodium in YL coal is water soluble which volatilized during increasing temperature and transformed to hydrochloric acid soluble and insoluble sodium simultaneously. While for HTB, insoluble sodium is the dominant occurrence mode, followed by water soluble one. CO2 and H2O can promote transformation of insoluble sodium to soluble one in HTB coal.
  • 加载中
    1. [1]

      WANG Ming-hua, NING Cheng-hao, LI Rui-feng. Research on the development status and key issues of Xinjiang modern coal-chemistry industry and it's suggestions in the thirteenth Five-Year[J]. China Coal, 2017,43(2):5-10.  

    2. [2]

      WANG X B, XU Z X, WEI B, ZHANG L, TAN H Z, YANG T, MIKULĆIĆ H, DUIĆ N. The ash deposition mechanism in boilers burning Zhundong coal with high contents of sodium and calcium:A study from ash evaporating to condensing[J]. Appl Thermal Eng, 2015,80:150-159. doi: 10.1016/j.applthermaleng.2015.01.051

    3. [3]

      CHEN L, LI J H, GE M F. The poisoning effect of alkali metals doping over nano V2O5-WO3/TiO2 catalysts on selective catalytic reduction of NOx by NH3[J]. Chem Eng J, 2011,170(2):531-537.  

    4. [4]

      WANG C A, JIN X, WANG Y K, YAN Y, CUI J, LIU Y H, CHE D F. Release and transformation of sodium during pyrolysis of Zhundong coals[J]. Energy Fuels, 2015,29(1):78-85. doi: 10.1021/ef502128s

    5. [5]

      SHIMOGORI M, MINE T, OHYATSU N, TAKARAYAMA N, MATSUMURA Y. Effects of fine ash particles and alkali metals on ash deposition characteristics at the initial stage of ash deposition determined in 1.5MWth pilot plant tests[J]. Fuel, 2012,97:233-240. doi: 10.1016/j.fuel.2012.01.036

    6. [6]

      SONG Wei-jian, SONG Guo-liang, QI Xiao-bin, LÜ Qing-gang. Effect of pretreatment methods on the determination of alkali metal content in high alkali metal Zhundong coal[J]. J Fuel Chem Technol, 2016,44(2):162-167.  

    7. [7]

      PETTERSSON A, ZEVENHOVEN M, STEENARI B M, ÅMAND L E. Application of chemical fractionation methods for characterisation of biofuels, waste derived fuels and CFB co-combustion fly ashes[J]. Fuel, 2008,87(15):3183-3193.  

    8. [8]

      JORDAN C A, AKAY G. Speciation and distribution of alkali, alkali earth metals and major ash forming elements during gasification of fuel cane bagasse[J]. Fuel, 2012,91(1):253-263. doi: 10.1016/j.fuel.2011.05.031

    9. [9]

      SPIRO C L, WONG J, LYTLE F W, GREEGOR R B, MAYLOTTE D H, LAMSON S H. Forms of potassium in coal and its combustion products[J]. Fuel, 1986,65(3):327-336. doi: 10.1016/0016-2361(86)90291-7

    10. [10]

      BENSON S A, HOLM P L. Comparison of inorganics in three low-rank coals[J]. Ind Eng Chem Prod Res Dev, 1985,24(1):145-149. doi: 10.1021/i300017a027

    11. [11]

      LIU Da-hai, ZHANG Shou-yu, TU Sheng-kang, JIN Tao, SHI Deng-yu, PEI Yu-feng. Transformation of sodium during Wucaiwan coal pyrolysis[J]. J Fuel Chem Technol, 2014,42(10):1190-1196. doi: 10.3969/j.issn.0253-2409.2014.10.006 

    12. [12]

      CHEN Chuan, ZHANG Shou-yu, LIU Da-hai, GUO Xi, DONG Ai-xia, XIONG Shao-wu, SHI Da-zhong, LÜ Jun-fu. Existence form of sodium in high sodium coals from Xinjiang and its effect on combustion process[J]. J Fuel Chem Technol, 2013,41(7):832-838.  

    13. [13]

      XU Yan-hui. The transformation of inorganic sodium and it's effect on the products during the pyrolysis of zhundong coal[D]. Harbin: Harbin Institute of Technology, 2015. 

    14. [14]

      GUO Shuai, JIANG Yun-feng, XIONG Qing-an, SONG Shuang-shuang, ZHAO Jian-tao, FANG Yi-tian. Release and transformation behaviors of sodium species with different occurrence modes during pyrolysis of Zhundong coal[J]. J Fuel Chem Technol, 2017,45(3):257-264.  

    15. [15]

      YAO Yu-xiang, JIN Jing, ZHONG Cheng-peng, WANG Yong-chen, GAO Shan-shan, ZHAO Qing-qing. Occurrence mode and volatilization characteristic of sodium in Zhundong coal[J]. Coal Convers, 2016,39(1):1-5.  

    16. [16]

      ZHANG Jun, HAN Chun-li, YAN Zheng, YU Gang, LIU Kun-lei, XU Yi-qian. Experimental studies on the behavior of sodium of coal in the initial stage of combustion[J]. J Fuel Chem Technol, 2001,29(1):49-53.  

    17. [17]

      WANG Wen-hui, JIA Bao-yu, YAO Hong, LI Xia. An investigation of sodium transformation in Zhundong coal during pyrolysis[J]. J Eng Thermophys-Rus, 2015,36(12):2733-2737.  

    18. [18]

      HE Y, QIU K Z, WHIDDON R, WANG Z H, ZHU Y Q, LIU Y Z, LI Z S, CEN K F. Release characteristic of different classes of sodium during combustion of Zhun-Dong coal investigated by laser-induced breakdown spectroscopy[J]. Sci Bull, 2015,60(22):1927-1934. doi: 10.1007/s11434-015-0922-9

    19. [19]

      ZHANG L, JIAO F, BINNER E, BHATTACHARYA S, NINOMIYA Y, LI C Z. Experimental investigation of the combustion of bituminous coal in air and O2/CO2 mixtures:2. Variation of the transformation behaviour of mineral matter with bulk gas composition[J]. Fuel, 2011,90(4):1361-1369. doi: 10.1016/j.fuel.2011.01.012

    20. [20]

      ENDERS M, WILLENBORG W, ALBRECHT J, PUTNIS A. Alkali retention in hot coal slag under controlled oxidizing gas atmospheres (air-CO2)[J]. Fuel Process Technol, 2000,68(1):57-73. doi: 10.1016/S0378-3820(00)00110-7

    21. [21]

      KOSMINSKI A, ROSS D P, AGNEW J B. Transformations of sodium during gasification of low-rank coal[J]. Fuel Process Technol, 2006,87(11):943-952. doi: 10.1016/j.fuproc.2005.06.006

    22. [22]

      SCHAFER H N S. Chapter 7-Functional groups and ion exchange properties[J]. Sci Vict Brown Coal, 1991:323-357.  

    23. [23]

      MCKEE D W, SPIRO C L, KOSKY P G, LAMBY E J. Catalysis of coal char gasification by alkali metal salts[J]. Fuel, 1983,62(2):217-220. doi: 10.1016/0016-2361(83)90202-8

    24. [24]

      LI X, HAYASHI J I, LI C Z. Volatilisation and catalytic effects of alkali and alkaline earth metallic species during the pyrolysis and gasification of Victorian brown coal. Part Ⅶ. Raman spectroscopic study on the changes in char structure during the catalytic gasification in air[J]. Fuel, 2006,85(10):1509-1517.  

    25. [25]

      SATHE C, HAYASHI J I, LI C Z, CHIBA T. Release of alkali and alkaline earth metallic species during rapid pyrolysis of a Victorian brown coal at elevated pressures[J]. Fuel, 2003,82(12):1491-1497. doi: 10.1016/S0016-2361(03)00070-X

    26. [26]

      MCKEE D W, SPIRO C L, KOSKY P G, LAMBY E J. Catalysis of coal char gasification by alkali metal salts[J]. Fuel, 1983,62(2):217-220. doi: 10.1016/0016-2361(83)90202-8

    27. [27]

      SHEN Wen-qin, XIONG Li-hong, SHA Xing-zhong. Formation and removal of gaseous alkali metal of hot gas[J]. Gas Heat, 1998,18(6):3-5.  

    28. [28]

      HU Tian-xi, YU Jian-guo. Experimental study on decomposition of K-feldspar with CaCl2 and NaCl for extraction of potassium[J]. Chin J Process Eng, 2010,10(4):701-705.  

    29. [29]

      WANG Yu-jiang, YU Gui-yu, DENG Min, TANG Ming-shu. Thermodynamic analysis of alkaline mineral dissolution in alkali solution[J]. J Chin Ceramic Soc, 2006,34(3):345-352.  

    30. [30]

      WEI X F, HUANG J J, LIU T F, FANG Y T, WANG Y. Transformation of alkali metals during pyrolysis and gasification of a lignite[J]. Energy Fuels, 2008,22(3):1840-1844. doi: 10.1021/ef7007858

  • 加载中
    1. [1]

      Zhanxiang Liu Chengshan Yuan Jie Han Shuanglian Cai Qihan Zhang Lin Wu Yuan Zheng Xingwen Sun Qingwen Liu Ying Xiong Guangao Yu Xin Du Houjin Li Jianrong Zhang Shuyong Zhang . Recommendations for Basic Operations and Standards for Organic Chemical Extraction and Washing Experiments. University Chemistry, 2025, 40(5): 55-65. doi: 10.12461/PKU.DXHX202410039

    2. [2]

      Lihui Jiang Wanrong Dong Hua Yang Yongqing Xia Hongjian Peng Jun Yuan Xiaoqian Hu Zihan Zeng Yingping Zou Yiming Luo . Study on Extraction of p-Hydroxyacetophenone. University Chemistry, 2024, 39(11): 259-268. doi: 10.12461/PKU.DXHX202402056

    3. [3]

      Shanghua LiMalin LiXiwen ChiXin YinZhaodi LuoJihong Yu . High-Stable Aqueous Zinc Metal Anodes Enabled by an Oriented ZnQ Zeolite Protective Layer with Facile Ion Migration Kinetics. Acta Physico-Chimica Sinica, 2025, 41(1): 100003-0. doi: 10.3866/PKU.WHXB202309003

    4. [4]

      Siwei Hou Yaxin Niu Guanglu Zhang Yanmei Yang Xu Wang Zhenzhen Chen . Application of Solid-Phase Microextraction and Mass Spectrometry in Environmental Detection. University Chemistry, 2026, 41(3): 297-306. doi: 10.12461/PKU.DXHX202504078

    5. [5]

      Zhicheng JUWenxuan FUBaoyan WANGAo LUOJiangmin JIANGYueli SHIYongli CUI . MOF-derived nickel-cobalt bimetallic sulfide microspheres coated by carbon: Preparation and long cycling performance for sodium storage. Chinese Journal of Inorganic Chemistry, 2025, 41(4): 661-674. doi: 10.11862/CJIC.20240363

    6. [6]

      Dongqi Cai Fuping Tian Zerui Zhao Yanjuan Zhang Yue Dai Feifei Huang Yu Wang . Exploration of Factors Influencing the Determination of Ion Migration Number by Hittorf Method. University Chemistry, 2024, 39(4): 94-99. doi: 10.3866/PKU.DXHX202310031

    7. [7]

      Jiayu Tang Jichuan Pang Shaohua Xiao Xinhua Xu Meifen Wu . Improvement for Measuring Transference Numbers of Ions by Moving-Boundary Method. University Chemistry, 2024, 39(5): 193-200. doi: 10.3866/PKU.DXHX202311021

    8. [8]

      Rui LiHuan LiuYinan JiaoShengjian QinJie MengJiayu SongRongrong YanHang SuHengbin ChenZixuan ShangJinjin Zhao . Emerging Irreversible and Reversible Ion Migrations in Perovskites. Acta Physico-Chimica Sinica, 2024, 40(11): 2311011-0. doi: 10.3866/PKU.WHXB202311011

    9. [9]

      Shuang WangXiaoqi FuShanshan Yao . Synergistic optimization of ion migration and electron transfer in sodium-ion battery cathode materials. Acta Physico-Chimica Sinica, 2026, 42(5): 100206-0. doi: 10.1016/j.actphy.2025.100206

    10. [10]

      Wenwei Zhang Yiru Wang Chanzi Ruan Juanjuan Song Yongxian Fan Houjin Li Dongcheng Liu Yanping Ren Xiuqiong Zeng Faqiong Zhao Mei Shi Min Hu Wan Li Xiuyun Wang Weihong Li Xiaohang Qiu Yong Fan Jianrong Zhang Shuyong Zhang . Suggestions on Heating and Heating Instruments (Part III): Indirect Heating and the Use of Thermal Baths (Water Bath, Oil Bath, Metal Bath and Sand Bath). University Chemistry, 2026, 41(3): 163-171. doi: 10.12461/PKU.DXHX202507039

    11. [11]

      Zunxiang Zeng Yuling Hu Yufei Hu Hua Xiao . Analysis of Plant Essential Oils by Supercritical CO2Extraction with Gas Chromatography-Mass Spectrometry: An Instrumental Analysis Comprehensive Experiment Teaching Reform. University Chemistry, 2024, 39(3): 274-282. doi: 10.3866/PKU.DXHX202309069

    12. [12]

      Yanhui Zhong Ran Wang Zian Lin . Analysis of Halogenated Quinone Compounds in Environmental Water by Dispersive Solid-Phase Extraction with Liquid Chromatography-Triple Quadrupole Mass Spectrometry. University Chemistry, 2024, 39(11): 296-303. doi: 10.12461/PKU.DXHX202402017

    13. [13]

      Ronghao Zhao Yifan Liang Mengyao Shi Rongxiu Zhu Dongju Zhang . Investigation into the Mechanism and Migratory Aptitude of Typical Pinacol Rearrangement Reactions: A Research-Oriented Computational Chemistry Experiment. University Chemistry, 2024, 39(4): 305-313. doi: 10.3866/PKU.DXHX202309101

    14. [14]

      Rohit KumarAnita SudhaikAftab Asalam Pawaz KhanVan Huy NeguyenArchana SinghPardeep SinghSourbh ThakurPankaj Raizada . Designing tandem S-scheme photo-catalytic systems: Mechanistic insights, characterization techniques, and applications. Acta Physico-Chimica Sinica, 2025, 41(11): 100150-0. doi: 10.1016/j.actphy.2025.100150

    15. [15]

      Min Hu Yinghuan Li Yanhong Bai Yanping Ren Juanjuan Song Yongxian Fan Dongcheng Liu Xiuqiong Zeng Faqiong Zhao Wenwei Zhang Mei Shi Wan Li Xiuyun Wang Weihong Li Xiaohang Qiu Yong Fan Jianrong Zhang Shuyong Zhang . Suggestions on the Method of Hydrothermal-Solventthermal Synthesis and Their Operation Standards. University Chemistry, 2026, 41(3): 208-215. doi: 10.12461/PKU.DXHX202507034

    16. [16]

      Xiuyun Wang Jiashuo Cheng Yiming Wang Haoyu Wu Yan Su Yuzhuo Gao Xiaoyu Liu Mingyu Zhao Chunyan Wang Miao Cui Wenfeng Jiang . Improvement of Sodium Ferric Ethylenediaminetetraacetate (NaFeEDTA) Iron Supplement Preparation Experiment. University Chemistry, 2024, 39(2): 340-346. doi: 10.3866/PKU.DXHX202308067

    17. [17]

      Zhuo WANGXiaotong LIZhipeng HUJunqiao PAN . Three-dimensional porous carbon decorated with nano bismuth particles: Preparation and sodium storage properties. Chinese Journal of Inorganic Chemistry, 2025, 41(2): 267-274. doi: 10.11862/CJIC.20240223

    18. [18]

      Kexin YanZhaoqi YeLingtao KongHe LiXue YangYahong ZhangHongbin ZhangYi Tang . Seed-Induced Synthesis of Disc-Cluster Zeolite L Mesocrystals with Ultrashort c-Axis: Morphology Control, Decoupled Mechanism, and Enhanced Adsorption. Acta Physico-Chimica Sinica, 2024, 40(9): 2308019-0. doi: 10.3866/PKU.WHXB202308019

    19. [19]

      Xiaoning TANGJunnan LIUXingfu YANGJie LEIQiuyang LUOShu XIAAn XUE . Effect of sodium alginate-sodium carboxymethylcellulose gel layer on the stability of Zn anodes. Chinese Journal of Inorganic Chemistry, 2024, 40(8): 1452-1460. doi: 10.11862/CJIC.20240191

    20. [20]

      Xue XiaoJiachun LiXiangtong MengJieshan Qiu . Sulfur-Doped Carbon-Coated Fe0.95S1.05 Nanospheres as Anodes for High-Performance Sodium Storage. Acta Physico-Chimica Sinica, 2024, 40(6): 2307006-0. doi: 10.3866/PKU.WHXB202307006

Metrics
  • PDF Downloads(3)
  • Abstract views(1169)
  • HTML views(193)

通讯作者: 陈斌, bchen63@163.com
  • 1. 

    沈阳化工大学材料科学与工程学院 沈阳 110142

  1. 本站搜索
  2. 百度学术搜索
  3. 万方数据库搜索
  4. CNKI搜索
Address:Zhongguancun North First Street 2,100190 Beijing, PR China Tel: +86-010-82449177-888
Powered By info@rhhz.net

/

DownLoad:  Full-Size Img  PowerPoint
Return