Citation: SHU Yun, ZHANG Fan, WANG Fan, WANG Hong-mei, WANG Hong-chang. Biomass-derived activated carbon supported potassium catalyst for reduction of NOx in excess oxygen with higher selectivity[J]. Journal of Fuel Chemistry and Technology, ;2017, 45(6): 747-754. shu

Biomass-derived activated carbon supported potassium catalyst for reduction of NOx in excess oxygen with higher selectivity

  • Corresponding author: SHU Yun, shuyun@craes.org.cn
  • Received Date: 24 January 2017
    Revised Date: 31 March 2017

    Fund Project: the National Natural Science Foundation of China 21507119the Key Technology Research and Development Program of Qinghai Province 2012-J-144

Figures(6)

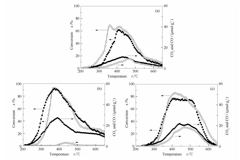
  • The selective reduction of NO in an oxygen-rich environment with biomass-derived activated carbon supported potassium catalyst was investigated. The. results show that in comparison with coal (lignite) based activated carbon supported potassium catalyst, biomass (sawdust) based activated carbon supported potassium catalyst exhibits a high selectivity for the reduction of NOx to N2, keeping a high and stable activity with NO reduction of about 80% during 2 h-isothermal experiment as well as a relatively low activity with the oxygen-carbon reaction of 18%. XRD, BET, XPS and TPD results indicate that the excellent catalytic performance of the biomass-derived activated carbon supported potassium catalyst is associated with the highly dispersion of active potassium species, which might result from the high surface area and the large amount of surface oxygen groups. Furthermore, the selective emission of CO2 with regard to CO is an additional benefit of using biomass-derived activated carbon as the support for NO reduction.
  • 加载中
    1. [1]

      LIU C, SHI J W, GAO C, NIU C M. Manganese oxide-based catalysts for low-temperature selective catalytic reduction of NOx with NH3:A review[J]. Appl Catal A:Gen, 2016,522:54-69. doi: 10.1016/j.apcata.2016.04.023

    2. [2]

      JIN Yun-zhou, QIAN Jun-lv, WU Yan-hui. Advances in preparation of catalysts by sol-gel method[J]. Ind Catal, 2006,14(11):60-63. doi: 10.3969/j.issn.1008-1143.2006.11.015

    3. [3]

      COSTA C N, EFSTATHIOU A M. Mechanistic aspects of the H2-SCR of NO on a novel Pt/MgO-CeO2 catalyst[J]. J Phys Chem C, 2007,111(7):3010-3020. doi: 10.1021/jp064952o

    4. [4]

      HEO L, KIM M K, SUNG S, NAM I, OLSON K L, LI W. Combination of photocatalysis and HC/SCR for improved activity and durability of DeNOx catalysts[J]. Environ Sci Technol, 2013,47(8):3657-3664. doi: 10.1021/es304188k

    5. [5]

      FANG Xiao-qing, FAN Chui-gang, DU Lin, SONG Wen-li, LIN Wei-gang, LI Song-geng. Reduction of nitric oxide in flue gas by coal char[J]. CIESC J, 2014,65(6):2249-2255.  

    6. [6]

      ILLÁN-GÓMEZ M J, SALINAS-MARTINEZ C, LINARES-SOLANO A. Potassium-containing coal chars as catalysts for NOx reduction in the presence of oxygen[J]. Energy Fuels, 1998,12:1256-1264. doi: 10.1021/ef980067w

    7. [7]

      BUENO-LÓPEZ A, GARCÍA-GARCÍA A, ILLÁN-GÓMEZ M J, LINARES-SOLANO A. Advances in potassium catalyzed NOx reduction by carbon materials:An overview[J]. Ind Eng Chem Res, 2007,46(12):3891-3907. doi: 10.1021/ie061005t

    8. [8]

      KORDYLEWSKI W, ZACHARCZUK W, HARDY T. The effect of the calcium in lignite on its effectiveness as a reburn fuel[J]. Fuel, 2005,84(9):1110-1115. doi: 10.1016/j.fuel.2004.10.014

    9. [9]

      ILLÁN-GÓMEZ M J, RAYMUNDO-PINERO E, GARCÍA-GARCÍA A, LINARES-SOLANO A, SALINAS-MARTINEZ C. Catalytic NOx reduction by carbon supporting metals[J]. Appl Catal B:Environ, 1999,20(4):267-275. doi: 10.1016/S0926-3373(98)00119-2

    10. [10]

      YAMASHITA H, YAMADA H, TOMITA A. Reaction of nitric oxide with metal-loaded carbon in the presence of oxygen[J]. Appl Catal, 1991,78(2).  

    11. [11]

      IMAI J, SOUMA M, SUZUKI T, RADOVIC L C. Reaction of dimerized NOx (x=1 or 2) with sulfur dioxide in a restricted slit-shaped micropore space[J]. J Phys Chem, 1991,95:9955-9960. doi: 10.1021/j100177a064

    12. [12]

      GARCÍA-GARCÓA A, CHINCHÓN-YEPES S, LINARES-SOLANO A, SALINAS-MARTINEZ C. NO reduction by potassium-containing coal briquettes Effect of mineral matter content and coal rank[J]. Energy Fuels, 1997,11(2):292-298. doi: 10.1021/ef9601327

    13. [13]

      ILLÁN-GÓMEZ M J, LINARES-SOLANO A, SALINAS-MARTINEZ C. NO reduction by activated carbon 6. catalysis by transition metal[J]. Energy Fuels, 1995,9(6):976-983. doi: 10.1021/ef00054a007

    14. [14]

      ZHANG Jun, LIN Xiao-fen, YIN Jia-min, FAN Zhi-lin, XU Yi-qian. Experimental research on the desulphurization performance of biomass char[J]. J Eng Therm, 2005,26(3):537-539.  

    15. [15]

      LU Ping, LU Fei, SHU Tong, WANG Qin-chao. Experimental study on adsorption characteristics of SO2 and NO using biomass-pyrolysis chars[J]. Proc CSEE, 2012,32(35):37-45.  

    16. [16]

      LIU Yang-xian, ZHANG Jun, SHENG Chang-dong, YUAN Shi-jie. New research progress in sorbents for removal of mercury in coal-fired flue gas[J]. Mod Chem Ind, 2008,28(11):19-23. doi: 10.3321/j.issn:0253-4320.2008.11.004

    17. [17]

      UTSUMI S, VALLEJOS-BURGOS F E, CAMPOS C M, PECCHIB G, RADOVIC L R. Preparation and characterization of inexpensive heterogeneous catalysts for air pollution control:Two case studies[J]. Catal Today, 2007,123(1/4):208-217.  

    18. [18]

      LI D, GAO S Q, SONG W L, XU G W. Experimental study of NO reduction over biomass char[J]. Fuel Process Technol, 2007,88(7):707-715. doi: 10.1016/j.fuproc.2007.02.005

    19. [19]

      ROSAS J M, RODRÍGUEZ-MIRASOL J, CORDERO T. NO reduction on carbon-supported chromium catalysts[J]. Energy Fuels, 2010,24(6):3321-3328. doi: 10.1021/ef901455v

    20. [20]

      SZYMANSKI G S, KARPINSKI Z, BINIAK S, SWIATKOWSKI A. The effect of the gradual thermal decomposition of surface oxygen species on the chemical and catalytic properties of oxidized activated carbon[J]. Carbon, 2002,40(14):2627-2639. doi: 10.1016/S0008-6223(02)00188-4

    21. [21]

      GARCÍA-GARCÍA A, ILLN-GÓMEZ M J, LINARES-SOLANO A, SALINAS-MARTINEZ C. Potassium-containing briquetted coal for the reduction of NO[J]. Fuel, 1997,76(6):499-505. doi: 10.1016/S0016-2361(97)00009-4

    22. [22]

      GILCHRIST J D. International Series on Materials Science and Technology[M]. London:Pergamon Press, 1980.

    23. [23]

      ILLÁN-GÓMEZ M J, LINARES-SOLANO A, LJUBISA R R, SALINAS-MARTINEZ C. NO reduction by activated carbons 2. Catalytic effect of potassium[J]. Energy Fuels, 1995,9(1):97-103. doi: 10.1021/ef00049a015

    24. [24]

      WU X, RADOVIC L R. Inhibition of catalytic oxidation of carbon/carbon composites by phosphorus[J]. Carbon, 2006,44(1):141-151. doi: 10.1016/j.carbon.2005.06.038

    25. [25]

      XUE Y, GUO Y, ZHANG Z, WANG Y, LU G. The role of surface properties of activated carbon in the catalytic reduction of NO by carbon[J]. Appl Surf Sci, 2008,255(5):2591-2595. doi: 10.1016/j.apsusc.2008.07.167

    26. [26]

      RADOVIC L R, SUAREZ A, VALLEJOS-BURGOS F, SOFO J O. Oxygen migration on the graphene surface2. Thermochemistry of basal-plane diffusion (hopping)[J]. Carbon, 2011,49(13):4226-4238. doi: 10.1016/j.carbon.2011.05.037

    27. [27]

      BUENO-LÓPEZ A, GARCÍA-GARCÍA A, CABALLERO-SUREZ J. Development of a kinetic model for the NOx reduction process by potassium-containing coal pellets[J]. Environ Sci Technol, 2002,36:5447-5454. doi: 10.1021/es025823y

  • 加载中
    1. [1]

      Zhaoyu WenNa HanYanguang Li . Recent Progress towards the Production of H2O2 by Electrochemical Two-Electron Oxygen Reduction Reaction. Acta Physico-Chimica Sinica, 2024, 40(2): 2304001-0. doi: 10.3866/PKU.WHXB202304001

    2. [2]

      Peng YUELiyao SHIJinglei CUIHuirong ZHANGYanxia GUO . Effects of Ce and Mn promoters on the selective oxidation of ammonia over V2O5/TiO2 catalyst. Chinese Journal of Inorganic Chemistry, 2025, 41(2): 293-307. doi: 10.11862/CJIC.20240210

    3. [3]

      Bing WEIJianfan ZHANGZhe CHEN . Research progress in fine tuning of bimetallic nanocatalysts for electrocatalytic carbon dioxide reduction. Chinese Journal of Inorganic Chemistry, 2025, 41(3): 425-439. doi: 10.11862/CJIC.20240201

    4. [4]

      Wentao XuXuyan MoYang ZhouZuxian WengKunling MoYanhua WuXinlin JiangDan LiTangqi LanHuan WenFuqin ZhengYoujun FanWei Chen . Bimetal Leaching Induced Reconstruction of Water Oxidation Electrocatalyst for Enhanced Activity and Stability. Acta Physico-Chimica Sinica, 2024, 40(8): 2308003-0. doi: 10.3866/PKU.WHXB202308003

    5. [5]

      Weihan ZhangMenglu WangAnkang JiaWei DengShuxing Bai . Surface Sulfur Species Influence Hydrogenation Performance of Palladium-Sulfur Nanosheets. Acta Physico-Chimica Sinica, 2024, 40(11): 2309043-0. doi: 10.3866/PKU.WHXB202309043

    6. [6]

      Yongwei ZHANGChuang ZHUWenbin WUYongyong MAHeng YANG . Efficient hydrogen evolution reaction activity induced by ZnSe@nitrogen doped porous carbon heterojunction. Chinese Journal of Inorganic Chemistry, 2025, 41(4): 650-660. doi: 10.11862/CJIC.20240386

    7. [7]

      Jingkun YuXue YongAng CaoSiyu Lu . Bi-Layer Single Atom Catalysts Boosted Nitrate-to-Ammonia Electroreduction with High Activity and Selectivity. Acta Physico-Chimica Sinica, 2024, 40(6): 2307015-0. doi: 10.3866/PKU.WHXB202307015

    8. [8]

      Feifei YangWei ZhouChaoran YangTianyu ZhangYanqiang Huang . Enhanced Methanol Selectivity in CO2 Hydrogenation by Decoration of K on MoS2 Catalyst. Acta Physico-Chimica Sinica, 2024, 40(7): 2308017-0. doi: 10.3866/PKU.WHXB202308017

    9. [9]

      Lijun Yue Siya Liu Peng Liu . 不同晶相纳米MnO2的制备及其对生物乙醇选择性氧化催化性能的测试——一个科研转化的综合化学实验. University Chemistry, 2025, 40(8): 225-232. doi: 10.12461/PKU.DXHX202410005

    10. [10]

      Shihui Shi Haoyu Li Shaojie Han Yifan Yao Siqi Liu . Regioselectively Synthesis of Halogenated Arenes via Self-Assembly and Synergistic Catalysis Strategy. University Chemistry, 2024, 39(5): 336-344. doi: 10.3866/PKU.DXHX202312002

    11. [11]

      Yu WangHaiyang ShiZihan ChenFeng ChenPing WangXuefei Wang . 具有富电子Ptδ壳层的空心AgPt@Pt核壳催化剂:提升光催化H2O2生成选择性与活性. Acta Physico-Chimica Sinica, 2025, 41(7): 100081-0. doi: 10.1016/j.actphy.2025.100081

    12. [12]

      Lu ZhuoranLi ShengkaiLu YuxuanWang ShuangyinZou Yuqin . Cleavage of C―C Bonds for Biomass Upgrading on Transition Metal Electrocatalysts. Acta Physico-Chimica Sinica, 2024, 40(4): 2306003-0. doi: 10.3866/PKU.WHXB202306003

    13. [13]

      CCS Chemistry | 超分子活化底物自由基促进高效选择性光催化氧化

      . CCS Chemistry, 2025, 7(10.31635/ccschem.025.202405229): -.

    14. [14]

      Kun WANGWenrui LIUPeng JIANGYuhang SONGLihua CHENZhao DENG . Hierarchical hollow structured BiOBr-Pt catalysts for photocatalytic CO2 reduction. Chinese Journal of Inorganic Chemistry, 2024, 40(7): 1270-1278. doi: 10.11862/CJIC.20240037

    15. [15]

      Xueting FengZiang ShangRong QinYunhu Han . Advances in Single-Atom Catalysts for Electrocatalytic CO2 Reduction. Acta Physico-Chimica Sinica, 2024, 40(4): 2305005-0. doi: 10.3866/PKU.WHXB202305005

    16. [16]

      Xinyu XuJiale LuBo SuJiayi ChenXiong ChenSibo Wang . Steering charge dynamics and surface reactivity for photocatalytic selective methane oxidation to ethane over Au/Ti-CeO2. Acta Physico-Chimica Sinica, 2025, 41(11): 100153-0. doi: 10.1016/j.actphy.2025.100153

    17. [17]

      Jing ZhangSu ZhangQiqi LiLinken JiYutong LiYukang RenXiaobei ZangNing CaoHan HuPeng LiangZhuangjun Fan . Integrating high surface area and electric conductivity in activated carbon by in situ formation of the less-defective carbon network during selective chemical etching. Acta Physico-Chimica Sinica, 2025, 41(10): 100114-0. doi: 10.1016/j.actphy.2025.100114

    18. [18]

      Dingwen CHENSiheng YANGHaiyan FUHua CHENXueli ZHENGWeichao XUEJiaqi XURuixiang LI . NiOOH-mediated synthesis of gold nanoaggregates for electrocatalytic performance for selective oxidation of glycerol to glycolate. Chinese Journal of Inorganic Chemistry, 2025, 41(11): 2317-2326. doi: 10.11862/CJIC.20250053

    19. [19]

      Zhi Chai Huashan Huang Xukai Shi Yujing Lan Zhentao Yuan Hong Yan . Wittig反应的立体选择性. University Chemistry, 2025, 40(8): 192-201. doi: 10.12461/PKU.DXHX202410046

    20. [20]

      Yulian Hu Xin Zhou Xiaojun Han . A Virtual Simulation Experiment on the Design and Property Analysis of CO2 Reduction Photocatalyst. University Chemistry, 2025, 40(3): 30-35. doi: 10.12461/PKU.DXHX202403088

Metrics
  • PDF Downloads(0)
  • Abstract views(1202)
  • HTML views(148)

通讯作者: 陈斌, bchen63@163.com
  • 1. 

    沈阳化工大学材料科学与工程学院 沈阳 110142

  1. 本站搜索
  2. 百度学术搜索
  3. 万方数据库搜索
  4. CNKI搜索
Address:Zhongguancun North First Street 2,100190 Beijing, PR China Tel: +86-010-82449177-888
Powered By info@rhhz.net

/

DownLoad:  Full-Size Img  PowerPoint
Return