Citation:
WANG Cai-hong, LIN Xiong-chao, YANG Sa-sha, LIU Shu-qin, YOON Seongho, WANG Yong-gang. Evaluation of the thermal and rheological characteristics of minerals in coal using SiO2-Al2O3-CaO-FeOx quaternary system[J]. Journal of Fuel Chemistry and Technology,
;2016, 44(9): 1025-1033.
-
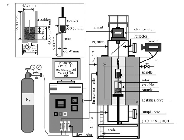
In the present work, the synergistic effect of components on the mineral behavior in the SiO2-Al2O3-CaO-FeOx quaternary system was tentatively evaluated. The mineral transformation and reaction were analyzed by thermo-mechanical analyzer (TMA), differential scanning calorimetry (DSC), X-ray diffraction (XRD) and thermodynamic calculation (FactSage). In addition, the apparent viscosities of synthetic slags, expressed as a function of temperature and composition, were determined using a high temperature rotary viscometer with temperature ranging from 1 700℃ to re-solidifying temperature. The results demonstrated that the TMA and DSC approaches were applicable to characterize the mineral behavior under in-situ conditions. Silica and alumina preferred to be transformed to high temperature cristobalite and α-alumina with relatively stable structure and high viscosity, respectively. On the other hand, the reaction and transformation of silica and alumina could be accelerated by some valuable fluxing agents, particularly calcium oxide and iron oxides. The addition of ferrous oxide into synthetic slags could lower its viscosity compared with that of ferric oxide and ferroferric oxide. Furthermore, the reduction of iron oxides to metallic iron remarkably increased the viscosity. Ferric oxide may take part in the random glass network in a similar fashion with alumina. Besides, iron oxides with the oxidation state of Fe2+ may also act as a modifier under slightly reducing conditions and higher temperatures. The sensitivity of viscosity of mineral matters to temperature excursion decreased with increasing calcium oxide content as calcium oxide was able to enhance the solution ability of iron oxides in the SiO2-Al2O3-CaO-FeOx quaternary system.
-
Keywords:
- mineral behavior,
- viscosity,
- TMA,
- quaternary system,
- iron oxides
-
-
-
[1]
ELLIOTT L. Dissolution of lime into synthetic coal ash slags[J]. Fuel Process Technol, 1998,56(56):45-53.
-
[2]
NOWOK J W, BENSON S A, STEADMAN E N, BREKKE D W. The effect of surface-tension viscosity ratio of melts on the sintering propensity of amorphous coal ash slags[J]. Fuel, 1993,72(7):1055-1061. doi: 10.1016/0016-2361(93)90308-O
-
[3]
HURST H J, NOVAK F, PATTERSON J H. Viscosity measurements and empirical predictions for fluxed Australian bituminous coal ashes[J]. Fuel, 1999,78(15):1831-1840. doi: 10.1016/S0016-2361(99)00094-0
-
[4]
CHAKRABORTY S, SARKAR S, GUPTA S, RAY A. Damage monitoring of refractory wall in a generic entrained-bed slagging gasification system[J]. Proc Inst Mech Eng Part A, 2008,222(8):791-807. doi: 10.1243/09576509JPE638
-
[5]
BRYANT G W, MCLENNAN A R, BAILEY C W, STANMORE B R, WALL T F. Index for iron-based slagging for pulverized coal firing in oxidizing and reducing conditions[J]. Energy Fuels, 2000,14(2):349-354. doi: 10.1021/ef990127d
-
[6]
HURST H J, NOVAK F, PATTERSON J H. Viscosity measurements and empirical predictions for some model gasifier slags[J]. Fuel, 1999,78(4):439-444. doi: 10.1016/S0016-2361(98)00162-8
-
[7]
HUFFMAN G P, HUGGINS F E, DUNMYRE G R. Investigation of the high-temperature behavior of coal ash in reducing and oxidizing atmospheres[J]. Fuel, 1981,60(7):585-597. doi: 10.1016/0016-2361(81)90158-7
-
[8]
WU H W, WEE H L, ZHANG D K, FRENCH D. The effect of combustion conditions on mineral matter transformation and ash deposition in a utility boiler fired with a sub-bituminous coal[J]. Proc Combust Inst, 2005,30(2):2981-2989. doi: 10.1016/j.proci.2004.08.059
-
[9]
RUPRECHT P, KONKOL W, CORNILS B, LANGHOFF J, BRUNKE W, SCHAFER W. Slagging gasification of coal under addition of flux agents[J]. Fuel Process Technol, 1985,11(1):1-12. doi: 10.1016/0378-3820(85)90011-6
-
[10]
GROEN J C, BROOKER D D, WELCH P J, OH M S. Gasification slag rheology and crystallization in titanium-rich, iron-calcium-aluminosilicate glasses[J]. Fuel Process Technol, 1998,56(1/2):103-127.
-
[11]
LIN X C, IDETA K, MIYAWAKI J, TAKEBE H, YOON S H, MOCHIDA I. Correlation between fluidity properties and local structures of three typical asian coal ashes[J]. Energy Fuels, 2012,26(4):2136-2144. doi: 10.1021/ef201771f
-
[12]
BAI J, LI W, LI B Q. Characterization of low-temperature coal ash behaviors at high temperatures under reducing atmosphere[J]. Fuel, 2008,87(4):583-591.
-
[13]
AIKIN T L H, CASHION J D, OTTREY A L. Mossbauer analysis of iron phases in brown coal ash and fireside deposits[J]. Fuel, 1984,63(9):1269-1275. doi: 10.1016/0016-2361(84)90436-8
-
[14]
MCLENNAN A R, BRYANT G W, STANMORE B R, WALL T F. Ash formation mechanisms during of combustion in reducing conditions[J]. Energy Fuels, 2000,14(1):150-159. doi: 10.1021/ef990095u
-
[15]
SCHOTTE E, LORENZ H, RAU H. Investigating gasification processes of solid fuels by in situ gaspotentiometric oxygen probes[J]. Chem Eng Technol, 2003,26(7):774-778. doi: 10.1002/ceat.200301667
-
[16]
SONG W J, TANG L H, ZHU X D, WU Y Q, ZHU Z B, KOYAMA S. Prediction of Chinese coal ash fusion temperatures in Ar and H2 atmospheres[J]. Energy Fuels, 2009,23(4):1990-1997. doi: 10.1021/ef800974d
-
[17]
WALL T F, LOWE A, WIBBERLEY L J, STEWART I M. Mineral matter in coal and the thermal performance of large boilers[J]. Prog Energy Combust Sci, 1979,5(1):1-29. doi: 10.1016/0360-1285(79)90017-0
-
[18]
LLOYD W G, RILEY J T, ZHOU S, RISEN M A, TIBBITTS R L. Ash fusion temperatures under oxidizing conditions[J]. Energy Fuels, 1993,7(4):490-494. doi: 10.1021/ef00040a009
-
[19]
BRYANT G W, MCLENNAN A R, BAILEY C W, STANMORE B R, WALL T F. An experimental comparison of the ash formed from coals containing pyrite and siderite mineral in oxidizing and reducing conditions[J]. Energy Fuels, 2000,14(2):308-315. doi: 10.1021/ef990092h
-
[20]
URBAIN G, BOTTINGA Y, RICHET P. Viscosity of liquid silica, silicates and alumino-silicates[J]. Geochim Cosmochim Acta, 1982,46(6):1061-1072.
-
[21]
ARVELAKIS S, JENSEN P A, DAM-JOHANSEN M. Simultaneous thermal analysis (STA) on ash from high-alkali biomass[J]. Energy Fuels, 2004,18(4):1066-1076. doi: 10.1021/ef034065+
-
[22]
PINTO R R C, VALLE M L M, SOUSA-AGUIAR E F. The influence of silica to alumina ratio on Y zeolite activity by simultaneous TG and DSC analysis[J]. J Thermal Anal Calorim, 2002,67(2):439-443(5). doi: 10.1023/A:1013976512286
-
[23]
GUO X H, ZHONG S L, ZHANG J, WANG W, MAO J J, XIE G. Synthesis, phase transition, and magnetic property of iron oxide materials: Effect of sodium hydroxide concentrations[J]. J Mater Sci, 2010,45(23):6467-6473. doi: 10.1007/s10853-010-4733-8
-
[24]
EBSWORTH E A V, WEIL J A. Paramagnetic resonance absorption in peroxydicobalt complexes[J]. J Phys Chem, 2002,63(11):1890-1900.
-
[25]
RISTIĆ M, POPOVIĆ S, MUSIĆ S. Investigation of crystalline phases in the alpha-Fe2O3/alpha-Al2O3 system[J]. Croat Chem Acta, 2009,82(2):397-404.
-
[26]
NOWOK J W, HURLEY J P, STANLEY D C. Local structure of a lignitic coal ash slag and its effect on viscosity[J]. Energy Fuels, 1993,7(6):1135-1140. doi: 10.1021/ef00042a063
-
[27]
EBNER A D, RITTER J A. Retention of iron oxide particles by stainless steel and magnetite magnetic matrix elements in high-gradient magnetic separation[J]. Sep Sci Technol, 2004,39(12):2863-2890. doi: 10.1081/SS-200028811
-
[1]
-
-
-
[1]
Mengjun Zhao , Yuhao Guo , Na Li , Tingjiang Yan . Deciphering the structural evolution and real active ingredients of iron oxides in photocatalytic CO2 hydrogenation. Chinese Journal of Structural Chemistry, 2024, 43(8): 100348-100348. doi: 10.1016/j.cjsc.2024.100348
-
[2]
Wenzheng Chen , Weiyun Chen , Bin Chen , Mingbao Feng . Deciphering the electron-shuttling role of iron(Ⅲ) porphyrin in modulating the reductive UV/S(Ⅳ) system into the oxidative strategy for micropollutant abatement. Chinese Chemical Letters, 2025, 36(10): 110743-. doi: 10.1016/j.cclet.2024.110743
-
[3]
Qian Pang , Fangjun Huo , Yongkang Yue , Caixia Yin . ONOO− and viscosity dual-response fluorescent probe for arthritis imaging in vivo. Chinese Chemical Letters, 2025, 36(9): 110713-. doi: 10.1016/j.cclet.2024.110713
-
[4]
Lanyun Zhang , Weisi Wang , Yu-Qiang Zhao , Rui Huang , Yuxun Lu , Ying Chen , Liping Duan , Ying Zhou . Mechanism study of the molluscicide candidate PBQ on Pomacea canaliculata using a viscosity-sensitive fluorescent probe. Chinese Chemical Letters, 2025, 36(1): 109798-. doi: 10.1016/j.cclet.2024.109798
-
[5]
Fan Zheng , Runsha Xiao , Shuai Huang , Zhikang Chen , Chen Lai , Anyao Bi , Heying Yao , Xueping Feng , Zihua Chen , Wenbin Zeng . Accurate visualization colorectal cancer by monitoring viscosity variations with a novel mitochondria-targeted fluorescent probe. Chinese Chemical Letters, 2025, 36(2): 109876-. doi: 10.1016/j.cclet.2024.109876
-
[6]
Takuya Tanaka , Rikuto Noda , Yuki Sawatari , Riki Iwai , Ben Zhong Tang , Gen-ichi Konishi . Viscosity responsiveness of excited-state dynamics in aggregated-induced emission luminogens. Chinese Chemical Letters, 2025, 36(12): 111495-. doi: 10.1016/j.cclet.2025.111495
-
[7]
Luolin Wang , Xing Liang , Hanwen Chi , Weiying Lin . A dual-targeted near-infrared fluorescence lifetime probe for detecting viscosity heterogeneity in arthritic mice. Chinese Chemical Letters, 2025, 36(12): 110962-. doi: 10.1016/j.cclet.2025.110962
-
[8]
Sixin Ai , Wenxiu Li , Huayong Zhu , Yang Wan , Weiying Lin . Viscosity-responsive signal amplification dual-modal probe triggered by cysteine/homocysteine for monitoring diabetic liver damages and repair processes. Chinese Chemical Letters, 2025, 36(3): 109904-. doi: 10.1016/j.cclet.2024.109904
-
[9]
Jiao Chen , Zihan Zhang , Guojin Sun , Yudi Cheng , Aihua Wu , Zefan Wang , Wenwen Jiang , Fulin Chen , Xiuying Xie , Jianli Li . Benzo[4,5]imidazo[1,2-a]pyrimidine-based structure-inherent targeting fluorescent sensor for imaging lysosomal viscosity and diagnosis of lysosomal storage disorders. Chinese Chemical Letters, 2024, 35(11): 110050-. doi: 10.1016/j.cclet.2024.110050
-
[10]
Jiakun Bai , Junhui Jia , Aisen Li . An elastic organic crystal with piezochromic luminescent behavior. Chinese Journal of Structural Chemistry, 2024, 43(6): 100323-100323. doi: 10.1016/j.cjsc.2024.100323
-
[11]
Jinjie Lu , Qikai Liu , Yuting Zhang , Yi Zhou , Yanbo Zhou . Antibacterial performance of cationic quaternary phosphonium-modified chitosan polymer in water. Chinese Chemical Letters, 2024, 35(9): 109406-. doi: 10.1016/j.cclet.2023.109406
-
[12]
Zhi-Peng Bao , Hefei Yang , Ru-Han A , Yuanrui Wang , Xiao-Feng Wu . Carbonylative five-component synthesis of amides and esters with α-quaternary carbon center. Chinese Chemical Letters, 2025, 36(11): 111150-. doi: 10.1016/j.cclet.2025.111150
-
[13]
Ya-Ting Gao , Yi-Lin Zhu , Xiao-Yuan Wang , Li-Ya Liang , Meng-Li Liu , Shuai Chang , Han-Bin Xu , Da-Wei Li , Bin-Bin Chen . Pure organic electrophosphorochromism system. Chinese Chemical Letters, 2025, 36(11): 110855-. doi: 10.1016/j.cclet.2025.110855
-
[14]
Sixiao Liu , Tianyi Wang , Lei Zhang , Chengyin Wang , Huan Pang . Cerium-based metal-organic framework-modified natural mineral vermiculite for photocatalytic nitrogen fixation under visible-light irradiation. Chinese Chemical Letters, 2025, 36(3): 110058-. doi: 10.1016/j.cclet.2024.110058
-
[15]
Yuan Liu , Boyang Wang , Yaxin Li , Weidong Li , Siyu Lu . Understanding excitonic behavior and electroluminescence light emitting diode application of carbon dots. Chinese Chemical Letters, 2025, 36(2): 110426-. doi: 10.1016/j.cclet.2024.110426
-
[16]
Xiang Huang , Dongzhen Xu , Yang Liu , Xia Huang , Yangfan Wu , Dongmei Fang , Bing Xia , Wei Jiao , Jian Liao , Min Wang . Asymmetric synthesis of difluorinated α-quaternary amino acids (DFAAs) via Cu-catalyzed difluorobenzylation of aldimine esters. Chinese Chemical Letters, 2024, 35(12): 109665-. doi: 10.1016/j.cclet.2024.109665
-
[17]
Ya-Ling Li , Jia-Wei Ke , Yue Liu , Dong-Mei Yao , Jing-Dong Zhang , You-Cai Xiao , Fen-Er Chen . Asymmetric conjugated addition of aryl Grignard reagents for the construction of chromanones bearing quaternary stereogenic centers in batch and flow. Chinese Chemical Letters, 2025, 36(6): 110377-. doi: 10.1016/j.cclet.2024.110377
-
[18]
Yuhan Wu , Qing Zhao , Zhijie Wang . Layered vanadium oxides: Promising cathode materials for calcium-ion batteries. Chinese Journal of Structural Chemistry, 2024, 43(5): 100271-100271. doi: 10.1016/j.cjsc.2024.100271
-
[19]
Wenxuan Yang , Long Shang , Xiaomeng Liu , Sihan Zhang , Haixia Li , Zhenhua Yan , Jun Chen . Ultrafast synthesis of nanocrystalline spinel oxides by Joule-heating method. Chinese Chemical Letters, 2024, 35(11): 109501-. doi: 10.1016/j.cclet.2024.109501
-
[20]
Yuanyuan Zhao , Zhiming Zhu , Liang Li , Bingyao Shi , Ziyang Li , Yuyang Huang , Lijun Jiang , Chao Shu . Photoinduced site-selective thiosulfinylation of alkynols for the synthesis of oxathiolene oxides. Chinese Chemical Letters, 2025, 36(10): 110900-. doi: 10.1016/j.cclet.2025.110900
-
[1]
Metrics
- PDF Downloads(0)
- Abstract views(1703)
- HTML views(78)
Login In
DownLoad: