Citation: Zahra Gholami, Noor Asmawati Mohd Zabidi, Fatemeh Gholami, Mohammadtaghi Vakili. Synthesis and characterization of niobium-promoted cobalt/iron catalysts supported on carbon nanotubes for the hydrogenation of carbon monoxide[J]. Journal of Fuel Chemistry and Technology, ;2016, 44(7): 815-821. shu

Synthesis and characterization of niobium-promoted cobalt/iron catalysts supported on carbon nanotubes for the hydrogenation of carbon monoxide

  • Corresponding author: Zahra Gholami, zahra.gholami@petronas.com.my
  • Received Date: 11 March 2016
    Revised Date: 5 May 2016

    Fund Project: The project was supprted by Short Term Internal Research Fund Universiti Teknologi PETRONAS 0153AA-D06

Figures(8)

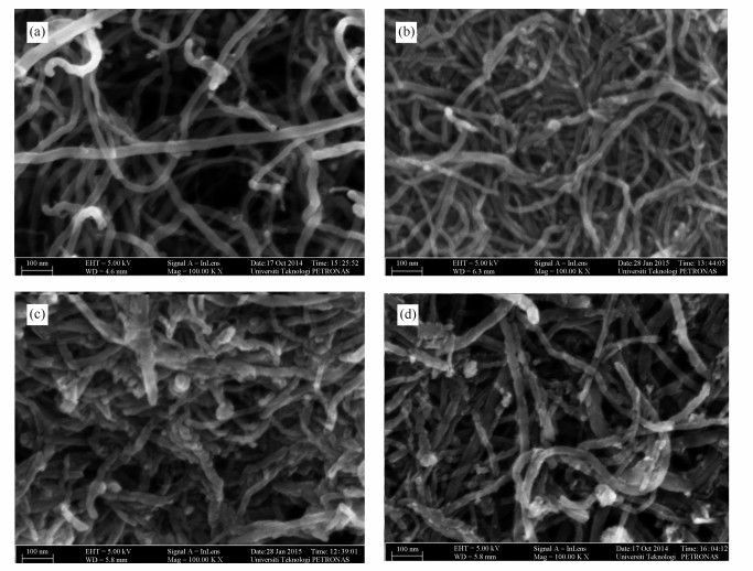
  • Bimetallic Co/Fe catalysts supported on carbon nanotubes (CNTs) were prepared, and niobium (Nb) was added as promoter to the 70Co:30Fe/CNT catalyst. The physicochemical properties of the catalysts were characterized, and the catalytic performances were analyzed at the same operation conditions (H2:CO (volume ratio)=2:1, p=1 MPa, and t=260 ℃) in a tubular fixed-bed microreactor system. The addition of Nb to the bimetallic catalyst decreases the average size of the oxide nanoparticles and improves the reducibility of the bimetallic catalyst. Evaluation of the catalyst performance in a Fischer-Tropsch reaction shows that the catalyst results in high selectivity to methane, and the selectivity to C5+ increased slightly in the bimetallic catalyst unlike that in the monometallic catalysts. The addition of 1% Nb to the bimetallic catalyst increases CO conversion and selectivity to C5+. Meanwhile, a decrease in methane selectivity is observed.
  • 加载中
    1. [1]

      KHANNA S, GOYAL A, MOHOLKAR V S. Microbial conversion of glycerol: Present status and future prospects[J]. Crit Rev Biotechnol, 2012,32(3):235-262. doi: 10.3109/07388551.2011.604839

    2. [2]

      HANNON M, GIMPEL J, TRAN M, RASALA B, MAYFIELD S. Biofuels from algae: Challenges and potential[J]. Biofuels, 2010,1(5):763-784. doi: 10.4155/bfs.10.44

    3. [3]

      MEHTA S, DESHMANE V, ZHAO S, KUILA D. Comparative studies of silica-encapsulated iron, cobalt, and ruthenium nanocatalysts for Fischer-Tropsch synthesis in silicon-microchannel microreactors[J]. Ind Eng Chem Res, 2014,53(42):16245-16253. doi: 10.1021/ie502193e

    4. [4]

      ALI S, ZABIDI N A M, SUBBARAO D. Effect of niobium promoters on iron-based catalysts for Fischer-Tropsch reaction[J]. J Fuel Chem Technol, 2012,40(1):48-53. doi: 10.1016/S1872-5813(12)60006-1

    5. [5]

      ZENNARO R, TAGLIABUE M, BARTHOLOMEW C H. Kinetics of Fischer-Tropsch synthesis on titania-supported cobalt[J]. Catal Today, 2000,58(4):309-319. doi: 10.1016/S0920-5861(00)00264-9

    6. [6]

      BAHOME M C, JEWELL L L, PADAYACHY K, HILDEBRANDT D, GLASSER D, DATYE A K, COVILLE N J. Fe-Ru small particle bimetallic catalysts supported on carbon nanotubes for use in Fischer-Tröpsch synthesis[J]. Appl Catal A: Gen, 2007,328(2):243-251. doi: 10.1016/j.apcata.2007.06.018

    7. [7]

      VAN SANTEN R, MARKVOORT A, FILOT I, GHOURI M, HENSEN E. Mechanism and microkinetics of the Fischer-Tropsch reaction[J]. Phys Chem Chem Phys, 2013,15(40):17038-17063. doi: 10.1039/c3cp52506f

    8. [8]

      BLANCHARD J, ABATZOGLOU N. Nano-iron carbide synthesized by plasma as catalyst for Fischer-Tropsch synthesis in slurry reactors: The role of iron loading and K, Cu promoters[J]. Catal Today, 2014,237:150-156. doi: 10.1016/j.cattod.2013.12.027

    9. [9]

      SARI A. Investigation of the supercritical conditions for Fischer-Tropsch reaction over an industrial Co-Ru/γ-Al2O3 catalyst[J]. Chem Eng J, 2014,244:317-326. doi: 10.1016/j.cej.2014.01.086

    10. [10]

      WEI Z, ZOU Y R, CAI Y, TAO W, WANG L, PENG P. Composition of closed-system Fischer-Tropsch synthesis gases and the constraint factors[J]. Pet Sci Technol, 2014,32(21):2635-2641. doi: 10.1080/10916466.2011.632801

    11. [11]

      DE KLERK A. Fischer-Tropsch refining: Technology selection to match molecules[J]. Green Chem, 2008,10(12):1249-1279. doi: 10.1039/b813233j

    12. [12]

      JAHANGIRI H, BENNETT J, MAHJOUBI P, WILSON K, GU S. A review of advanced catalyst development for Fischer-Tropsch synthesis of hydrocarbons from biomass derived syn-gas[J]. Catal Sci Technol, 2014,4(8):2210-2229. doi: 10.1039/C4CY00327F

    13. [13]

      ZHANG Q, CHENG K, KANG J, DENG W, WANG Y. Fischer-Tropsch catalysts for the production of hydrocarbon fuels with high selectivity[J]. ChemSusChem, 2014,7(5):1251-1264. doi: 10.1002/cssc.201300797

    14. [14]

      ARSALANFAR M, MIRZAEI A A, BOZORGZADEH H R, SAMIMI A, GHOBADI R. Effect of support and promoter on the catalytic performance and structural properties of the Fe-Co-Mn catalysts for Fischer-Tropsch synthesis[J]. J Ind Eng Chem, 2014,20(4):1313-1323. doi: 10.1016/j.jiec.2013.07.011

    15. [15]

      MIRZAEI AA, VAHID S, TORSHIZI HO. Effect of support and promoter on the catalytic performance and structural properties of the Fe-Co-Ni catalysts for CO hydrogenation[J]. J Nat Gas Sci Eng, 2013,15:106-117. doi: 10.1016/j.jngse.2013.10.002

    16. [16]

      KHARE R, BOSE S. Carbon nanotube based composites-A review[J]. J Miner Mater Charact Eng, 2005,4(1):31-46.  

    17. [17]

      BEZEMER G L, RADSTAKE P B, KOOT V, VAN DILLEN A J, GEUS JW, DE JONG K P. Preparation of Fischer-Tropsch cobalt catalysts supported on carbon nanofibers and silica using homogeneous deposition-precipitation[J]. J Catal, 2006,237(2):291-302. doi: 10.1016/j.jcat.2005.11.015

    18. [18]

      BOTES M, EUGENE CLOETE T. The potential of nanofibers and nanobiocides in water purification[J]. Crit Rev Microbiol, 2010,36(1):68-81. doi: 10.3109/10408410903397332

    19. [19]

      TRÉPANIER M, TAVASOLI A, ANAHID S. Deactivation behavior of carbon nanotubes supported cobalt catalysts in Fischer-Tropsch synthesis[J]. Iran J Chem Chem Eng, 2011,30(1):34-37.  

    20. [20]

      ALI S, ZABIDI N A M, SUBBARAO D. Correlation between Fischer-Tropsch catalytic activity and composition of catalysts[J]. Chem Cent J, 2011,5:68-75. doi: 10.1186/1752-153X-5-68

    21. [21]

      LU C Y, WEY M Y. The performance of CNT as catalyst support on CO oxidation at low temperature[J]. Fuel, 2007,86(7/8):1153-1161.  

    22. [22]

      TAVASOLI A, SADAGIANI K, KHORASHE F, SEIFKORDI A, ROHANI A, NAKHAEIPOUR A. Cobalt supported on carbon nanotubes-A promising novel Fischer-Tropsch synthesis catalyst[J]. Fuel Process Technol, 2008,89(5):491-498. doi: 10.1016/j.fuproc.2007.09.008

    23. [23]

      TAVASOLI A, TRÉPANIER M, ABBASLOU R M M, DALAI A K, ABATZOGLOU N. Fischer-Tropsch synthesis on mono-and bimetallic Co and Fe catalysts supported on carbon nanotubes[J]. Fuel Process Technol, 2009,90(12):1486-1494. doi: 10.1016/j.fuproc.2009.07.007

    24. [24]

      DUVENHAGE D, COVILLE N. Fe: CoTiO2 bimetallic catalysts for the Fischer-Tropsch reaction I. Characterization and reactor studies[J]. Appl Catal A: Gen, 1997,153(1):43-67.  

    25. [25]

      MACKAY R A, HENDERSON W. Introduction to Modern Inorganic Chemistry[M]. 6th edition. Abingdon: Taylor & Francis, 2002.

    26. [26]

      YU S, ZHANG T, XIE Y, WANG Q, GAO X, ZHANG R, ZHANG Y, SU H. Synthesis and characterization of iron-based catalyst on mesoporous titania for photo-thermal F-T synthesis[J]. Int J Hydrogen Energy, 2015,40(1):870-877. doi: 10.1016/j.ijhydene.2014.10.121

    27. [27]

      WANG D, ZHOU X, JI J, DUAN X, QIAN G, ZHOU X G, CHEN D, YUAN W. Modified carbon nanotubes by KMnO4 supported iron Fischer-Tropsch catalyst for direct conversion of syngas to lower olefins[J]. J Mater Chem A, 2015,3(8):4560-4567. doi: 10.1039/C4TA05202A

    28. [28]

      RIBEIRO M C, JACOBS G, DAVIS B H, CRONAUER D C, KROPF A J, MARSHALL C L. Fischer-Tropsch Synthesis: An in-situ TPR-EXAFS/XANES investigation of the influence of group I alkali promoters on the local atomic and electronic structure of carburized iron/silica catalysts[J]. J Phys Chem C, 2010,114(17):7895-7903. doi: 10.1021/jp911856q

    29. [29]

      TORRES GALÜIS H M, DE JONG K P. Catalysts for production of lower olefins from synthesis gas: A review[J]. ACS Catal, 2013,3(9):2130-2149. doi: 10.1021/cs4003436

    30. [30]

      ZABIDI N A M. Synthesis of nanocatalysts via reverse microemulsion route for Fischer-Tropsch reactions. Microemulsions-An Introduction to Properties and Applications[M]. Croatia: InTech, 2012.

    31. [31]

      FABIANO D P, NAPOLITANO M N, TEIXEIRA G A, GUIMARÃES L L, FONSECA L C, SOARES R R. Fischer-Tropsch synthesis by Nb2O5-supported iron or cobalt catalysts[C]. The 2008 Annual Meeting Philadelphia. Pennsylvania Convention Center.

    32. [32]

      MENDES F M T, PEREZ C A C, NORONHA F B, SOUZA C D D, CESAR D V, FREUND H J, SCHMAL M. Fischer-Tropsch synthesis on anchored Co/Nb2O5/Al2O3 catalysts: The nature of the surface and the effect on chain growth[J]. J Phys Chem B, 2006,110(18):9155-9163. doi: 10.1021/jp060175g

    33. [33]

      CHOUDHURY H A, MOHOLKAR V S. An optimization study of Fischer-Tropsch synthesis using commercial cobalt catalyst[J]. Int J Sci Eng Technol, 2013,2(2):31-39.  

    34. [34]

      DAVIS B H, OCCELLI M L. Advances in Fischer-Tropsch Synthesis, Catalysts, and Catalysis[M]. Boca Raton: CRC Press, 2009.

  • 加载中
    1. [1]

      Yaoyin LouXiaoyang Jerry HuangKuang-Min ZhaoMark J. DouthwaiteTingting FanFa LuOuardia AkdimNa TianShigang SunGraham J. Hutchings . Stable core-shell Janus BiAg bimetallic catalyst for CO2 electrolysis into formate. Chinese Chemical Letters, 2025, 36(3): 110300-. doi: 10.1016/j.cclet.2024.110300

    2. [2]

      Xiuzheng DengChanghai LiuXiaotong YanJingshan FanQian LiangZhongyu Li . Carbon dots anchored NiAl-LDH@In2O3 hierarchical nanotubes for promoting selective CO2 photoreduction into CH4. Chinese Chemical Letters, 2024, 35(6): 108942-. doi: 10.1016/j.cclet.2023.108942

    3. [3]

      Yuling MaDongqing LiuTao ZhangChengjie SongDongmei LiuPeizhi WangWei Wang . Bimetallic composite carbon fiber with persulfate mediation for intercepting volatile organic compounds during solar interfacial evaporation. Chinese Chemical Letters, 2025, 36(3): 110000-. doi: 10.1016/j.cclet.2024.110000

    4. [4]

      Congcong WangKai ZhangBai Yang . Architecting double-shelled hollow carbon nanocages embedded bimetallic sites as bifunctional oxygen electrocatalyst for zinc-air batteries. Chinese Chemical Letters, 2025, 36(8): 110538-. doi: 10.1016/j.cclet.2024.110538

    5. [5]

      Kexin YinJingren YangYanwei LiQian LiXing Xu . Metal-free diatomaceous carbon-based catalyst for ultrafast and anti-interference Fenton-like oxidation. Chinese Chemical Letters, 2024, 35(12): 109847-. doi: 10.1016/j.cclet.2024.109847

    6. [6]

      Wen-Jing LiJun-Bo WangYu-Heng LiuMo ZhangZhan-Hui Zhang . Molybdenum-doped carbon nitride as an efficient heterogeneous catalyst for direct amination of nitroarenes with arylboronic acids. Chinese Chemical Letters, 2025, 36(3): 110001-. doi: 10.1016/j.cclet.2024.110001

    7. [7]

      Laiyang ZHUXuze PANXiaoying ZHANGXinyu XUShiheng LIFajin CAIYifan WANGQingxia YAOYi QIUJie SU . Synthesis of stable and porous bimetallic Ti-MOF for photocatalytic oxidation of aromatic sulfides to sulfoxides. Chinese Journal of Inorganic Chemistry, 2025, 41(10): 2115-2126. doi: 10.11862/CJIC.20250139

    8. [8]

      Ming ZhongXue GuoYang LiuKun ZhaoHui PengSuijun LiuXiaobo Zhang . Molybdenum-glycerate@zeolitic imidazolate framework spheres derived hierarchical nitrogen-doped carbon-encapsulated bimetallic selenides heterostructures for improved lithium-ion storage. Chinese Chemical Letters, 2025, 36(5): 109873-. doi: 10.1016/j.cclet.2024.109873

    9. [9]

      Peng Wang Daijie Deng Suqin Wu Li Xu . Cobalt-based deep eutectic solvent modified nitrogen-doped carbon catalyst for boosting oxygen reduction reaction in zinc-air batteries. Chinese Journal of Structural Chemistry, 2024, 43(1): 100199-100199. doi: 10.1016/j.cjsc.2023.100199

    10. [10]

      Huiyuan DengNa ZhaoJunjie YouZhicheng PanBo XingYuling YeBo LaiYuxi WangTongrui LuXiaonan Liu . Removal of bisphenol a through peroxymonosulfate activation with N-doped graphite carbon spheres coated cobalt nanoparticles catalyst: Synergy of nonradicals. Chinese Chemical Letters, 2025, 36(8): 110650-. doi: 10.1016/j.cclet.2024.110650

    11. [11]

      Min LiuDi WangZenghui YeDonghao JiangBencan TangYanqi WuFengzhi Zhang . Highly stereo- and enantio-selective synthesis of spiro cyclopropyl oxindoles via organic catalyst-mediated cyclopropanation. Chinese Chemical Letters, 2025, 36(10): 110923-. doi: 10.1016/j.cclet.2025.110923

    12. [12]

      Xinyi Hu Riguang Zhang Zhao Jiang . Depositing the PtNi nanoparticles on niobium oxide to enhance the activity and CO-tolerance for alkaline methanol electrooxidation. Chinese Journal of Structural Chemistry, 2023, 42(11): 100157-100157. doi: 10.1016/j.cjsc.2023.100157

    13. [13]

      Yiwen XuChaozheng HeChenxu ZhaoLing Fu . Single-atom Ti doping on S-vacancy two-dimensional CrS2 as a catalyst for ammonia synthesis: A DFT study. Chinese Chemical Letters, 2025, 36(4): 109797-. doi: 10.1016/j.cclet.2024.109797

    14. [14]

      Xiaochun LiuGaoyan ChenXiaodong YueChaoyue WangXue-Xin ZhangXuecheng RanYingxiao ZongJunke WangXicun Wang . A novel N-stable Co2P nano-catalyst for the synthesis of quinoxalines by annulation of alkynes and 1,2-diaminobenzenes. Chinese Chemical Letters, 2025, 36(8): 110707-. doi: 10.1016/j.cclet.2024.110707

    15. [15]

      Uttam Pandurang Patil . Porous carbon catalysis in sustainable synthesis of functional heterocycles: An overview. Chinese Chemical Letters, 2024, 35(8): 109472-. doi: 10.1016/j.cclet.2023.109472

    16. [16]

      Yu YaoJinqiang ZhangYantao WangKunsheng HuYangyang YangZhongshuai ZhuShuang ZhongHuayang ZhangShaobin WangXiaoguang Duan . Nitrogen-rich carbon for catalytic activation of peroxymonosulfate towards green synthesis. Chinese Chemical Letters, 2024, 35(11): 109633-. doi: 10.1016/j.cclet.2024.109633

    17. [17]

      Ping WangChunmao ChenHongwei RenErhong Duan . A review of carbon dots in synthesis strategies, photoluminescence mechanisms, and applications in wastewater treatment. Chinese Chemical Letters, 2025, 36(9): 110725-. doi: 10.1016/j.cclet.2024.110725

    18. [18]

      Zhi-Peng BaoHefei YangRu-Han AYuanrui WangXiao-Feng Wu . Carbonylative five-component synthesis of amides and esters with α-quaternary carbon center. Chinese Chemical Letters, 2025, 36(11): 111150-. doi: 10.1016/j.cclet.2025.111150

    19. [19]

      Cheng-Yan WuYi-Nan GaoZi-Han ZhangRui LiuQuan TangZhong-Lin Lu . Enhancing self-assembly efficiency of macrocyclic compound into nanotubes by introducing double peptide linkages. Chinese Chemical Letters, 2024, 35(11): 109649-. doi: 10.1016/j.cclet.2024.109649

    20. [20]

      Fengshun WangHuachao JiZefei WuKang ChenWenqi GaoChen WangLonglu WangJianmei ChenDafeng Yan . The advanced development of one-dimensional transition metal dichalcogenide nanotubes: From preparation to application. Chinese Chemical Letters, 2025, 36(5): 109898-. doi: 10.1016/j.cclet.2024.109898

Metrics
  • PDF Downloads(0)
  • Abstract views(948)
  • HTML views(114)

通讯作者: 陈斌, bchen63@163.com
  • 1. 

    沈阳化工大学材料科学与工程学院 沈阳 110142

  1. 本站搜索
  2. 百度学术搜索
  3. 万方数据库搜索
  4. CNKI搜索
Address:Zhongguancun North First Street 2,100190 Beijing, PR China Tel: +86-010-82449177-888
Powered By info@rhhz.net

/

DownLoad:  Full-Size Img  PowerPoint
Return