Citation: MA Ya-shi, HU Xiao-fei, LIU Xia, GUO Qing-hua, YU Guang-suo. Study on ash fusion and viscosity temperature characteristics modification of Shanxi typical high aluminum coal[J]. Journal of Fuel Chemistry and Technology, ;2017, 45(11): 1303-1309. shu

Study on ash fusion and viscosity temperature characteristics modification of Shanxi typical high aluminum coal

  • Corresponding author: LIU Xia, gsyu@ecust.edu.cn YU Guang-suo, lxia@ecust.edu.cn
  • Received Date: 28 July 2017
    Revised Date: 29 August 2017

    Fund Project: the National Natural Science Foundation of China 21676091The project was supported by the National Natural Science Foundation of China (21676091)

Figures(8)

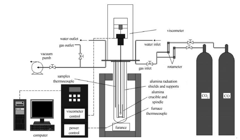
  • In this work, the influences of two industrial fluxes (i.e. limestone and clay) and their composite flux on ash fusion and viscosity temperature characteristics of Shanxi typical high-alumina coals were explored, respectively. The results indicated that flow temperature of coal ash decreased with increasing additive amount of flux. Moreover, limestone exhibited a better flux effect than clay, among which the flux effect of composite flux was more obvious than that of the single fluxes. It was also found that limestone could significantly reduce the tcv of coal ash slag and clay could promote the slag type transformation towards glassy slag. Compared with single fluxes, composite flux exhibited synergistic effect on both the significant reduction of tcv and the promotion of slag type transformation. For Shanxi typical high-alumina Liangdu coal, when total amount of composite flux was 4% (2% limestone+2% clay), not only the slag transformed into glassy slag, but also tcv of the slag decreased 133 and 222 ℃ compared with single flux limestone(2%) and clay (6%), respectively. Minerals analysis results confirmed the fluxing principle of different fluxes. After the addition of composite flux, Shanxi high-alumina coals could meet the requirements of industrial entrained-flow gasifier.
  • 加载中
    1. [1]

      SAFRONOV D, FÖRSTER T, SCHWITALLA D, NIKRITYUK P, GUHL S, RICHTER A, MEYER B. Numerical study on entrained-flow gasification performance using combined slag model and experimental characterization of slag properties[J]. Fuel Process Technol, 2017,161:62-75. doi: 10.1016/j.fuproc.2017.03.007

    2. [2]

      YU Guang-suo, NIU Miao-ren, WANG Yi-fei, LIANG Qin-feng, YU Zun-hong. Application status and development tendency of coal entrained-bed gasification[J]. Mod Chem Ind, 2004,24(5):23-26.  

    3. [3]

      BAI Jin, KONG Ling-xue, LI Huai-zhu, GUO Zhen-xing, BAI Zong-qing, WEI Chi-wei, LI Wen. Adjustment in high temperature flow property of ash from Shanxi typical anthracite[J]. J Fuel Chem Technol, 2013,41(7):805-813.  

    4. [4]

      NINOMIYA Y, SATO A. Ash melting behavior under coal gasification conditions[J]. Energy Convers Manage, 1997,38(10):1405-1412.  

    5. [5]

      KONDRATIEV A, JAK E. Predicting coal ash slag flow characteristics (viscosity model for the Al2O3-CaO-'FeO'-SiO2 system)[J]. Fuel, 2001,80(14):1989-2000. doi: 10.1016/S0016-2361(01)00083-7

    6. [6]

      JING N J, WANG Q H, YANG Y K, CHENG L M, LUO Z Y, CEN K F. Influence of ash composition on the sintering behavior during pressurized combustion and gasification process[J]. J Zhejiang Univ-Sci A, 2012,13(3):230-238. doi: 10.1631/jzus.A1100206

    7. [7]

      HURST H J, NOVAK F, PATTERSON J H. Phase diagram approach to the fluxing effect of additions of CaCO3 on Australian coal ashes[J]. Energy Fuels, 1996,10(6):1215-1219. doi: 10.1021/ef950264k

    8. [8]

      YAO Xing-yi. Relationship of coal ash fusibility to chemical composition[J]. J Fuel Chem Technol, 1965,6(2):151-161.  

    9. [9]

      DAI Ting-kui. Study on improving ash fusibility and fluxing mechanism of high alumina coal[D]. Huainan:Anhui Univ Sci Technol, 2016.

    10. [10]

      XIAO H X, LI F H, LIU Q R, JI S H, FAN S H, FAN H L, XU M L, GUO Q Q, MA M J, MA X W. Modification of ash fusion behavior of coal with high ash fusion temperature by red mud addition[J]. Fuel, 2017,192:121-127. doi: 10.1016/j.fuel.2016.12.012

    11. [11]

      LI Wen, BAI Jin. Chemistry of Ash from Coal[M]. Beijing:Science Press, 2013.

    12. [12]

      HUANG Qian-jun. The product of base/acid and silica/alumina of ash in steal coal-An index to ash slagging tendency[J]. Power Eng, 2004,24(3):340-344.  

    13. [13]

      SONG W J, TANG L H, ZHU X D, WU Y Q, ZHU Z B, KOYAMA S. Effect of coal ash composition on ash fusion temperatures[J]. Energy Fuels, 2009,24(1):182-189.  

    14. [14]

      XU Jie, LIU Xia, ZHANG Qing, ZHAO Feng, GUO Qing-hua, WANG Fu-chen. Research on ash fusibility and viscosity-temperature characteristic of high-calcium Shanxin coal ash[J]. Proc CSEE, 2013, 33(20):46-51. 

    15. [15]

      LIU X, YU G, XU J, LIANG Q, LIU H. Viscosity fluctuation behaviors of coal ash slags with high content of calcium and low content of silicon[J]. Fuel Process Technol, 2017,158:115-122. doi: 10.1016/j.fuproc.2016.12.013

    16. [16]

      LIU Xia, LIANG Qin-feng, LIU Hai-feng, YU Guang-suo, GONG Xin. Measurement condition of coal ash viscosity-temperature characteristics[J]. J East China Univ Sci Technol:Nat Sci Ed, 2015,1004.  

    17. [17]

      DING Jia-hai. Coal adaptability experience in SE pulverized coal gasification[J]. Large Scale Nitrogenous Fertilizer Ind, 2016,39(6):361-365.  

    18. [18]

      TSURUDA A, ARMA L H, TAKEBE H. Viscosity measurement and prediction of gasified and synthesized coal slag melts[J]. Fuel, 2017,200:521-528. doi: 10.1016/j.fuel.2017.03.094

    19. [19]

      ILYUSHECHKIN A Y, HLA S S. Viscosity of high-iron slags from Australian coals[J]. Energy Fuels, 2013,27(7):3736-3742. doi: 10.1021/ef400593k

    20. [20]

      WU G, YAZHENSKIKH E, HACK K, WOSCH E, MVLLER M. Viscosity model for oxide melts relevant to fuel slags. Part 1:Pure oxides and binary systems in the system SiO2-Al2O3-CaO-MgO-Na2O-K2O[J]. Fuel Process Technol, 2015,137:93-103. doi: 10.1016/j.fuproc.2015.03.025

    21. [21]

      DAI Bai-qian, WU Xiao-jiang, CHEN Yu-shuang, ZHANG Zhong-xiao. Experimental study and quantum chemistry calculation on coal ash fusion behavior and related mineral evolution mechanism[J]. J Chin Soc Power Eng, 2014,34(1):70-76.  

  • 加载中
    1. [1]

      Xin XIONGQian CHENQuan XIE . First principles study of the photoelectric properties and magnetism of La and Yb doped AlN. Chinese Journal of Inorganic Chemistry, 2024, 40(8): 1519-1527. doi: 10.11862/CJIC.20240064

    2. [2]

      Xueyu LinRuiqi WangWujie DongFuqiang Huang . Rational Design of Bimetallic Oxide Anodes for Superior Li+ Storage. Acta Physico-Chimica Sinica, 2025, 41(3): 100021-0. doi: 10.3866/PKU.WHXB202311005

    3. [3]

      Yuting BaiCenqi YanZhen LiJiaqiang QinPei Cheng . Preparation of High-Strength Polyimide Porous Films with Thermally Closed Pore Property by In Situ Pore Formation Method. Acta Physico-Chimica Sinica, 2024, 40(9): 2306010-0. doi: 10.3866/PKU.WHXB202306010

    4. [4]

      Xuyu WANGXinran XIEDengke CAO . Photoreaction characteristics and luminescence modulation in phosphine-anthracene-based Au(Ⅰ) and Ir(Ⅲ) complexes. Chinese Journal of Inorganic Chemistry, 2025, 41(8): 1513-1522. doi: 10.11862/CJIC.20250113

    5. [5]

      Gang ZHANGJian ZHANGHaiyang CHUChongxin QIANLai WEI . Chlorobenzene additive-assisted regulation of (PMA)2PbBr4 crystal growth and photoelectric properties. Chinese Journal of Inorganic Chemistry, 2026, 42(4): 713-721. doi: 10.11862/CJIC.20250318

    6. [6]

      Zehao ZhangZheng WangHaibo Li . Preparation of 2D V2O3@Pourous Carbon Nanosheets Derived from V2CFx MXene for Capacitive Desalination. Acta Physico-Chimica Sinica, 2024, 40(8): 2308020-0. doi: 10.3866/PKU.WHXB202308020

    7. [7]

      Yu PengJiawei ChenYue YinYongjie CaoMochou LiaoCongxiao WangXiaoli DongYongyao Xia . Tailored cathode electrolyte interphase via ethylene carbonate-free electrolytes enabling stable and wide-temperature operation of high-voltage LiCoO2. Acta Physico-Chimica Sinica, 2025, 41(8): 100087-0. doi: 10.1016/j.actphy.2025.100087

    8. [8]

      Junke LIUKungui ZHENGWenjing SUNGaoyang BAIGuodong BAIZuwei YINYao ZHOUJuntao LI . Preparation of modified high-nickel layered cathode with LiAlO2/cyclopolyacrylonitrile dual-functional coating. Chinese Journal of Inorganic Chemistry, 2024, 40(8): 1461-1473. doi: 10.11862/CJIC.20240189

    9. [9]

      Yuqiong LiBing LanBin GuanChunlong DaiFan ZhangZifeng Lin . Molten Salt Derived Mo2CTx MXene with Excellent Catalytic Performance for Hydrogen Evolution Reaction. Acta Physico-Chimica Sinica, 2024, 40(9): 2306031-0. doi: 10.3866/PKU.WHXB202306031

    10. [10]

      Qiang Wu Wenhua Hou . Teaching Classical Contents Newly: Taking Temperature–Entropy Diagram as an Example. University Chemistry, 2025, 40(4): 399-407. doi: 10.12461/PKU.DXHX202407102

    11. [11]

      Guoqiang ChenZixuan ZhengWei ZhongGuohong WangXinhe Wu . Molten Intermediate Transportation-Oriented Synthesis of Amino-Rich g-C3N4 Nanosheets for Efficient Photocatalytic H2O2 Production. Acta Physico-Chimica Sinica, 2024, 40(11): 2406021-0. doi: 10.3866/PKU.WHXB202406021

    12. [12]

      Ping ZHANGChenchen ZHAOXiaoyun CUIBing XIEYihan LIUHaiyu LINJiale ZHANGYu'nan CHEN . Preparation and adsorption-photocatalytic performance of ZnAl@layered double oxides. Chinese Journal of Inorganic Chemistry, 2024, 40(10): 1965-1974. doi: 10.11862/CJIC.20240014

    13. [13]

      Qiang Zhou Yu Huang Jiahe Li Wei Shao Wanqun Hu Pingping Zhu . Design and Practice of Ideological and Political Cases in the Course of Polymer Physics Experiments: Taking “3D Printing Based on Fused Deposition Modeling/Photocuring Molding” as an Example. University Chemistry, 2026, 41(2): 393-399. doi: 10.12461/PKU.DXHX202502104

    14. [14]

      Xiaojing TianZhichun HuangQingsong ZhangXu WangNing YangNanping Deng . PNIPAm Thermo-Responsive Nanofibers Mats: Morphological Stability and Response Behavior under Cross-Linking. Acta Physico-Chimica Sinica, 2024, 40(4): 2304037-0. doi: 10.3866/PKU.WHXB202304037

    15. [15]

      Juan WANGZhongqiu WANGQin SHANGGuohong WANGJinmao LI . NiS and Pt as dual co-catalysts for the enhanced photocatalytic H2 production activity of BaTiO3 nanofibers. Chinese Journal of Inorganic Chemistry, 2024, 40(9): 1719-1730. doi: 10.11862/CJIC.20240102

    16. [16]

      Xunzhang Fan Yuanjin Zhao Shufang Luo Aihua He . Karl Ziegler: A Pioneer in the Polyolefin Industry – Commemorating the 50th Anniversary of the German Chemist’s Passing. University Chemistry, 2024, 39(8): 389-394. doi: 10.3866/PKU.DXHX202312065

    17. [17]

      Sumiya Akter DristyMd Ahasan HabibShusen LinMehedi Hasan JoniRutuja MandavkarYoung-Uk ChungMd NajibullahJihoon Lee . Exploring Zn doped NiBP microspheres as efficient and stable electrocatalyst for industrial-scale water splitting. Acta Physico-Chimica Sinica, 2025, 41(7): 100079-0. doi: 10.1016/j.actphy.2025.100079

    18. [18]

      Kai PENGXinyi ZHAOZixi CHENXuhai ZHANGYuqiao ZENGJianqing JIANG . Progress in the application of high-entropy alloys and high-entropy ceramics in water electrolysis. Chinese Journal of Inorganic Chemistry, 2025, 41(7): 1257-1275. doi: 10.11862/CJIC.20240454

    19. [19]

      Xi YANGChunxiang CHANGYingpeng XIEYang LIYuhui CHENBorao WANGLudong YIZhonghao HAN . Co-catalyst Ni3N supported Al-doped SrTiO3: Synthesis and application to hydrogen evolution from photocatalytic water splitting. Chinese Journal of Inorganic Chemistry, 2025, 41(3): 440-452. doi: 10.11862/CJIC.20240371

    20. [20]

      Xiaofang LiZhigang Wang . 调节金助催化剂的dz2占据轨道增强光催化合成H2O2. Acta Physico-Chimica Sinica, 2025, 41(7): 100080-0. doi: 10.1016/j.actphy.2025.100080

Metrics
  • PDF Downloads(1)
  • Abstract views(1451)
  • HTML views(222)

通讯作者: 陈斌, bchen63@163.com
  • 1. 

    沈阳化工大学材料科学与工程学院 沈阳 110142

  1. 本站搜索
  2. 百度学术搜索
  3. 万方数据库搜索
  4. CNKI搜索
Address:Zhongguancun North First Street 2,100190 Beijing, PR China Tel: +86-010-82449177-888
Powered By info@rhhz.net

/

DownLoad:  Full-Size Img  PowerPoint
Return