Citation: LIANG Sheng-rong, LIU Feng, WANG Qian, WU Rui-rui, ZHANG Jun-tao, SHEN Zhi-bing. Effect of modification to Hβ with F on the performance of Mo-Ni/F-Hβ catalyst in the sulfur transfer reactions of FCC gasoline[J]. Journal of Fuel Chemistry and Technology, ;2020, 48(4): 405-413. shu

Effect of modification to Hβ with F on the performance of Mo-Ni/F-Hβ catalyst in the sulfur transfer reactions of FCC gasoline

  • Corresponding author: SHEN Zhi-bing, szb@xsyu.edu.cn
  • Received Date: 22 November 2019
    Revised Date: 31 January 2020

    Fund Project: China Petroleum Science and Technology Innovation Fund Project 2017D-5007-0401The project was supported by the China Petroleum Science and Technology Innovation Fund Project (2017D-5007-0401), Open Fund Project of National Key Laboratory of Heavy Oil and Postgraduate Innovation and Practical Ability Training Project of Xi'an University of Petroleum (YCS19113074)Practical Ability Training Project of Xi'an University of Petroleum YCS19113074

Figures(10)

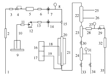
  • Hβ zeolite was modified with different contents of F to prepare the Mo-Ni/F-Hβ catalysts. The Mo-Ni/F-Hβ catalysts were characterized by nitrogen physisorption, NH3-TPD, XRD, Py-FTIR and SEM; the effect of modification to Hβ with F on the catalytic performance of Mo-Ni/F-Hβ in the sulfur transfer reactions such as etherification of mercaptan and alkylation of thiophene in FCC gasoline was then investigated. The results indicate that the Mo-Ni/F-Hβ catalyst prepared with 0.5% F-modified Hβ zeolite can promote the thioetherification and thiophene alkylation reactions and improve the selectivity of dienes hydrogenation. The introduction of F can enhance the medium strong acid content of Hβ zeolite, reduce the strong acid content, and increase the ratio of L/B acid sites, all these may contribute to improving the catalytic performance of Mo-Ni/F-Hβ in the sulfur transfer reactions of FCC gasoline.
  • 加载中
    1. [1]

      YU F, WANG Q, YUAN B, XIE C X, YU S T. Alkylation desulfurization of FCC gasoline over organic-inorganic heteropoly acid catalyst[J]. J Chem Eng, 2017,309:298-304. doi: 10.1016/j.cej.2016.10.003

    2. [2]

      SHEN Z, ZHANG J, REN T, LIANG S. The performance of benzenesulfonic acid catalyst on the alkylation of thiophenic sulfur[J]. Appl Petrochem Res, 2016,6(1):35-40. doi: 10.1007/s13203-015-0116-z

    3. [3]

      FU W, ZHANG L, WU D, YU Q, TANG T, TANG T. Mesoporous molecular sieve ZSM-5 supported Ni2P catalysts with high activity in the hydrogenation of phenanthrene and 4, 6-dimethyldibenzothiophene[J]. Ind Eng Chem Res, 2016,55(26):7085-7095. doi: 10.1021/acs.iecr.6b01583

    4. [4]

      GUO B, LI Y. Analysis and simulation of reactive distillation for gasoline alkylation desulfurization[J]. Chem Eng Sci, 2012,72:115-125.  

    5. [5]

      YU Y, LI R, LI Q. Alkylation of thiophenic compounds with 1-hexene over sulfonated solid acid catalysts[J]. Prog React Kinet Mech, 2013,38(4):425-430.  

    6. [6]

      SAAD A, AL-BOGAMI , HUGO I. Catalytic conversion of benzothiophene over a H-ZSM5 based catalyst[J]. Fuel, 2013,108:490-501. doi: 10.1016/j.fuel.2012.11.008

    7. [7]

      RISTIĆ A, FISCHER F, HAUER A, LOGAR N Z. Improved performance of binder-free zeolite Y for low-temperature sorption heat storage[J]. J Mater Chem A, 2018,6(24):11521-11530. doi: 10.1039/C8TA00827B

    8. [8]

      GUO B, WANG R, LI Y. The performance of solid phosphoric acid catalysts and macroporous sulfonic resins on gasoline alkylation desulfurization[J]. Fuel Process Technol, 2010,91(11):1731-1735. doi: 10.1016/j.fuproc.2010.07.012

    9. [9]

      FAVARETTO L, AN J, SAMBO M, DE NISI A, BETTINI C, MELUCCI M, KOVTUN A, LISCIO A, PALERMO V, BOTTONI A, ZERBETTO F, CALVARESI M, ZERBETTO F. Graphene oxide promotes site-selective allylic alkylation of thiophenes with alcohols[J]. Org Lett, 2018,20(12):3705-3709. doi: 10.1021/acs.orglett.8b01531

    10. [10]

      SRIVASTAVA V C. An evaluation of desulfurization technologies for sulfur removal from liquid fuels[J]. Rsc Adv, 2012,2(3):759-783. doi: 10.1039/C1RA00309G

    11. [11]

      XU Ya-rong, SHEN Ben-xian, XU Xin-liang, ZHAO Ji-gang, LIU Gang. Transfer performance of solid mixed acid catalytic alkylation of sulfur in FCC gasoline[J]. J East China Univ Technol:Nat Sci Ed, 2010,36(5):633-638. doi: 10.3969/j.issn.1006-3080.2010.05.006

    12. [12]

      NOCCA J L, COSYNS J, DEBUISSCHERT Q, DIDILLON B. The domino interaction of refinery processes for gasoline quality attainment. San Antonio, TX: Proceedings of the NPRA Annual Meeting, March 2000, AM-00-61.

    13. [13]

      Zhou Zhi-yuan. Study on acid catalysts for diene thioetherification[C]//Catalysis Committee of the Chinese Chemical Society. Proceedings of the 11th National Youth catalysis Academic Conference (2). Catalysis Committee of the Chinese Chemical Society: School of chemistry and chemistry, China University of Petroleum (East China), 2007: 2.

    14. [14]

      PATMAN H M. Method of mercaptan removal: CN, 00812936.3[P]. 2000-07-03.

    15. [15]

      HEARN D, HICKEY T P. Gasoline desulfurization method: CN, 96196515.0[P]. 1998-09-06.

    16. [16]

      ZHANG Z, GUO X, LIU S, ZHU X, XU L. Modification of Hβ molecular sieve by fluorine and its influence on olefin alkylation thiophenic sulfur in gasoline[J]. Fuel Process Technol, 2008,89(1):103-110. doi: 10.1016/j.fuproc.2007.08.003

    17. [17]

      WANG R, WAN J, LI Y, SUN H. An improvement of MCM-41 supported phosphoric acid catalyst for alkylation desulfurization of fluid catalytic cracking gasoline[J]. Fuel, 2015,143:504-511. doi: 10.1016/j.fuel.2014.11.093

    18. [18]

      SHI R, LI Y, WANG R, GUO B. Alkylation of thiophenic compounds with olefins and its kinetics over MCM-41 supported phosphoric acid in fcc gasoline[J]. Catal Lett, 2010,139(3/4):114-122.  

    19. [19]

      PAN Hong-yan, TIAN Min, LIN Qian. Effect of silicon aluminum ratio on the performance of ZSM-5 zeolite catalyst for methanol to olefin[J]. Nat Gas Ind, 2015,40(1):9-12.  

    20. [20]

      BRZOZOWSKI R, SKUPIŃSKI W. Molecular sieve pore entrance effect on shape selectivity in naphthalene isopropylation[J]. J Catal, 2002,210(2):313-318.  

    21. [21]

      COLON G, FERINO I, ROMBI E. Liquid-phase alkylation of naphthalene by isopropanol over molecular sieves. Part 1:HY molecular sieves[J]. Appl Catal A:Gen, 1998,168(1):81-92. doi: 10.1016/S0926-860X(97)00346-3

    22. [22]

      SMIRNIOTIS P G, RUCKENSTEIN E J. Comparison between zeolite β and γ-Al2O3 supported Pt for reforming reactions[J]. J Catal, 1993,140(2):526-542.  

    23. [23]

      RUCKENSTEIN E, SMIRNIOTIS P G. Two sources of synergism in the reforming ofn-hexane, methylcyclopentane, methylcyclohexane mixtures over composites of basic and acidic zeolites[J]. Catal Lett, 1994,24(1/2):123-132.  

    24. [24]

      SMIRNIOTIS P G, RUCKENSTEIN E. Increased aromatization in the reforming of mixtures of n-hexane, methylcyclopentane and methylcyclohexane over composites of Pt/BaKL zeolite with Pt/β or Pt/USY zeolites[J]. Appl Catal A:Gen, 1995,123(1):59-88. doi: 10.1016/0926-860X(94)00241-X

    25. [25]

      BLACKMOND D G, GOODWIN J G, LESTER J E. In situ Fourier transform infrared spectroscopy study of HY cracking catalysts:Coke formation and the nature of the active sites[J]. J Catal, 1982,78(1):34-43.  

  • 加载中
    1. [1]

      Wenruo NIHongpeng LIYun ZHANGYiran TIANJiehui RUIYingcheng TONGXiaolin PIZhenyan TANG . Research progress of ruthenium alloy catalysts in hydrogen evolution reaction. Chinese Journal of Inorganic Chemistry, 2026, 42(1): 23-44. doi: 10.11862/CJIC.20250188

    2. [2]

      Peng YUELiyao SHIJinglei CUIHuirong ZHANGYanxia GUO . Effects of Ce and Mn promoters on the selective oxidation of ammonia over V2O5/TiO2 catalyst. Chinese Journal of Inorganic Chemistry, 2025, 41(2): 293-307. doi: 10.11862/CJIC.20240210

    3. [3]

      Jiayi Yang Jianxiu Hao Huacong Zhou Quansheng Liu . “Gorgeous Transformation” of Carbon Dioxide into Cyclic Carbonates: Catalyst Types and Roles. University Chemistry, 2026, 41(2): 178-189. doi: 10.12461/PKU.DXHX202502105

    4. [4]

      Bing WEIJianfan ZHANGZhe CHEN . Research progress in fine tuning of bimetallic nanocatalysts for electrocatalytic carbon dioxide reduction. Chinese Journal of Inorganic Chemistry, 2025, 41(3): 425-439. doi: 10.11862/CJIC.20240201

    5. [5]

      Wentao XuXuyan MoYang ZhouZuxian WengKunling MoYanhua WuXinlin JiangDan LiTangqi LanHuan WenFuqin ZhengYoujun FanWei Chen . Bimetal Leaching Induced Reconstruction of Water Oxidation Electrocatalyst for Enhanced Activity and Stability. Acta Physico-Chimica Sinica, 2024, 40(8): 2308003-0. doi: 10.3866/PKU.WHXB202308003

    6. [6]

      Chenyang WANGYiyan BAIWei ZHANGZhaorong LIUYuchun WANG . Performance of photo-assisted copper oxide catalyzed hydrolysis of ammonia borane to produce hydrogen. Chinese Journal of Inorganic Chemistry, 2026, 42(1): 97-110. doi: 10.11862/CJIC.20250116

    7. [7]

      Shuting KONGFengshi ZHANGZhiyi LUYanling LIUMinglang YEZhengfang HULongsheng WANGBing HUHaiying WANG . Research advance of the preparation of tributyl citrate catalyzed by supported heteropolyacid catalysts. Chinese Journal of Inorganic Chemistry, 2026, 42(3): 441-452. doi: 10.11862/CJIC.20250303

    8. [8]

      Yongwei ZHANGChuang ZHUWenbin WUYongyong MAHeng YANG . Efficient hydrogen evolution reaction activity induced by ZnSe@nitrogen doped porous carbon heterojunction. Chinese Journal of Inorganic Chemistry, 2025, 41(4): 650-660. doi: 10.11862/CJIC.20240386

    9. [9]

      Zhaoyu WenNa HanYanguang Li . Recent Progress towards the Production of H2O2 by Electrochemical Two-Electron Oxygen Reduction Reaction. Acta Physico-Chimica Sinica, 2024, 40(2): 2304001-0. doi: 10.3866/PKU.WHXB202304001

    10. [10]

      Mei-Xia Yang Zhen-Hong He Long-Rui Wang You-Xing Yang . Route for Turning Waste CH4 and CO2 into Valuable Products: Reforming for Syngas. University Chemistry, 2026, 41(2): 197-207. doi: 10.12461/PKU.DXHX202503012

    11. [11]

      Huiwei DingBo PengZhihao WangQiaofeng Han . Advances in Metal or Nonmetal Modification of Bismuth-Based Photocatalysts. Acta Physico-Chimica Sinica, 2024, 40(4): 2305048-0. doi: 10.3866/PKU.WHXB202305048

    12. [12]

      Haodong JINQingqing LIUChaoyang SHIDanyang WEIJie YUXuhui XUMingli XU . NiCu/ZnO heterostructure photothermal electrocatalyst for efficient hydrogen evolution reaction. Chinese Journal of Inorganic Chemistry, 2025, 41(6): 1068-1082. doi: 10.11862/CJIC.20250048

    13. [13]

      Lingling LiZhe Chen . Charge transfer mechanism investigation of S-scheme photocatalyst using soft X-ray absorption spectroscopy. Acta Physico-Chimica Sinica, 2026, 42(4): 100215-0. doi: 10.1016/j.actphy.2025.100215

    14. [14]

      Haiqiang Lin Weizheng Weng Jingdong Lin Mingshu Chen Xueming Fang Lefu Yang . Diverse Variables-Driven Catalytic Optimization: Experimental Enhancement and Instructional Design for Selective Methane Oxidation on Supported Nickel-based Catalysts. University Chemistry, 2025, 40(11): 327-336. doi: 10.12461/PKU.DXHX202505106

    15. [15]

      Wei SunYongjing WangKun XiangSaishuai BaiHaitao WangJing ZouArramelJizhou Jiang . CoP Decorated on Ti3C2Tx MXene Nanocomposites as Robust Electrocatalyst for Hydrogen Evolution Reaction. Acta Physico-Chimica Sinica, 2024, 40(8): 2308015-0. doi: 10.3866/PKU.WHXB202308015

    16. [16]

      Kangjuan ChengChunxiao LiuYoupeng WangQiu JiangTingting ZhengXu LiChuan Xia . Design of noble metal catalysts and reactors for the electrosynthesis of hydrogen peroxide. Acta Physico-Chimica Sinica, 2025, 41(10): 100112-0. doi: 10.1016/j.actphy.2025.100112

    17. [17]

      Chao WUQingxiu SHITao XUZhengxi PENGZhongping XIONGYinglin ZHANGYujun SIChaozhong GUO . Enhancement of oxygen reduction reaction performance of iron-nitrogen doped carbon based catalysts by sodium carboxymethyl cellulose pre-deoxygenation. Chinese Journal of Inorganic Chemistry, 2026, 42(4): 737-746. doi: 10.11862/CJIC.20250305

    18. [18]

      Jun LIHuipeng LIHua ZHAOQinlong LIU . Preparation and photocatalytic performance of AgNi bimetallic modified polyhedral bismuth vanadate. Chinese Journal of Inorganic Chemistry, 2024, 40(3): 601-612. doi: 10.11862/CJIC.20230401

    19. [19]

      Aoran LIURui LIZongyao WANGPenghui SHANGJiawei WANDan WANG . Hollow multi-shelled structure materials for catalytic applications. Chinese Journal of Inorganic Chemistry, 2025, 41(10): 2039-2053. doi: 10.11862/CJIC.20250036

    20. [20]

      Yi YangXin ZhouMiaoli GuBei ChengZhen WuJianjun Zhang . Femtosecond transient absorption spectroscopy investigation on ultrafast electron transfer in S-scheme ZnO/CdIn2S4 photocatalyst for H2O2 production and benzylamine oxidation. Acta Physico-Chimica Sinica, 2025, 41(6): 100064-0. doi: 10.1016/j.actphy.2025.100064

Metrics
  • PDF Downloads(6)
  • Abstract views(1734)
  • HTML views(297)

通讯作者: 陈斌, bchen63@163.com
  • 1. 

    沈阳化工大学材料科学与工程学院 沈阳 110142

  1. 本站搜索
  2. 百度学术搜索
  3. 万方数据库搜索
  4. CNKI搜索
Address:Zhongguancun North First Street 2,100190 Beijing, PR China Tel: +86-010-82449177-888
Powered By info@rhhz.net

/

DownLoad:  Full-Size Img  PowerPoint
Return