Citation: SHI He-xiang, LI Zhi-kai, LIU Ke-feng, XIAO Hai-cheng, KONG Fan-hua, ZHANG Juan, CHEN Jian-gang. Enhanced formation of α-olefins by the pulse process between Fischer-Tropsch synthesis and N2 purging[J]. Journal of Fuel Chemistry and Technology, ;2016, 44(7): 822-829. shu

Enhanced formation of α-olefins by the pulse process between Fischer-Tropsch synthesis and N2 purging

  • Corresponding author: CHEN Jian-gang, chenjg@sxicc.ac.cn
  • Received Date: 3 March 2016
    Revised Date: 6 April 2016

    Fund Project: The project was supported by the National Natural Science Foundation of China 21373254PetroChina PRIKY15039PetroChina PRIKY15042The project was supported by the National Natural Science Foundation of China 21503256PetroChina PRIKY14006PetroChina PRIKY15038

Figures(7)

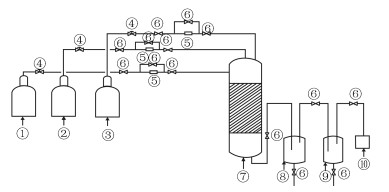
  • The Fischer-Tropsch synthesis has offered an alternative way to convert coal and biomass into chemicals such as α-olefins via sygas comprised of H2 and CO. A pulse process switching between Fischer-Tropsch synthesis and N2 purging was carried out when the Fischer-Tropsch synthesis became stable in the fixed bed reactor. The activity and selectivity over Fe-Co catalyst for α-olefins in Fischer-Tropsch synthesis reaction were measured under the normal conditions of 2.0 MPa, 497 K, 2 000 h-1 and H2/CO volume ratio of 2.0. It was found that the olefin to paraffin ratio of C3 for Fe-Co catalyst purged at 517 K and 0.2 MPa was almost nine times higher than that of the fresh one without purging under the same reaction conditions, and the CH4 selectivity and CO conversion decreased after purging. Two possible reasons were proposed to explain these phenomena. Moreover, a batch experiment by the pulse process in fixed bed reactor was performed. Notably, a high olefins yield was obtained via the pulse process during the Fischer-Tropsch synthesis.
  • 加载中
    1. [1]

      DRY M E. The Fischer-Tropsch process: 1950-2000[J]. Catal Today, 2002,71(3/4):227-241.  

    2. [2]

      ZHENG S, SUN J, SONG D, CHEN Z, CHEN J. The facile fabrication of magnetite nanoparticles and their enhanced catalytic performance in Fischer-Tropsch synthesis[J]. Chem Commun, 2015,51(55):11123-11125. doi: 10.1039/C5CC03336E

    3. [3]

      DUPAIN X, KRUL R A, SCHAVERIEN C J, MAKKEE M, MOULIJN J A. Production of clean transportation fuels and lower olefins from Fischer-Tropsch synthesis waxes under fluid catalytic cracking conditions[J]. Appl Catal B: Environ, 2006,63(3/4):277-295.  

    4. [4]

      CAVELL R G, CREED B, GELMINI L, LAW D J, MCDONALD R, SANGER A R, SOMOGYVARI A. Design, syntheses and application of new phosphine and dithiophosphinate complexes of nickel: Catalyst precursors for the oligomerization of ethylene[J]. Inorg Chem, 1998,37(4):757-763. doi: 10.1021/ic970798w

    5. [5]

      JANARDANARAO M. Direct catalytic conversion of synthesis gas to lower olefins[J]. Ind Eng Chem Res, 1990,29(9):1735-1753. doi: 10.1021/ie00105a001

    6. [6]

      LIU Z, SUN C, WANG G, WANG Q, CAI G. New progress in R & D of lower olefin synthesis[J]. Fuel Process Technol, 2000,62(2/3):161-172.

    7. [7]

      PARK J, LEE Y, JUN K, BAE J W, VISWANADHAM N, KIM Y H. Direct conversion of synthesis gas to light olefins using dual bed reactor[J]. J Ind Eng Chem, 2009,15(6):847-853. doi: 10.1016/j.jiec.2009.09.011

    8. [8]

      TORRES GALÜIS H M, BITTER J H, KHARE C B, RUITENBEEK M, DUGULAN A I, DE JONG K P. Supported iron nanoparticles as catalysts for sustainable production of lower olefins[J]. Science, 2012,335(6070):835-838. doi: 10.1126/science.1215614

    9. [9]

      MA C, CHEN J. Effect of hydrothermal treatment on precipitated iron catalyst for Fischer-Tropsch Synthesis[J]. Catal Lett, 2015,145(2):702-711. doi: 10.1007/s10562-014-1457-4

    10. [10]

      SUN J, ZHENG S, ZHANG K, SONG D, LIU Y, SUN X, CHEN J. The crystal plane effect of CoFe nanocrystals on Fischer-Tropsch synthesis[J]. J Mater Chem A, 2014,2(32):13116-13122. doi: 10.1039/C4TA02425G

    11. [11]

      JOYNER R W. The mechanism of chain growth in the Fischer-Tropsch hydrocarbon synthesis[J]. Catal Lett, 1988,1(10):307-310. doi: 10.1007/BF00774872

    12. [12]

      MADON R J, IGLESIA E. The importance of olefin readsorption and H2/CO reactant ratio for hydrocarbon chain growth on ruthenium catalysts[J]. J Catal, 1993,139(2):576-590. doi: 10.1006/jcat.1993.1051

    13. [13]

      LINGHU W, LIU X, LI X, FUJIMOTO K. Selective synthesis of higher linear alpha-olefins over cobalt Fischer-Tropsch catalyst[J]. Catal Lett, 2006,108(1/2):11-13.  

    14. [14]

      JANANI H, REZVANI A R, GRIVANI G H, MIRZAEI A A. Fischer-Tropsch synthesis of hydrocarbons over new Co/Ce bimetallic catalysts derived from dipicolinate and carbonyl metal complexes[J]. J Inorg Organomet Polym, 2015,25(5):1169-1182. doi: 10.1007/s10904-015-0225-2

    15. [15]

      RAMASAMY K K, GRAY M, JOB H, WANG Y. Direct syngas hydrogenation over a Co-Ni bimetallic catalyst: Process parameter optimization[J]. Chem Eng Sci, 2015,135:266-273. doi: 10.1016/j.ces.2015.03.064

    16. [16]

      SHIMURA K, MIYAZAWA T, HANAOKA T, HIRATA S. Fischer-Tropsch synthesis over alumina supported bimetallic Co-Ni catalyst: Effect of impregnation sequence and solution[J]. J Mol Catal A: Chem, 2015,407:15-24. doi: 10.1016/j.molcata.2015.06.013

    17. [17]

      FARZANFAR J, REZVANI A R. Inorganic complex precursor route for preparation of high-temperature Fischer-Tropsch synthesis Ni-Co nanocatalysts[J]. Res Chem Intermed, 2015,41(11):8975-9001. doi: 10.1007/s11164-015-1942-4

    18. [18]

      CALDERONE V R, SHIJU N R, FERRE D C, ROTHENBERGA G. Bimetallic catalysts for the Fischer-Tropsch reaction[J]. Green Chem, 2011,13(8):1950-1959. doi: 10.1039/c0gc00919a

    19. [19]

      KEYSER M J, EVERSON R C, ESPINOZA R L. Fischer-Tropsch studies with cobalt-manganese oxide catalysts: Synthesis performance in a fixed bed reactor[J]. Appl Catal A: Gen, 1998,171(1):99-107. doi: 10.1016/S0926-860X(98)00083-0

    20. [20]

      DUVENHAGE D J, COVILLE N J. Fe:Co/TiO2 bimetallic catalysts for the Fischer-Tropsch reaction I. Characterization and reactor studies[J]. Appl Catal A: Gen, 1997,153(1/2):43-67.

    21. [21]

      DUVENHAGE D J, COVILLE N J. Fe: Co/TiO2 bimetallic catalysts for the Fischer-Tropsch reaction: part 2. the effect of calcination and reduction temperature[J]. Appl Catal A: Gen, 2002,233(1/2):63-75.

    22. [22]

      TIHAY F, ROGER A C, KIENNEMANN A, POURROY G. Fe-Co based metal/spinel to produce light olefins from syngas[J]. Catal Today, 2000,58(4):263-269. doi: 10.1016/S0920-5861(00)00260-1

    23. [23]

      MIRZAEI A A, HABIBPOUR R, KASHI E. Preparation and optimization of mixed iron cobalt oxide catalysts for conversion of synthesis gas to light olefins[J]. Appl Catal A: Gen, 2005,296(2):222-231. doi: 10.1016/j.apcata.2005.08.033

    24. [24]

      MA X, SUN Q, YING W, FANG D. Effects of the ratio of Fe to Co over Fe-Co/SiO2 bimetallic catalysts on their catalytic performance for Fischer-Tropsch synthesis[J]. J Nat Gas Chem, 2009,18(2):232-236. doi: 10.1016/S1003-9953(08)60102-4

    25. [25]

      DE LA PENA O'SHEA V A, ÁLÜAREZ-GALÜAN M C, CAMPOS-MARTIN J M, FIERRO J L G. Fischer-Tropsch synthesis on mono-and bimetallic Co and Fe catalysts in fixed-bed and slurry reactors[J]. Appl Catal A: Gen, 2007,326(1):65-73. doi: 10.1016/j.apcata.2007.03.037

    26. [26]

      YOKOTA K, FUJIMOTO K. Supercritical phase Fischer-Tropsch synthesis reaction[J]. Fuel, 1989,68(2):255-256. doi: 10.1016/0016-2361(89)90335-9

    27. [27]

      SAVOST'YANOV A P, YAKOVENKOA R E, NAROCHNYI G B, LAPIDUS A L. Effect of the dilution of synthesis gas with nitrogen on the Fischer-Tropsch process for the production of hydrocarbons[J]. Solid Fuel Chem, 2015,49(6):356-359. doi: 10.3103/S0361521915060099

    28. [28]

      LU X, ZHU X, HILDEBRANDT D, LIU X, GLASSER D. A new way to look at Fischer-Tropsch Synthesis using flushing experiments[J]. Ind Eng Chem Res, 2011,50(8):4359-4365. doi: 10.1021/ie102095c

    29. [29]

      SCHULZ H. Major and minor reactions in Fischer-Tropsch synthesis on cobalt catalysts[J]. Top Catal, 2003,26(1/4):73-85.  

    30. [30]

      SCHULZ H, NIE Z, OUSMANOV F. Construction of the Fischer-Tropsch regime with cobalt catalysts[J]. Catal Today, 2002,71(3/4):351-360.  

    31. [31]

      WILSON J, DE GROOT C. Atomic-scale restructuring in high-pressure catalysis[J]. J Phys Chem, 1995,99:7860-7866. doi: 10.1021/j100020a005

    32. [32]

      LIU Y, CHEN J, FANG K, WANG Y, SUN Y. A large pore-size mesoporous zirconia supported cobalt catalyst with good performance in Fischer-Tropsch synthesis[J]. Catal Commun, 2007,8(6):945-949. doi: 10.1016/j.catcom.2006.06.019

    33. [33]

      KHODAKOV A Y, GRIBOVOL-CONSTANT A, BECHARA R, ZHOLOBENKO V L. Pore size efects in Fischer Tropsch synthesis over cobalt-dupported mesoporous silicas[J]. J Catal, 2002,206(2):230-241. doi: 10.1006/jcat.2001.3496

    34. [34]

      OLEWSKI T, TODIC B, NOWICKI L, NIKACEVIC N, BUKUR D B. Hydrocarbon selectivity models for iron-based Fischer-Tropsch catalyst[J]. Chem Eng Res Des, 2015,95:1-11. doi: 10.1016/j.cherd.2014.12.015

    35. [35]

      YAN F, QIAN W, SUN Q, ZHANG H, YING W, FANG D. Product distributions and olefin-to-paraffin ratio over an iron-based catalyst for Fischer-Tropsch synthesis[J]. React Kinet Mech Cat, 2014,113(2):471-485. doi: 10.1007/s11144-014-0746-7

    36. [36]

      TSUBAKI N, FUJIMOTO K. Product control in Fischer-Tropsch synthesis[J]. Fuel Process Technol, 2000,62(2/3):173-186.  

    37. [37]

      ERKEY C, RODDEN J B, AKGERMAN A. Diffusivities of synthesis gas and n-alkanes in Fischer-Tropsch wax[J]. Energy Fuels, 1990,4(3):275-276. doi: 10.1021/ef00021a010

    38. [38]

      IGLESIA E, REYES S C, MADON R J. Transport-enhanced alpha-olefin readsorption pathways in Ru-catalyzed hydrocarbon synthesis[J]. J Catal, 1991,129(1):238-256. doi: 10.1016/0021-9517(91)90027-2

    39. [39]

      SCHULZ H, CLAEYS M. Reactions of alpha-olefins of different chain length added during Fischer-Tropsch synthesis on a cobalt catalyst in a slurry reactor[J]. Appl Catal A: Gen, 1999,186(1/2):71-90.  

    40. [40]

      CHENG J, SONG T, HU P, LOK C M, ELLIS P, FRENCH S. A density functional theory study of the α-olefin selectivity in Fischer-Tropsch synthesis[J]. J Catal, 2008,255(1):20-28. doi: 10.1016/j.jcat.2008.01.027

    41. [41]

      KUIPERS E W, VINKENBURG I H, OOSTERBEEK H. Chain-length dependence of alpha-olefin readsorption in Fischer-Tropsch synthesis[J]. J Catal, 1995,152(1):137-146. doi: 10.1006/jcat.1995.1068

  • 加载中
    1. [1]

      Hui LiYanxing QiJia ChenJuanjuan WangMin YangHongdeng Qiu . Synthesis of amine-pillar[5]arene porous adsorbent for adsorption of CO2 and selectivity over N2 and CH4. Chinese Chemical Letters, 2024, 35(11): 109659-. doi: 10.1016/j.cclet.2024.109659

    2. [2]

      Rui HuYidan QiXingyu WangYunhui YangCongyang Wang . Titanium-promoted conversion of N2 into N-methylimides. Chinese Chemical Letters, 2026, 37(1): 111197-. doi: 10.1016/j.cclet.2025.111197

    3. [3]

      Sanmei WangYong ZhouHengxin FangChunyang NieChang Q SunBiao Wang . Constant-potential simulation of electrocatalytic N2 reduction over atomic metal-N-graphene catalysts. Chinese Chemical Letters, 2025, 36(3): 110476-. doi: 10.1016/j.cclet.2024.110476

    4. [4]

      Bin Chen Chaoyang Zheng Dehuan Shi Yi Huang Renxia Deng Yang Wei Zheyuan Liu Yan Yu Shenghong Zhong . p-d orbital hybridization induced by CuGa2 promotes selective N2 electroreduction. Chinese Journal of Structural Chemistry, 2025, 44(1): 100468-100468. doi: 10.1016/j.cjsc.2024.100468

    5. [5]

      Ping Wang Tianbao Zhang Zhenxing Li . Reconstruction mechanism of Cu surface in CO2 reduction process. Chinese Journal of Structural Chemistry, 2024, 43(8): 100328-100328. doi: 10.1016/j.cjsc.2024.100328

    6. [6]

      Chang LIUChao ZHANGTongbu LU . Small-size Au nanoparticles anchored on pyrenyl-graphdiyne for N2 electroreduction. Chinese Journal of Inorganic Chemistry, 2025, 41(1): 174-182. doi: 10.11862/CJIC.20240305

    7. [7]

      Chaozheng HeMenghui XiChenxu ZhaoRan WangLing FuJinrong Huo . Highly N2 dissociation catalyst: Ir(100) and Ir(110) surfaces. Chinese Chemical Letters, 2025, 36(3): 109671-. doi: 10.1016/j.cclet.2024.109671

    8. [8]

      Jingtai BiYupeng ChengMengmeng SunXiaofu GuoShizhao WangYingying Zhao . Efficient and selective photocatalytic nitrite reduction to N2 through CO2 anion radical by eco-friendly tartaric acid activation. Chinese Chemical Letters, 2024, 35(11): 109639-. doi: 10.1016/j.cclet.2024.109639

    9. [9]

      Lijun YanShiqi ChenPenglu WangXiangyu LiuLupeng HanTingting YanYuejin LiDengsong Zhang . Hydrothermally stable metal oxide-zeolite composite catalysts for low-temperature NOx reduction with improved N2 selectivity. Chinese Chemical Letters, 2024, 35(6): 109132-. doi: 10.1016/j.cclet.2023.109132

    10. [10]

      Shanyuan BiJin ZhangDengchao PengDanhong ChengJianping ZhangLupeng HanDengsong Zhang . Improved N2 selectivity for low-temperature NOx reduction over etched ZSM-5 supported MnCe oxide catalysts. Chinese Chemical Letters, 2025, 36(5): 110295-. doi: 10.1016/j.cclet.2024.110295

    11. [11]

      Jinzhou ZhengChaozheng HeChenxu Zhao . Rational catalyst design for N2 electro-reduction: Regulation strategies and quick screen towards enhanced conversion efficiency. Chinese Chemical Letters, 2025, 36(7): 111056-. doi: 10.1016/j.cclet.2025.111056

    12. [12]

      Fangxiang SUNQing ZHANGYifan ZHANGHaoyi SUNAkim V. Shmal′koSergey A. AnufrievIgor B. SivaevDeshuang TUHong YAN . Pd-catalyzed B—H bond activation and annulation of nido-carborane with terminal olefins: Facile construction of 2D-3D fused polycyclic compounds. Chinese Journal of Inorganic Chemistry, 2026, 42(3): 467-478. doi: 10.11862/CJIC.20250347

    13. [13]

      Yiqian JiangZihan YangXiuru BiNan YaoPeiqing ZhaoXu Meng . Mediated electron transfer process in α-MnO2 catalyzed Fenton-like reaction for oxytetracycline degradation. Chinese Chemical Letters, 2024, 35(8): 109331-. doi: 10.1016/j.cclet.2023.109331

    14. [14]

      Xueyang ZhaoBangwei DengHongtao XieYizhao LiQingqing YeFan Dong . Recent process in developing advanced heterogeneous diatomic-site metal catalysts for electrochemical CO2 reduction. Chinese Chemical Letters, 2024, 35(7): 109139-. doi: 10.1016/j.cclet.2023.109139

    15. [15]

      Jijoe Samuel Prabagar Kumbam Lingeshwar Reddy Dong-Kwon Lim . Visible-light responsive gold nanoparticle and nano-sized Bi2O3-x sheet heterozygote structure for efficient photocatalytic conversion of N2 to NH3. Chinese Journal of Structural Chemistry, 2025, 44(4): 100564-100564. doi: 10.1016/j.cjsc.2025.100564

    16. [16]

      Jingtao BiYupeng ChengMengmeng SunXiaofu GuoShizhao WangYingying Zhao . Corrigendum to “Efficient and selective photocatalytic nitrite reduction to N2 through CO2 anion radical by eco-friendly tartaric acid activation” [Chinese Chemical Letters 35 (2024) 109639]. Chinese Chemical Letters, 2025, 36(7): 110867-. doi: 10.1016/j.cclet.2025.110867

    17. [17]

      Yangyang SunTianyu HuangHouqiang JiTian TianXingwang ZhuWenlin XuHuan Pang . Efficient charge separation by Ti3C2 MXene modified nano MIL-125(Ti) Schottky photocatalysts for N2 reduction and tetracycline hydrochloride removal. Chinese Chemical Letters, 2026, 37(3): 111391-. doi: 10.1016/j.cclet.2025.111391

    18. [18]

      Huang-Ling Lin Meng-Zhen Xu Tian-Ying Gu Xing-Xing Shi Mao Le Zheng Yin Ming-Hua Zeng . Synthesis, separation and structure of zinc coordination clusters: Proposal of an assembly-disassembly-reassembly process observed from ESI-MS. Chinese Journal of Structural Chemistry, 2025, 44(7): 100602-100602. doi: 10.1016/j.cjsc.2025.100602

    19. [19]

      Yi Herng ChanZhe Phak ChanSerene Sow Mun LockChung Loong YiinShin Ying FoongMee Kee WongMuhammad Anwar IshakVen Chian QuekShengbo GeSu Shiung Lam . Thermal pyrolysis conversion of methane to hydrogen (H2): A review on process parameters, reaction kinetics and techno-economic analysis. Chinese Chemical Letters, 2024, 35(8): 109329-. doi: 10.1016/j.cclet.2023.109329

    20. [20]

      Ning LISiyu DUXueyi WANGHui YANGTao ZHOUZhimin GUANPeng FEIHongfang MAShang JIANG . Preparation and efficient catalysis for olefins epoxidation of a polyoxovanadate-based hybrid. Chinese Journal of Inorganic Chemistry, 2024, 40(4): 799-808. doi: 10.11862/CJIC.20230372

Metrics
  • PDF Downloads(1)
  • Abstract views(1108)
  • HTML views(68)

通讯作者: 陈斌, bchen63@163.com
  • 1. 

    沈阳化工大学材料科学与工程学院 沈阳 110142

  1. 本站搜索
  2. 百度学术搜索
  3. 万方数据库搜索
  4. CNKI搜索
Address:Zhongguancun North First Street 2,100190 Beijing, PR China Tel: +86-010-82449177-888
Powered By info@rhhz.net

/

DownLoad:  Full-Size Img  PowerPoint
Return