Citation: ZHANG Le, LI Qiang, ZHAO Yue, QIN Yu-cai, GAO Xiong-hou, SONG Li-juan. Effect of Ce ion on adsorption and diffusion behavior of benzene in Y zeolite[J]. Journal of Fuel Chemistry and Technology, ;2017, 45(1): 84-92. shu

Effect of Ce ion on adsorption and diffusion behavior of benzene in Y zeolite

  • Corresponding author: SONG Li-juan, tianhuikele@126.com; lsong56@263.net
  • Received Date: 14 September 2016
    Revised Date: 3 November 2016

    Fund Project: National Natural Science Foundation of China 21376114

Figures(9)

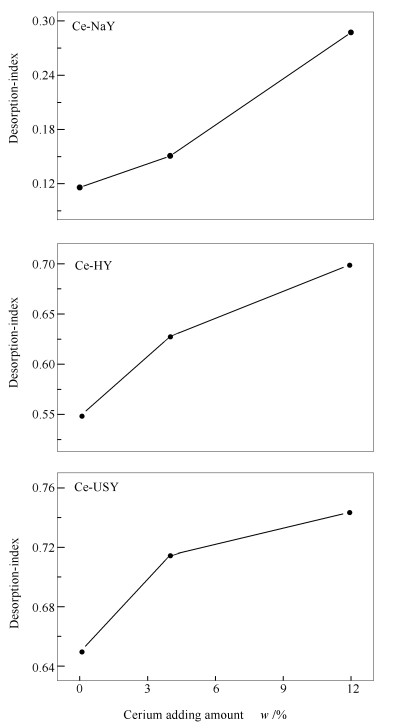
  • The liquid ion exchange method was employed to prepare cerium (Ce) cation modified Y zeolite (CeY) with various amount of cerium using different types of Y zeolite (HY, USY and NaY) and characterized by X-ray fluorescence spectrometry (XRF), intelligent gravimetric analyzer (IGA) and a molecular simulation technology (Grand Canonical Monte Carlo simulation, GCMC). A novel calculation method of desorption index (DI) has also been proposed to study the influence of cerium cations on the processes of adsorption-desorption of hydrocarbon molecule (benzene) on the CeY zeolites. The saturated adsorption capacity of benzene, adsorption interaction, desorption thermodynamic parameters, potential distribution curves and diffusion processes of benzene in CeY zeolites were analyzed. The results indicate that Ce ion can reduce the desorption activation energy, weaken the adsorption interaction force between benzene and Y zeolites, and modulate the adsorbed state of benzene molecules from agglomerate state to dispersed state, which are main factors to optimize the product selectivity of light oil components in the fluid catalytic cracking (FCC) process with CeY zeolite catalyst.
  • 加载中
    1. [1]

      GABRIELA D L P, SEDRAN U. Conversion of methylcyclopentane on rare earth exchanged Y zeolite FCC catalysts[J]. Appl Catal A:Gen, 1996,144(1/2):147-158.  

    2. [2]

      GABRIELA D L P, EDUARDO F S, FATIMA M, Zanon Z, VERA L D C. Influence of different rare earth ions on hydrogen transfer over Y zeolite[J]. Appl Catal A:Gen, 2000,197(1):41-46. doi: 10.1016/S0926-860X(99)00531-1

    3. [3]

      LIU X M, LIU S, LIU Y X. A potential substitute for CeY zeolite used in fluid catalytic cracking process[J]. Microporous Mesoporous Mater, 2016,226:162-168. doi: 10.1016/j.micromeso.2015.12.046

    4. [4]

      CERQUEIRA H S, CAEIRO G, COSTA L, RAMOA RIBEIRO F J. Deactivation of FCC catalysts[J]. J Mol Catal A:Chem, 2008,292:1-13. doi: 10.1016/j.molcata.2008.06.014

    5. [5]

      GUZMAN A, ZUAZO I, FELLER A, OLINDO R, SIEVERS C, LERCHER J A. On the formation of the acid sites in lanthanum exchanged X zeolites used for isobutane/cis-2-butene alkylation[J]. Microporous Mesoporous Mater, 2005,83:309-318. doi: 10.1016/j.micromeso.2005.04.024

    6. [6]

      ARBUZNIKOV A, VASILYEV V, GOURSOT A. Relationships between the structure of a zeolite and its adsorption properties[J]. Surf Sci, 1998,397:395-405. doi: 10.1016/S0039-6028(97)00760-7

    7. [7]

      SONG L J, SUN Z L, BAN H Y, DAI M, REES L V C. Studies of unusual adsorption and diffusion behaviour of benzene in silicalite-1[J]. Chem Chem Phys, 2004,6:4722-4731. doi: 10.1039/b406051b

    8. [8]

      BLIGAARD T, NÖRSKOV J K, DAHL S, MATTHIESEN J, CHRISTENSEN C H, SEHESTED J. The Brönsted-Evans-Polanyi relation and the volcano curve in heterogeneous catalysis[J]. J Catal, 2004,224(1):206-217. doi: 10.1016/j.jcat.2004.02.034

    9. [9]

      BEZVERKHYY I, RYZHIKOV A, GADACZ G, BELLAT J P. Kinetics of thiophene reactive adsorption on Ni/SiO2 and Ni/ZnO[J]. Catal Today, 2008,130(1):199-205. doi: 10.1016/j.cattod.2007.06.038

    10. [10]

      LEE E F T, REES L V C. Calcination of cerium (Ⅲ) exchanged Y zeolite[J]. Zeolites, 1987,7(5):446-450. doi: 10.1016/0144-2449(87)90013-3

    11. [11]

      LOPES J M, RIBEIRO F R. Effect of rare-earth nature on the basic properties of zeolite NaX containing occluded rare-earth species[J]. J Mol Catal A:Chem, 2002,179:185-191. doi: 10.1016/S1381-1169(01)00324-7

    12. [12]

      CERQUEIRA H S, CAEIRO G, COSTA L, RIBEIRO F R. Deactivation of FCC catalysts[J]. J Mol Catal A:Chem, 2008,292:1-13. doi: 10.1016/j.molcata.2008.06.014

    13. [13]

      SHU Y, TRAVERT A, SCHILLER R, ZIEBARTH M, WORMSBECHER R, CHENG C W. Effect of ionic radius of rare earth on USY zeolite in fluid catalytic cracking:Fundamentals and commercial application[J]. Top Catal, 2015,58:334-342. doi: 10.1007/s11244-015-0374-0

    14. [14]

      DU X H, GAO X H, ZHANG H T, LI X L, LIU P S. Effect of cation location on the hydrothermal stability of rare earth-exchanged Y zeolites[J]. Catal Commun, 2013,35:17-22. doi: 10.1016/j.catcom.2013.02.010

    15. [15]

      BOITON A P. The nature of rare-earth exchanged Y zeolites[J]. J Catal, 1971,22(1):9-15. doi: 10.1016/0021-9517(71)90259-4

    16. [16]

      SCHERZER J, RITTER R E. Ion-exchanged ultrastable Y zeolites 3 gas oil cracking over rare earth-exchanged ultrastable Y zeolites[J]. Ind Eng Chem Prod Res Dev, 1978,17(3):219-223. doi: 10.1021/i360067a008

    17. [17]

      YU Shan-qin, TIAN Hui-ping, DAI Zhen-yu, LONG Jun. Mechanism of the influence of lanthanum and cerium on the stability of Y zeolite[J]. Chin J Catal, 2010,31(10):1263-1270.  

    18. [18]

      SHU Y Y, TRAVERT A, SCHILLER R, MICHAEL Z, RICHARD W, WU C C. Effect of ionic radius of rare earth on USY zeolite in fluid catalytic cracking:Fundamentals and commercial application[J]. Top Catal, 2015,58:334-342. doi: 10.1007/s11244-015-0374-0

    19. [19]

      LU Tian, CHEN Fei-wu. Comparison of computational methods for atomic charges[J]. Acta Phys-Chim Sin, 2012,28(1):1-18.  

    20. [20]

      ZHANG Le, QIN Yu-cai, JI De-qiang, YANG Ye, JIA Wei-ming, SONG Li-juan. The effects of cerium ions migration on active sites of y zeolite[J]. Chin Rare Earth, 2016,37(4):16-22.

    21. [21]

      LEE C K, ASHTEKAR S, GLADDEN L F, BARRIE P J. Adsorption and desorption kinetics of hydrocarbons in FCC catalysts studied using a tapered element oscillating microbalance (TEOM). Part 1:Experimental measurements[J]. J Chem Eng Sci, 2004,59:1131-1138. doi: 10.1016/j.ces.2004.01.005 

    22. [22]

      BARRIE P J, LEE C K, GLADDEN L F. Adsorption and desorption kinetics of hydrocarbons in FCC catalysts studied using a tapered element oscillating microbalance (TEOM). Part 2:Numerical simulations[J]. Chem Eng Sci, 2004,59:1139-1151. doi: 10.1016/j.ces.2004.01.008

    23. [23]

      DUAN Lin-hai. Adsorption, diffusion on zeolite and it's application[D]. Lanzhou:Lanzhou University, 2006.

    24. [24]

      LIU Dao-sheng, HAN Chun-yu, DUAN Lin-hai, SONG Li-juan, SUN Zhao-lin. Activation energy of temperature programmed desorption calculated using least-squares method for benzene, thiophene and octane on NaY[J]. Acta Phys-Chim Sin, 2009,25(3):470-476.  

    25. [25]

      BROIDO A J. Sensitive graphical method of treating thermogravimetric analysis data[J]. Polym Sci Part B:Polym Phys, 1969,7(10):1761-1773. doi: 10.1002/pol.1969.160071012

    26. [26]

      FALCONER J L, MADIX R J. Desorption rate isotherms in flash desorption analysis[J]. J Catal, 1977,48(1/3):262-268.  

    27. [27]

      KISSINGER H E. Reaction kinetics in differential thermal analysis[J]. Anal Chem, 1957,29(11):1703-1706.  

    28. [28]

      YANG R T, STEINBERG M. Reaction kinetics and differential thermal analysis[J]. J Phys Chem, 1976,80(9):965-968. doi: 10.1021/j100550a009

    29. [29]

      SUN Shu-hong, PANG Xin-mei, ZHENG Shu-qin, ZHANG Zhong-dong. Preparation of FCC catalyst containing REUSY[J]. Chin Pet Proc Pet Technol, 2001,32(6):25-28.  

    30. [30]

      SOUSA-AGUIAR E F, TRIGUEIRO F E, ZOTIN F M Z. The role of rare earth elements in zeolites and cracking catalysts[J]. Catal Today, 2013,218-219:115-122. doi: 10.1016/j.cattod.2013.06.021

    31. [31]

      ZHANG Le, GAO Xiong-hou, ZHANG Yan-hui, SU Yi, ZHANG Ai-ping. Effects of sodium content on physicochemical properties of USY zeolite[J]. J Synthetic Crystals, 2014,43(2):454-464.  

    32. [32]

      SANDOVAL-DÍAZ L E, MARTÍNEZ-GIL J M, TRUJILLO C A. The combined effect of sodium and vanadium contamination upon the catalytic performance of USY zeolite in the cracking of n-butane:Evidence of path-dependent behavior in Constable-Cremer plots[J]. J Catal, 2012,294:89-98. doi: 10.1016/j.jcat.2012.07.009

  • 加载中
    1. [1]

      Wenjuan SHIYuke LUXiuyuan LILei HOUYaoyu WANG . Mg(Ⅱ) metal-organic frameworks based on biphenyltetracarboxylic acid: Synthesis and CO2 adsorption and catalytic conversion performance. Chinese Journal of Inorganic Chemistry, 2025, 41(12): 2455-2463. doi: 10.11862/CJIC.20250220

    2. [2]

      Kun JIANGYutong XUEKelin LIUMiao WANGTongming SUNYanfeng TANG . CeVO4 hollow microspheres: Fabrication and adsorption performance for dyes. Chinese Journal of Inorganic Chemistry, 2025, 41(11): 2229-2236. doi: 10.11862/CJIC.20250223

    3. [3]

      Ran YuChen HuRuili GuoRuonan LiuLixing XiaCenyu YangJianglan Shui . Catalytic Effect of H3PW12O40 on Hydrogen Storage of MgH2. Acta Physico-Chimica Sinica, 2025, 41(1): 100001-0. doi: 10.3866/PKU.WHXB202308032

    4. [4]

      Xiaogang Liu Mengyu Chen Yanyan Li Xiantao Ma . Experimental Reform in Applied Chemistry for Cultivating Innovative Competence: A Case Study of Catalytic Hydrogen Production from Liquid Formaldehyde Reforming at Room Temperature. University Chemistry, 2025, 40(7): 300-307. doi: 10.12461/PKU.DXHX202408007

    5. [5]

      Yongxin LIUXingchen LIHongjia LIUDanni LITao ZHANGXi CHEN . Enhancement effect of Fe3O4 conversion to MIL-100(Fe) on activation of persulfate for degradation of antibiotic. Chinese Journal of Inorganic Chemistry, 2025, 41(12): 2503-2513. doi: 10.11862/CJIC.20250169

    6. [6]

      Shiyan Cheng Yonghong Ruan Lei Gong Yumei Lin . Research Advances in Friedel-Crafts Alkylation Reaction. University Chemistry, 2024, 39(10): 408-415. doi: 10.12461/PKU.DXHX202403024

    7. [7]

      Xinyu XuJiale LuBo SuJiayi ChenXiong ChenSibo Wang . Steering charge dynamics and surface reactivity for photocatalytic selective methane oxidation to ethane over Au/Ti-CeO2. Acta Physico-Chimica Sinica, 2025, 41(11): 100153-0. doi: 10.1016/j.actphy.2025.100153

    8. [8]

      Feifei YangWei ZhouChaoran YangTianyu ZhangYanqiang Huang . Enhanced Methanol Selectivity in CO2 Hydrogenation by Decoration of K on MoS2 Catalyst. Acta Physico-Chimica Sinica, 2024, 40(7): 2308017-0. doi: 10.3866/PKU.WHXB202308017

    9. [9]

      Jianan Zhang Mengzhen Xu Jiamin Liu Yufei He . 面向“双碳”目标的脱氯吸附剂开发研究型综合实验设计. University Chemistry, 2025, 40(6): 248-255. doi: 10.12461/PKU.DXHX202408068

    10. [10]

      Peng YUELiyao SHIJinglei CUIHuirong ZHANGYanxia GUO . Effects of Ce and Mn promoters on the selective oxidation of ammonia over V2O5/TiO2 catalyst. Chinese Journal of Inorganic Chemistry, 2025, 41(2): 293-307. doi: 10.11862/CJIC.20240210

    11. [11]

      Jingkun YuXue YongAng CaoSiyu Lu . Bi-Layer Single Atom Catalysts Boosted Nitrate-to-Ammonia Electroreduction with High Activity and Selectivity. Acta Physico-Chimica Sinica, 2024, 40(6): 2307015-0. doi: 10.3866/PKU.WHXB202307015

    12. [12]

      Yu WangHaiyang ShiZihan ChenFeng ChenPing WangXuefei Wang . 具有富电子Ptδ壳层的空心AgPt@Pt核壳催化剂:提升光催化H2O2生成选择性与活性. Acta Physico-Chimica Sinica, 2025, 41(7): 100081-0. doi: 10.1016/j.actphy.2025.100081

    13. [13]

      Shihui Shi Haoyu Li Shaojie Han Yifan Yao Siqi Liu . Regioselectively Synthesis of Halogenated Arenes via Self-Assembly and Synergistic Catalysis Strategy. University Chemistry, 2024, 39(5): 336-344. doi: 10.3866/PKU.DXHX202312002

    14. [14]

      CCS Chemistry | 超分子活化底物自由基促进高效选择性光催化氧化

      . CCS Chemistry, 2025, 7(10.31635/ccschem.025.202405229): -.

    15. [15]

      Congying Lu Fei Zhong Zhenyu Yuan Shuaibing Li Jiayao Li Jiewen Liu Xianyang Hu Liqun Sun Rui Li Meijuan Hu . Experimental Improvement of Surfactant Interface Chemistry: An Integrated Design for the Fusion of Experiment and Simulation. University Chemistry, 2024, 39(3): 283-293. doi: 10.3866/PKU.DXHX202308097

    16. [16]

      Jing ZhangSu ZhangQiqi LiLinken JiYutong LiYukang RenXiaobei ZangNing CaoHan HuPeng LiangZhuangjun Fan . Integrating high surface area and electric conductivity in activated carbon by in situ formation of the less-defective carbon network during selective chemical etching. Acta Physico-Chimica Sinica, 2025, 41(10): 100114-0. doi: 10.1016/j.actphy.2025.100114

    17. [17]

      Shuhong XiangLv YangYingsheng XuGuoxin CaoHongjian Zhou . Selective electrosorption of Cs(Ⅰ) from high-salinity radioactive wastewater using CNT-interspersed potassium zinc ferrocyanide electrodes. Acta Physico-Chimica Sinica, 2025, 41(9): 100097-0. doi: 10.1016/j.actphy.2025.100097

    18. [18]

      Jun HuangPengfei NieYongchao LuJiayang LiYiwen WangJianyun Liu . 丝光沸石负载自支撑氮掺杂多孔碳纳米纤维电容器及高效选择性去除硬度离子. Acta Physico-Chimica Sinica, 2025, 41(7): 100066-0. doi: 10.1016/j.actphy.2025.100066

    19. [19]

      Dingwen CHENSiheng YANGHaiyan FUHua CHENXueli ZHENGWeichao XUEJiaqi XURuixiang LI . NiOOH-mediated synthesis of gold nanoaggregates for electrocatalytic performance for selective oxidation of glycerol to glycolate. Chinese Journal of Inorganic Chemistry, 2025, 41(11): 2317-2326. doi: 10.11862/CJIC.20250053

    20. [20]

      Jie ZHAOSen LIUQikang YINXiaoqing LUZhaojie WANG . Theoretical calculation of selective adsorption and separation of CO2 by alkali metal modified naphthalene/naphthalenediyne. Chinese Journal of Inorganic Chemistry, 2024, 40(3): 515-522. doi: 10.11862/CJIC.20230385

Metrics
  • PDF Downloads(3)
  • Abstract views(2283)
  • HTML views(208)

通讯作者: 陈斌, bchen63@163.com
  • 1. 

    沈阳化工大学材料科学与工程学院 沈阳 110142

  1. 本站搜索
  2. 百度学术搜索
  3. 万方数据库搜索
  4. CNKI搜索
Address:Zhongguancun North First Street 2,100190 Beijing, PR China Tel: +86-010-82449177-888
Powered By info@rhhz.net

/

DownLoad:  Full-Size Img  PowerPoint
Return