Citation: HUANG Peng, LI Wen-bo, MAO Xue-feng, ZHAO Peng. Study on suspension bed hydrocracking of medium temperature pyrolytic heavy tar fraction[J]. Journal of Fuel Chemistry and Technology, ;2020, 48(2): 154-161. shu

Study on suspension bed hydrocracking of medium temperature pyrolytic heavy tar fraction

  • Corresponding author: LI Wen-bo, wenbo-li@126.com
  • Received Date: 20 December 2019
    Revised Date: 16 January 2020

    Fund Project: The project was supported by the National Key Research and Development Project 2016YFB0600305the National Natural Science Foundation of China U1610221The project was supported by the National Key Research and Development Project(2016YFB0600305) and the National Natural Science Foundation of China(U1610221)

Figures(18)

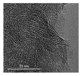
  • The medium temperature pyrolytic coal tar was used as raw material and was analyzed, in which the fraction with boiling point > 350 ℃ that contains the resin of 30.88%, the asphaltene of 37.27% and the tetrahydrofuran insolubles of 3.36% is difficult to hydrocrack directly by conventional fixed bed. A Mo-based ultra-dispersed catalyst was synthesized, and characterized by FT-IR, XPS, XRD, SEM and TEM, etc. The catalyst contains Mo=O and Mo-S characteristic structure and has an excellent dispersibility in the reaction system, and the vulcanization ratio of molybdenum reaches 84.34%. The catalyst can be decomposed into hyper dispersive MoS2 particle in the reaction system. The suspension bed hydrocracking experiments were carried out in a 0.25 t/d continuous unit with heavy fraction of tar. Moreover, the effects of reaction conditions on product distribution and coking rate were investigated. The optimum reaction conditions were 19 MPa, 440 ℃ and 300 mg/kg of catalyst addition. Under these conditions, the naphtha yield is 24.47%, the diesel fraction yield is 49.71%, and the coking rate is 1.32%.
  • 加载中
    1. [1]

      MA Bao-qi, REN Pei-jian, YANG Zhan-biao, WANG Shu-kuan. Preparation of Fuel Oil from Coal Tar[M]. Beijing: Chemical Industry Press, 2011. 

    2. [2]

      LIU Zhen-zhen, FANG Meng-xiang, MA Shuai, LUO Zhong-yang. Hydrogenation of coal tar on NiMoP/γ-Al2O3 catalyst[J]. J Fuel Chem Technol, 2016,44(5):579-586. doi: 10.3969/j.issn.0253-2409.2016.05.010 

    3. [3]

      KAN T, WANG H Y, HE H X, LI C X, ZHANG S J. Experimental study on two-stage catalytic hydroprocessing of middle-temperature coal tar to clean liquid fuels[J]. Fuel, 2011,90(11):3404-3409. doi: 10.1016/j.fuel.2011.06.012

    4. [4]

      DALAMA K, STANISLAUS A. Comparison between deactivation pattern of catalysts in fixed-bed and ebullating-bed residue hydroprocessing units[J]. Chem Eng J, 2006,120(1/2):33-42.  

    5. [5]

      XUE Qian, ZHANG Yu, LIU Ming-rui, ZHANG Hui-cheng. Preparation of 180# marine fuel oil by ebullated-bed hydrotreatment of medium temperature coal tar[J]. Pet Process Petrochem, 2015,46(10):88-92. doi: 10.3969/j.issn.1005-2399.2015.10.017

    6. [6]

      MENG Z H, YANG T, FANG X C. Experimental study of integrated ebullated-bed and fixed-bed for hydrotreating mid-low temperature coal tar to clean fuel[J]. China Pet Process Petrochem Technol, 2016,18(3):1-6.  

    7. [7]

      WU Le-le, LI Jin-lu, DENG Wen-an, ZHANG Ying-hong, LI Chuan. Structure of toluene insoluble coal tar heavy fraction and its relevance to the coking behavior in slurry-bed hydrocracking[J]. J Fuel Chem Technol, 2015,43(8):923-931. doi: 10.3969/j.issn.0253-2409.2015.08.004

    8. [8]

      KAN T, SUN X Y, WANG H Y, LI C S. Production of gasoline and diesel from coal tar via its catalytic hydrogenation in serial fixed beds[J]. Energy Fuels, 2012,26(6):3604-3611. doi: 10.1021/ef3004398

    9. [9]

      XUE F F, LI D, GUO Y T, LI X. Technical progress and the prospect of low-rank coal pyrolysis in china[J]. Energy Technol, 2017,5(11):1897-1907. doi: 10.1002/ente.201700203

    10. [10]

      MA Z Z, GAO N B, ZHANG L, LI A M. Modeling and simulation of oil sludge pyrolysis in a rotary kiln with a solid heat carrier: Considering the particle motion and reaction kinetics[J]. Energy Fuels, 2014,28(9):6029-6037. doi: 10.1021/ef501263m

    11. [11]

      QU Xuan, ZHANG Rong, SUN Dong-Kai, BI Ji-cheng. Experiment study on pyrolysis of Huolinhe lignite with solid heat carrier[J]. J Fuel Chem Technol, 2011,39(2):85-89. doi: 10.3969/j.issn.0253-2409.2011.02.002

    12. [12]

      LIANG P, WANG Z F, BI J C. Simulation of coal pyrolysis by solid heat carrier in a moving-bed pyrolyzer[J]. Fuel, 2008,87(4):435-442.  

    13. [13]

      ZHANG Yang. Research progress of semi-cokelarge-scale utilization technology of low rank pulverized coal pyrolysis[J]. Coal Quality Technol, 2018,7(4):1-9. doi: 10.3969/j.issn.1007-7677.2018.04.001

    14. [14]

      LIANG P, WANG Z F, BI J C. Process characteristics investigation of simulated circulating fluidized bed combustion combined with coal pyrolysis[J]. Fuel Process Technol, 2007,88(1):23-28.  

    15. [15]

      GENG C C, LI S Y, LIU S H, HOU J L. Flash pyrolysis of coal with solid heat carrier in a fluidized bed[J]. Adv Mater Res, 2014,953/954:1153-1156.  

    16. [16]

      WANG Q H, ZHANG R, LUO Z Y, FANG M X. Effects of pyrolysis atmosphere and temperature on coal char characteristics and gasification reactivity[J]. Energy Technol, 2016,4(4):543-550. doi: 10.1002/ente.201500366

    17. [17]

      YE C, WANG Q H, LUO Z Y, XIE G L, JIN K, MUHTAR S, CEN K F. Characteristics of coal partial gasification on a circulating fluidized bed reactor[J]. Energy Fuels, 2017,31(3):2557-2564. doi: 10.1021/acs.energyfuels.6b02889

    18. [18]

      JIA X, WANG Q H, CEN K F, CHEN L M. An experimental study of CaSO4 decomposition during coal pyrolysis[J]. Fuel, 2016,163:157-165. doi: 10.1016/j.fuel.2015.09.054

    19. [19]

      GUO Z H, WANG Q H, FANG M X, LUO Z Y, CEN K F. Thermodynamic and economic analysis of polygeneration system integrating atmospheric pressure coal pyrolysis technology with circulating fluidized bed power plant[J]. Appl Energy, 2014,113(1):1301-1314.  

    20. [20]

      WU Qing. Suspended-bed hydrocracking process——a deep high efficiency conversion process in rapid development for processing low-quality heavy oils[J]. Pet Refin Eng, 2014,44(2):1-9. doi: 10.3969/j.issn.1002-106X.2014.02.001

    21. [21]

      ZHOU Jia-shun, DENG Wen-an, LIANG Shi-chang, LIU Dong, QUE Guo-he. Comparison between suspended bed hydrocracking and fixed bed hydro-desulfurizing[J]. Pet Refin Eng, 2001,31(2):14-17. doi: 10.3969/j.issn.1002-106X.2001.02.004

    22. [22]

      BAKER M A, GILMORE R, LENARDI C, GISSLER W. XPS investigation of preferential sputtering of S from MoS2 and determination of MoSx stoichiometry from Mo and S peak positions[J]. Appl Surf Sci, 1999,150(1/4):255-262.

    23. [23]

      LIU Dong, ZHANG Ji-chang, ZHAO Ying-nan, QUE Guo-he. XPS study on the sulfurization of dispersed Mo catalyst for slurry-bed hydroprocessing of residue[J]. Acta Pet Sin(Pet Process Sect), 2007,23(5):33-37. doi: 10.3969/j.issn.1001-8719.2007.05.006

    24. [24]

      WINTERBOTTOM J M, KHAN Z, RAYMAHASAY S, KNIGHT G. A comparison of triglyceride oil hydrogenation in a downflow bubble column using slurry and fixed bed catalysts[J]. J Appl Chem Biotechnol, 2000,75(11):1015-1025. doi: 10.1002/1097-4660(200011)75:11<1015::AID-JCTB304>3.0.CO;2-7

  • 加载中
    1. [1]

      Jingke LIUJia CHENYingchao HAN . Nano hydroxyapatite stable suspension system: Preparation and cobalt adsorption performance. Chinese Journal of Inorganic Chemistry, 2024, 40(9): 1763-1774. doi: 10.11862/CJIC.20240060

    2. [2]

      Hong Wu Yuxi Wang Hongyan Feng Xiaokui Wang Bangkun Jin Xuan Lei Qianghua Wu Hongchun Li . Application of Computational Chemistry in the Determination of Magnetic Susceptibility of Metal Complexes. University Chemistry, 2025, 40(3): 116-123. doi: 10.12461/PKU.DXHX202405141

    3. [3]

      Xinghai LiZhisen WuLijing ZhangShengyang Tao . Machine Learning Enables the Prediction of Amide Bond Synthesis Based on Small Datasets. Acta Physico-Chimica Sinica, 2025, 41(2): 100010-0. doi: 10.3866/PKU.WHXB202309041

    4. [4]

      Jin Tong Shuyan Yu . Crystal Engineering for Supramolecular Chirality. University Chemistry, 2024, 39(3): 86-93. doi: 10.3866/PKU.DXHX202308113

    5. [5]

      Zeyi Yan Ruitao Liu Xinyu Qi Yuxiang Zhang Lulu Sun Xiangyuan Li Anchao Feng . Exploration of Suspension Polymerization: Preparation and Fluorescence Stability of Perovskite Polystyrene Microbeads. University Chemistry, 2025, 40(4): 72-79. doi: 10.12461/PKU.DXHX202405110

    6. [6]

      Rohit KumarAnita SudhaikAftab Asalam Pawaz KhanVan Huy NeguyenArchana SinghPardeep SinghSourbh ThakurPankaj Raizada . Designing tandem S-scheme photo-catalytic systems: Mechanistic insights, characterization techniques, and applications. Acta Physico-Chimica Sinica, 2025, 41(11): 100150-0. doi: 10.1016/j.actphy.2025.100150

    7. [7]

      Yanan Liu Yufei He Dianqing Li . Preparation of Highly Dispersed LDHs-based Catalysts and Testing of Nitro Compound Reduction Performance: A Comprehensive Chemical Experiment for Research Transformation. University Chemistry, 2024, 39(8): 306-313. doi: 10.3866/PKU.DXHX202401081

    8. [8]

      Yanhui Zhong Ran Wang Zian Lin . Analysis of Halogenated Quinone Compounds in Environmental Water by Dispersive Solid-Phase Extraction with Liquid Chromatography-Triple Quadrupole Mass Spectrometry. University Chemistry, 2024, 39(11): 296-303. doi: 10.12461/PKU.DXHX202402017

    9. [9]

      Shuhong XiangLv YangYingsheng XuGuoxin CaoHongjian Zhou . Selective electrosorption of Cs(Ⅰ) from high-salinity radioactive wastewater using CNT-interspersed potassium zinc ferrocyanide electrodes. Acta Physico-Chimica Sinica, 2025, 41(9): 100097-0. doi: 10.1016/j.actphy.2025.100097

    10. [10]

      Hanmei LüXin ChenQifu SunNing ZhaoXiangxin Guo . Uniform Garnet Nanoparticle Dispersion in Composite Polymer Electrolytes. Acta Physico-Chimica Sinica, 2024, 40(3): 2305016-0. doi: 10.3866/PKU.WHXB202305016

    11. [11]

      Xiyuan Su Zhenlin Hu Ye Fan Xianyuan Liu Xianyong Lu . Change as You Want: Multi-Responsive Superhydrophobic Intelligent Actuation Material. University Chemistry, 2024, 39(5): 228-237. doi: 10.3866/PKU.DXHX202311059

    12. [12]

      Cen Zhou Biqiong Hong Yiting Chen . Application of Electrochemical Techniques in Supramolecular Chemistry. University Chemistry, 2025, 40(3): 308-317. doi: 10.12461/PKU.DXHX202406086

    13. [13]

      Fan YangZheng LiuDa WangKwunNam HuiYelong ZhangZhangquan Peng . Preparation and Properties of P-Bi2Te3/MXene Superstructure-based Anode for Potassium-Ion Battery. Acta Physico-Chimica Sinica, 2024, 40(2): 2303006-0. doi: 10.3866/PKU.WHXB202303006

    14. [14]

      Jia Yao Xiaogang Peng . Theory of Macroscopic Molecular Systems: Theoretical Framework of the Physical Chemistry Course in the Chemistry “101 Plan”. University Chemistry, 2024, 39(10): 27-37. doi: 10.12461/PKU.DXHX202408117

    15. [15]

      Cunming Yu Dongliang Tian Jing Chen Qinglin Yang Kesong Liu Lei Jiang . Chemistry “101 Program” Synthetic Chemistry Experiment Course Construction: Synthesis and Properties of Bioinspired Superhydrophobic Functional Materials. University Chemistry, 2024, 39(10): 101-106. doi: 10.12461/PKU.DXHX202408008

    16. [16]

      Zhiwen HUANGQi LIUJianping LANG . W/Cu/S cluster-based supramolecular macrocycles and their third-order nonlinear optical responses. Chinese Journal of Inorganic Chemistry, 2025, 41(1): 79-87. doi: 10.11862/CJIC.20240184

    17. [17]

      CCS Chemistry | 超分子活化底物自由基促进高效选择性光催化氧化

      . CCS Chemistry, 2025, 7(10.31635/ccschem.025.202405229): -.

    18. [18]

      Yue ZhangBao LiLixin Wu . GO-Assisted Supramolecular Framework Membrane for High-Performance Separation of Nanosized Oil-in-Water Emulsions. Acta Physico-Chimica Sinica, 2024, 40(5): 2305038-0. doi: 10.3866/PKU.WHXB202305038

    19. [19]

      Kexin YanZhaoqi YeLingtao KongHe LiXue YangYahong ZhangHongbin ZhangYi Tang . Seed-Induced Synthesis of Disc-Cluster Zeolite L Mesocrystals with Ultrashort c-Axis: Morphology Control, Decoupled Mechanism, and Enhanced Adsorption. Acta Physico-Chimica Sinica, 2024, 40(9): 2308019-0. doi: 10.3866/PKU.WHXB202308019

    20. [20]

      Zhuo WANGJunshan ZHANGShaoyan YANGLingyan ZHOUYedi LIYuanpei LAN . Preparation and photocatalytic performance of CeO2-reduced graphene oxide by thermal decomposition. Chinese Journal of Inorganic Chemistry, 2024, 40(9): 1708-1718. doi: 10.11862/CJIC.20240067

Metrics
  • PDF Downloads(3)
  • Abstract views(492)
  • HTML views(68)

通讯作者: 陈斌, bchen63@163.com
  • 1. 

    沈阳化工大学材料科学与工程学院 沈阳 110142

  1. 本站搜索
  2. 百度学术搜索
  3. 万方数据库搜索
  4. CNKI搜索
Address:Zhongguancun North First Street 2,100190 Beijing, PR China Tel: +86-010-82449177-888
Powered By info@rhhz.net

/

DownLoad:  Full-Size Img  PowerPoint
Return