Citation: YAO Kui, ZHANG Jin-gang, ZHU Huai-li, WANG Xing-jun, YU Guang-suo, LIU Hai-feng, WANG Fu-chen. Catalytic effect of biomass ash on the hydrogasification of coal char[J]. Journal of Fuel Chemistry and Technology, ;2017, 45(1): 21-28. shu

Catalytic effect of biomass ash on the hydrogasification of coal char

  • Corresponding author: WANG Xing-jun, wxj@ecust.edu.cn
  • Received Date: 19 July 2016
    Revised Date: 18 September 2016

    Fund Project: the National Natural Science Foundation of China 21176078

Figures(9)

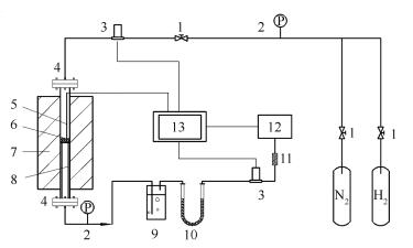
  • Biomass ashes were prepared from three rich in alkaline and alkaline earth metal materials, viz., wheat straw (WS), sea grape (SG) and ixeris chinensis (IC), at different temperatures of 500, 600 and 815℃; the catalytic effect of biomass ash on the hydro-gasification of Shenfu coal (SF) char was then investigated. The results show that the ash yield and the content of alkali metals and chlorine reduce with increasing ashing temperature from 500 to 815℃; significant ash melting can be observed at high temperature near 815℃. The biomass ashes obtained at 600℃ exhibits the best catalytic effect on the gasification of coal char; the more the ash is loaded with the char, the stronger exhibit the promoting effect on the gasification is. The ash from IC performs best in catalyzing the coal char gasification, whereas the SG ash is the worst catalyst. The high content of silica in the WS ash and the high content of chlorine in the SG ash may explain their poor catalytic effect on the char gasification; chlorine can aggravate the volatilization of alkali metal and lead to a severer inhibiting effect on the coal char hydrogasification than silica with the same molar quantity.
  • 加载中
    1. [1]

      HONG Bing-qing, CHEN Fan-min, WANG Xing-jun, YU Guang-suo. Effect of KOH loading on different coals hydrogasification[J]. J Fuel Chem Technol, 2012,40(9):1032-1037.  

    2. [2]

      JIANG M, JIE H, JIE W. Calcium-promoted catalytic activity of potassium carbonate for steam gasification of coal char:Effect of hydrothermal pretreatment[J]. Fuel, 2013,109(7):14-20.

    3. [3]

      HONG Bing-qing, ZHAN Shu-peng, WANG Xing-jun, WANG Fu-chen, YU Guang-suo. Experimental study on Hohhot coal hydrogasification catalysed by different metal compounds[J]. J Fuel Chem Technol, 2012,40(7):782-789.  

    4. [4]

      SHETH A C, SASTRY C, YEBOAH Y D, XU Y. Agarwal catalytic gasification of coal using eutectic salts:Reaction kinetics for hydrogasification using binary and ternary eutectic catalysts P[J]. Fuel, 2004,83(4/5):557-572.

    5. [5]

      HOWANIEC N, SMOLIŃSKI A. Effect of fuel blend composition on the efficiency of hydrogen-rich gas production in co-gasification of coal and biomass[J]. Fuel, 2014,128:442-450. doi: 10.1016/j.fuel.2014.03.036

    6. [6]

      ZHU W, SONG W, LIN W. Catalytic gasification of char from co-pyrolysis of coal and biomass[J]. Fuel Process Technol, 2008,89(9):890-896. doi: 10.1016/j.fuproc.2008.03.001

    7. [7]

      XIAO Rui-rui, CHEN Xue-li, WANG Fu-chen, YU Guang-suo. The physical and chemical properties of different biomass ash[J]. Acta Energ Sol Sin, 2011,32(3):364-369.  

    8. [8]

      SALO K, MOJTAHEDI W. Fate of alkali and trace metals in biomass gasification[J]. Biomass Bioenergy, 1998,15(3):263-267. doi: 10.1016/S0961-9534(98)00019-1

    9. [9]

      DU S, YANG H, QIAN K, WANG X, CHEN H. Fusion and transformation properties of the inorganic components in biomass ash[J]. Fuel, 2014,117(1):1281-1287.

    10. [10]

      LAHIJANI P, ZAINAL Z A, MOHAMED A R, MOHAMMADI M. Ash of palm empty fruit bunch as a natural catalyst for promoting the CO2, gasification reactivity of biomass char[J]. Bioresour Technol, 2012,132(2):351-355.

    11. [11]

      REN Wei-ping. Investigation of promoting effect of alkali metals in biomass during coal gasification process[J]. Taiyuan:Taiyuan University of Technology, 2015.

    12. [12]

      RIZKIANA J, GUAN G, WIDAYATNO W B, HAO X, LI X, HUANG W, ABUDULA A. Promoting effect of various biomass ashes on the steam gasification of low-rank coal[J]. Appl Energy, 2014,133(6):282-288.

    13. [13]

      XIE Ke-chang, ZHAO Ming-ju, LING Da-qi. Effect of mineral on the surface properties and the CO2-gasification of coal char[J]. J Fuel Chem Technol, 1990,18(4):316-323.  

    14. [14]

      KARIMI A, GRAY M R. Effectiveness and mobility of catalysts for gasification of bitumen coke[J]. Fuels, 2011,90(1):120-125. doi: 10.1016/j.fuel.2010.07.032

    15. [15]

      TAKARADA T, ICHINOSE S, KATO K. Gasification of bituminous coal with K-exchanged brown coal prepared from potassium chloride[J]. Fuels, 1992,71(8):883-887. doi: 10.1016/0016-2361(92)90237-I

    16. [16]

      KOWALSKI T, LUDWIG C, WOKAUN A. Qualitative evaluation of alkali release during the pyrolysis of biomass[J]. Energy Fuels, 2007,21(5):3017-3022. doi: 10.1021/ef070094z

    17. [17]

      OLSSON J G, JÄLID U, PETTERSSON J B C, HAID P. Alkali metal emission during pyrolysis of biomass[J]. Energy Fuels, 1997,11(4):779-784. doi: 10.1021/ef960096b

    18. [18]

      HOUGH D C, SANYAL A, ANNEN K D, GRUNINGER J H, STEWART G W. The development of an improved coal ash viscosity/temperature relationship for the assessment of slagging propensity in coal-fired boilers[J]. J Energy Inst, 1986,59(439):77-81.

    19. [19]

      HAN Yan-na, WANG Lei, YU Jiang-long, WANG Dong-mei, YIN Feng-kui. Effect of calcium on the pyrolysis of lignite and the reactivity of coal char steam-gasification[J]. J Taiyuan Univ Technol, 2013,44(3):264-267.  

    20. [20]

      ZHANG Y, ASHIZAWA M, KAJITANI S, MIURA K. Proposal of a semi-empirical kinetic model to reconcile with gasification reactivity profiles of biomass chars[J]. Fuel, 2008,87(4):475-481.

    21. [21]

      ZHU Huai-li, WANG Xi-ming, WANG Xing-jun, YU Guang-suo, WANG Fu-chen. FT-IR and SEM study on the effect of coal rank on its catalytic hydrogasification[J]. J Fuel Chem Technol, 2014,42(10):1197-1204.  

  • 加载中
    1. [1]

      Jiaqi ANYunle LIUJianxuan SHANGYan GUOCe LIUFanlong ZENGAnyang LIWenyuan WANG . Reactivity of extremely bulky silylaminogermylene chloride and bonding analysis of a cubic tetragermylene. Chinese Journal of Inorganic Chemistry, 2024, 40(8): 1511-1518. doi: 10.11862/CJIC.20240072

    2. [2]

      Qi WangYuqing LiuJiefei WangYuan-Yuan MaJing DuZhan-Gang Han . Catalysts for electrocatalytic dechlorination of chlorinated aromatic hydrocarbons: synthetic strategies, applications, and challenges. Acta Physico-Chimica Sinica, 2025, 41(10): 100120-0. doi: 10.1016/j.actphy.2025.100120

    3. [3]

      Kuaibing Wang Feifei Mao Weihua Zhang Bo Lv . Design and Practice of a Comprehensive Teaching Experiment for Preparing Biomass Carbon Dots from Rice Husk. University Chemistry, 2025, 40(5): 342-350. doi: 10.12461/PKU.DXHX202407042

    4. [4]

      Hongxia Yan Rui Wu Weixu Feng Yan Zhao Yi Yan . Innovation Inspired by Classical Chemistry: Luminescent Hyperbranched Polysiloxanes. University Chemistry, 2025, 40(4): 154-159. doi: 10.12461/PKU.DXHX202409010

    5. [5]

      Haiyu ZhuZhuoqun WenWen XiongXingzhan WeiZhi Wang . 二维半金属/硅异质结中肖特基势垒高度的准确高效预测. Acta Physico-Chimica Sinica, 2025, 41(7): 100078-0. doi: 10.1016/j.actphy.2025.100078

    6. [6]

      Jingshuo ZhangYue ZhaiZiyun ZhaoJiaxing HeWei WeiJing XiaoShichao WuQuan-Hong Yang . Research Progress of Functional Binders in Silicon-Based Anodes for Lithium-Ion Batteries. Acta Physico-Chimica Sinica, 2024, 40(6): 2306006-0. doi: 10.3866/PKU.WHXB202306006

    7. [7]

      Jiashuang Lu Xiaoyang Xu Youqing He Mingyue Wu Ruixin Shi Wenfang Yu Hang Lu Ji Liu Qingzeng Zhu . 生命健康中的有机硅高分子. University Chemistry, 2025, 40(8): 169-180. doi: 10.12461/PKU.DXHX202409143

    8. [8]

      Yerong Chen Bingbin Yang Xinglei He Yuqi Lin Keyin Ye . Enzyme-Directed Evolution Enables Bioconversion of Organosilicon Compounds. University Chemistry, 2025, 40(10): 121-129. doi: 10.12461/PKU.DXHX202411054

    9. [9]

      Lu ZhuoranLi ShengkaiLu YuxuanWang ShuangyinZou Yuqin . Cleavage of C―C Bonds for Biomass Upgrading on Transition Metal Electrocatalysts. Acta Physico-Chimica Sinica, 2024, 40(4): 2306003-0. doi: 10.3866/PKU.WHXB202306003

    10. [10]

      Hongting Yan Aili Feng Rongxiu Zhu Lei Liu Dongju Zhang . Reexamination of the Iodine-Catalyzed Chlorination Reaction of Chlorobenzene Using Computational Chemistry Methods. University Chemistry, 2025, 40(3): 16-22. doi: 10.12461/PKU.DXHX202403010

    11. [11]

      Xingyang LITianju LIUYang GAODandan ZHANGYong ZHOUMeng PAN . A superior methanol-to-propylene catalyst: Construction via synergistic regulation of pore structure and acidic property of high-silica ZSM-5 zeolite. Chinese Journal of Inorganic Chemistry, 2024, 40(7): 1279-1289. doi: 10.11862/CJIC.20240026

    12. [12]

      Wenke ZHENGCe LIUWei CHENHongshan KEFanlong ZENGYibo LEIAnyang LIWenyuan WANG . Synthesis and bonding analysis of low-coordinate Fe and Cr complexes with ultra-bulky silylamino groups. Chinese Journal of Inorganic Chemistry, 2025, 41(7): 1285-1293. doi: 10.11862/CJIC.20250095

    13. [13]

      Yongpo Zhang Xinfeng Li Yafei Song Mengyao Sun Congcong Yin Chunyan Gao Jinzhong Zhao . Synthesis of Chlorine-Bridged Binuclear Cu(I) Complexes Based on Conjugation-Driven Cu(II) Oxidized Secondary Amines. University Chemistry, 2024, 39(5): 44-51. doi: 10.3866/PKU.DXHX202309092

    14. [14]

      Jianan Zhang Mengzhen Xu Jiamin Liu Yufei He . 面向“双碳”目标的脱氯吸附剂开发研究型综合实验设计. University Chemistry, 2025, 40(6): 248-255. doi: 10.12461/PKU.DXHX202408068

    15. [15]

      Gongjian Chen Zhao Wei . Chlorine Recognized as a New Element: Breakthrough in Paradigmatic Constraints (1774–1810). University Chemistry, 2026, 41(2): 420-428. doi: 10.12461/PKU.DXHX202502081

    16. [16]

      Xinlong XUChunxue JINGYuzhen CHEN . Bimetallic MOF-74 and derivatives: Fabrication and efficient electrocatalytic biomass conversion. Chinese Journal of Inorganic Chemistry, 2025, 41(8): 1545-1554. doi: 10.11862/CJIC.20250046

    17. [17]

      Baitong Wei Jinxin Guo Xigong Liu Rongxiu Zhu Lei Liu . Theoretical Study on the Structure, Stability of Hydrocarbon Free Radicals and Selectivity of Alkane Chlorination Reaction. University Chemistry, 2025, 40(3): 402-407. doi: 10.12461/PKU.DXHX202406003

    18. [18]

      Ruonan LiShijie LiangYunhua XuCuifen ZhangZheng TangBaiqiao LiuWeiwei Li . Chlorine-Substituted Double-Cable Conjugated Polymers with Near-Infrared Absorption for Low Energy Loss Single-Component Organic Solar Cells. Acta Physico-Chimica Sinica, 2024, 40(8): 2307037-0. doi: 10.3866/PKU.WHXB202307037

    19. [19]

      Jizhou LiuChenbin AiChenrui HuBei ChengJianjun Zhang . Accelerated Interfacial Electron Transfer in Perovskite Solar Cell by Ammonium Hexachlorostannate Modification and fs-TAS Investigation. Acta Physico-Chimica Sinica, 2024, 40(11): 2402006-0. doi: 10.3866/PKU.WHXB202402006

    20. [20]

      Zehui JIABin WENShuting ZHANGZhengliang ZHAOHongfei HANChuntao WANGCaimei FAN . Mechanism of carbon quantum dots-modified BiOCl/diatomite composites for ciprofloxacin degradation under visible light irradiation. Chinese Journal of Inorganic Chemistry, 2026, 42(2): 317-330. doi: 10.11862/CJIC.20250199

Metrics
  • PDF Downloads(3)
  • Abstract views(1419)
  • HTML views(132)

通讯作者: 陈斌, bchen63@163.com
  • 1. 

    沈阳化工大学材料科学与工程学院 沈阳 110142

  1. 本站搜索
  2. 百度学术搜索
  3. 万方数据库搜索
  4. CNKI搜索
Address:Zhongguancun North First Street 2,100190 Beijing, PR China Tel: +86-010-82449177-888
Powered By info@rhhz.net

/

DownLoad:  Full-Size Img  PowerPoint
Return